电脑桌面
添加小米粒文库到电脑桌面
安装后可以在桌面快捷访问

7生产制造信息报告范本

7生产制造信息报告范本_第1页
1/12
7生产制造信息报告范本_第2页
2/12
7生产制造信息报告范本_第3页
3/12
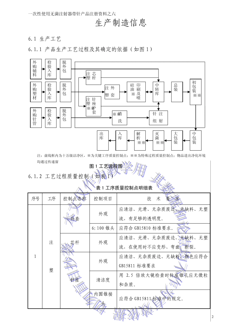
一次性使用无菌注射器 带针产品注册资料之六 生产制造信息 文件编号: X X /X X X X -017-1-2014 页 数: 起 草 人: 日 期: 审 核 人: 日 期: 批 准 人: 日 期: 一次性使用无菌注射器 带针产品注册资料之六 1 目录 条款号 标题 页次 6.1 生产工艺 2 6.1.1 产品生产工艺过程及其确定的依据 2 6.1.2 工艺过程质量控制 2 6.2 辅剂、助剂、粘合剂等添加剂安全性 4 6.2.1 辅剂、助剂、粘合剂等添加剂的材料信息 4 6.2.2 辅剂、助剂、粘合剂等添加剂的控制方法 8 6.3 生产场地 9 6.3.1 生产环境 9 6.3.2 制造车间(净化环境) 9 6.3.3 非净化环境布局 11 6.4 其他 11 6.4.1 工艺制水… … … … … … … … … … … … … … … … … … … … … … 11 6.4.2 压缩客气… … … … … … … … … … … … … … … … … … … … … 11 4.7 脱模剂…………………………………………………………… 12 附件目录 一次性使用无菌注射器 带针产品注册资料之六 2 生产制造信息 6.1 生产工艺 6.1.1 产品生产工艺过程及其确定的依据(如图1) 图1 工艺流程图 6.1.2 工艺过程质量控制(如表1) 表1 工序质量控制点明细表 序号 工序 控制点名称 控制项目 技 术 要 求 1 注 塑 外套 外观 应清洁、光滑、无杂质废边、无缺料、无塑流,有足够的透明度。 6:100 锥头 应符合 GB15810 标准要求。 芯杆 外观 应清洁、光滑、无杂质废边、无缺料、无塑流,在使用时不应变形、弯曲,断裂。 针座 外观 应清洁、无杂质废边、无缺料,颜色应符合GB15811 标准要求 清洁度 用 2.5 倍放大镜检查时针座锥孔应无微粒和杂质。 内圆锥接头 应符合 GB15811 标准中的规定。 外购辅料 检验入库 外购塑材 外购针管 脱外包 外套注塑印刷及喷硅油※ 中转库 总装 脱外包 脱外包 检验入库 检验入库 初包装※※ 针座护套注塑※※ 芯杆 注塑 注射针组灭菌※※ 大包装 中包装 清洗※※ 入库 解析※※ 出库 注:虚线框内为十万级洁净区,※为关键工序质量控制点;※※为特殊过程质量控制点;物品进出净化环境均通过传递窗 一次性使用无菌注射器 带针产品注册资料之六 3 保护套 外观 外观应清洁,无黑点黄斑、缺损、毛边,形态正常。 结合力 安装后不应自然脱落并易于拆除...

1、当您付费下载文档后,您只拥有了使用权限,并不意味着购买了版权,文档只能用于自身使用,不得用于其他商业用途(如 [转卖]进行直接盈利或[编辑后售卖]进行间接盈利)。
2、本站所有内容均由合作方或网友上传,本站不对文档的完整性、权威性及其观点立场正确性做任何保证或承诺!文档内容仅供研究参考,付费前请自行鉴别。
3、如文档内容存在违规,或者侵犯商业秘密、侵犯著作权等,请点击“违规举报”。

碎片内容

7生产制造信息报告范本

您可能关注的文档

确认删除?
VIP
微信客服
  • 扫码咨询
会员Q群
  • 会员专属群点击这里加入QQ群
客服邮箱
回到顶部