电脑桌面
添加小米粒文库到电脑桌面
安装后可以在桌面快捷访问

8交流接触器结构与工作原理

8交流接触器结构与工作原理_第1页
1/12
8交流接触器结构与工作原理_第2页
2/12
8交流接触器结构与工作原理_第3页
3/12
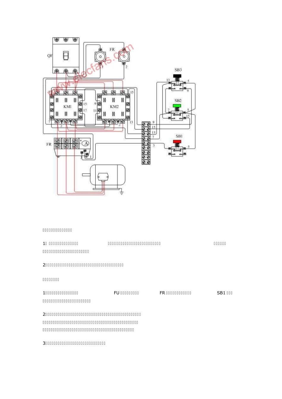
(一 )交流接触器由以下四部分组成: ( 1)电磁机构 电磁机构由线圈、动铁心(衔铁)和静铁心组成,其作用是将电磁能转换成机械能,产生电磁吸力带动触点动作。 ( 2)触点系统 包括主触点和辅助触点。主触点用于通断主电路,通常为三对常开触点。辅助触点用于控制电路,起电气联锁作用,故又称联锁触点,一般常开、常闭各两对。 ( 3) 灭弧装置 容量在10A 以上的接触器都有灭弧装置,对于小容量的接触器,常采用双断口触点灭弧、电动力灭弧、相间弧板隔弧及陶土灭弧罩灭弧。对于大容量的接触器,采用纵缝灭弧罩及栅片灭弧。 ( 4)其他部件 包括反作用弹簧、缓冲弹簧、触点压力弹簧、传动机构及外壳等。 电磁式接触器的工作原理如下:线圈通电后,在铁芯中产生磁通及电磁吸力。此电磁吸力克服弹簧反力使得衔铁吸合,带动触点机构动作,常闭触点打开,常开触点闭合,互锁或接通线路。线圈失电或线圈两端电压显著降低时,电磁吸力小于弹簧反力,使得衔铁释放,触点机构复位,断开线路或解除互锁。 (二)直流接触器 直流接触器的结构和工作原理基本上与交流接触器相同。在结构上也是由电磁机构、触点系统和灭弧装置等部分组成。由于直流电弧比交流电弧难以熄灭,直流接触器常采用磁吹式灭弧装置灭弧。 交流接触器接线图 电动机可逆运行控制电路的调试 1、 检查主回路路的接线是否正确,为了保证两个接触器动作时能够可靠调换电动机的相序,接线时应使接触器的上口接线保持一致,在接触器的下口调相。 2、检查接线无误后,通电试验,通电试验时为防止意外,应先将电动机的接线断开。 故障现象预处理; 1、不启动;原因之一,检查控制保险FU 是否断路,热继电器FR 接点是否用错或接触不良,SB1 按钮的常闭接点是否不良。原因之二按纽互锁的接线有误。 2、起动时接触器“叭哒”就不吸了;这是因为接触器的常闭接点互锁接线有错,将互锁接点接成了自己锁自己了,起动时常闭接点是通的接触器线圈的电吸合,接触器吸合后常闭接点又断开,接触器线圈又断电释放,释放常闭接点又接通接触器又吸合,接点又断开,所以会出现“叭哒”接触器不吸合的现象。 3、不能够自锁一抬手接触器就断开,这是因为自锁接点接线有误。 电动机可逆运行控制电路为了使电动机能够正转和反转,可采用两只接触器KM1、 KM2 换接电动机三相电源的相序,但两个接触器不能吸合,如果同时吸合将造成电源的短路事故,为了防止这种事故,在电路中应采取可...

1、当您付费下载文档后,您只拥有了使用权限,并不意味着购买了版权,文档只能用于自身使用,不得用于其他商业用途(如 [转卖]进行直接盈利或[编辑后售卖]进行间接盈利)。
2、本站所有内容均由合作方或网友上传,本站不对文档的完整性、权威性及其观点立场正确性做任何保证或承诺!文档内容仅供研究参考,付费前请自行鉴别。
3、如文档内容存在违规,或者侵犯商业秘密、侵犯著作权等,请点击“违规举报”。

碎片内容

8交流接触器结构与工作原理

您可能关注的文档

确认删除?
VIP
微信客服
  • 扫码咨询
会员Q群
  • 会员专属群点击这里加入QQ群
客服邮箱
回到顶部