电脑桌面
添加小米粒文库到电脑桌面
安装后可以在桌面快捷访问

ANSYS桥梁建模与恒载内力计算说明书

ANSYS桥梁建模与恒载内力计算说明书_第1页
1/21
ANSYS桥梁建模与恒载内力计算说明书_第2页
2/21
ANSYS桥梁建模与恒载内力计算说明书_第3页
3/21
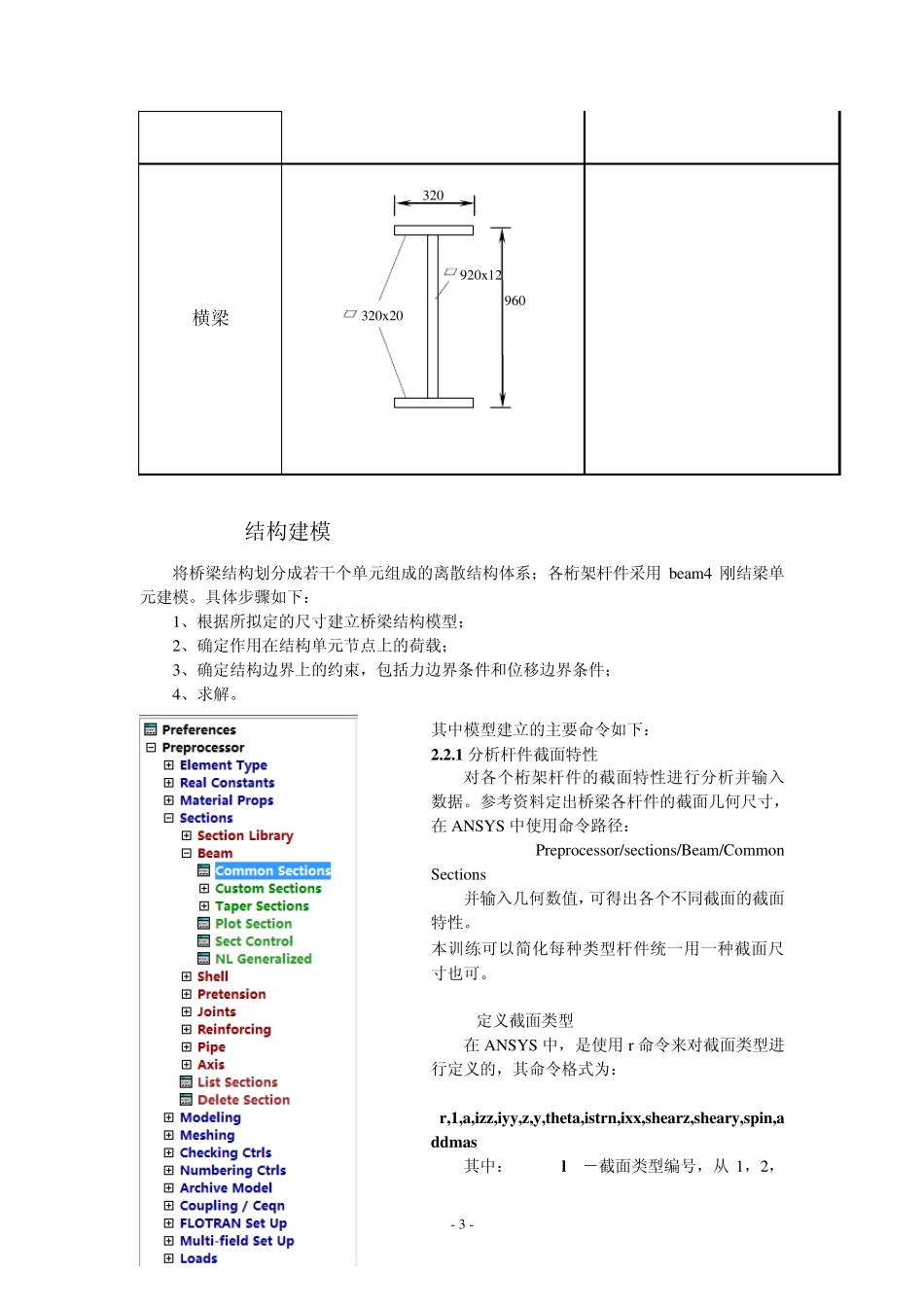
- 1 - ANSY S 桥梁建模与恒载内力计算说明书 一 设计资料 1. 设计荷载:汽车荷载 公路I 级;人群荷载3.5KN/m2。 2. 主桥上部结构采用下承式栓焊钢桁架,平行弦三角形体系。 3. 主桁横向中心距 9(10)米,车行道净宽 8(9)米。 4. 钢材为 16MnQ345。 5. 杆件截面为板件焊成的 H 形,杆件间通过节点板用高强螺栓连接。 6. 桥面板厚 12cm,桥面铺装层厚 8cm。 二 设计步骤 2.1 上部构造布置及尺寸初步拟定 杆件断面尺寸与几何特性 杆件编号 截面尺寸(mm) 几何特性 (惯距 mm4,面积 mm2) 下弦 25120mm2 izz 0.32460*10^9 iyy 0.98996*10^9 上弦 28672mm2 izz 0.38948*10^9 iyy 0.11436*10^10 420x16 460 460 460x20 412x16 460 460 460x24 - 2 - 斜杆 23440mm2 izz 0.32451*10^9 iyy 0.96526*10^9 斜风撑 19856mm2 izz 0.25962*10^9 iyy 0.80418*10^9 竖杆 17936mm2 izz 0.17073*10^9 iyy 0.70951*10^9 纵梁 11776mm2 izz 0.21398*10^8 iyy 0.43453*10^9 4 2 0 x 1 2 4 6 0 4 6 0 4 6 0 x 2 0 4 2 8 x 1 2 4 6 0 4 6 0 4 6 0 x 1 6 4 2 8 x 1 2 4 0 0 4 0 0 x 1 6 2 0 0 4 4 8 x 1 2 4 8 0 2 0 0 x 1 6 - 3 - 横梁 23840mm2 izz 0.10936*10^9 iyy 0.36066*10^10 2.2 Ansys结构建模 将桥梁结构划分成若干个单元组成的离散结构体系;各桁架杆件采用beam4 刚结梁单元建模。具体步骤如下: 1、根据所拟定的尺寸建立桥梁结构模型; 2、确定作用在结构单元节点上的荷载; 3、确定结构边界上的约束,包括力边界条件和位移边界条件; 4、求解。 其中模型建立的主要命令如下: 2.2.1 分析杆件截面特性 对各个桁架杆件的截面特性进行分析并输入数据。参考资料定出桥梁各杆件的截面几何尺寸,在 ANSYS 中使用命令路径: Preprocessor/sections/Beam/Common Sections 并输入几何数值,可得出各个不同截面的截面特性。 本训练可以简化每种类型杆件统一用一种截面尺寸也可。 2.2.2定义截面类型 在 ANSYS 中,是使用r 命令来对截面类型进行定义的,其命令格式为: r,1,a,izz,iyy,z,y,theta,istrn,ixx,shearz,sheary,spin,addmas 其中: l -截面类型编号,从 1,2,320 920x 12 960 320x 20 - 4 - 直至n 个不同截面; a -截面面积; izz,iyy...

1、当您付费下载文档后,您只拥有了使用权限,并不意味着购买了版权,文档只能用于自身使用,不得用于其他商业用途(如 [转卖]进行直接盈利或[编辑后售卖]进行间接盈利)。
2、本站所有内容均由合作方或网友上传,本站不对文档的完整性、权威性及其观点立场正确性做任何保证或承诺!文档内容仅供研究参考,付费前请自行鉴别。
3、如文档内容存在违规,或者侵犯商业秘密、侵犯著作权等,请点击“违规举报”。

碎片内容

ANSYS桥梁建模与恒载内力计算说明书

您可能关注的文档

小辰3+ 关注
实名认证
内容提供者

出售各种资料和文档

相关文档

确认删除?
VIP
微信客服
  • 扫码咨询
会员Q群
  • 会员专属群点击这里加入QQ群
客服邮箱
回到顶部