电脑桌面
添加小米粒文库到电脑桌面
安装后可以在桌面快捷访问

APT工艺简介及其市场概况

APT工艺简介及其市场概况_第1页
1/7
APT工艺简介及其市场概况_第2页
2/7
APT工艺简介及其市场概况_第3页
3/7
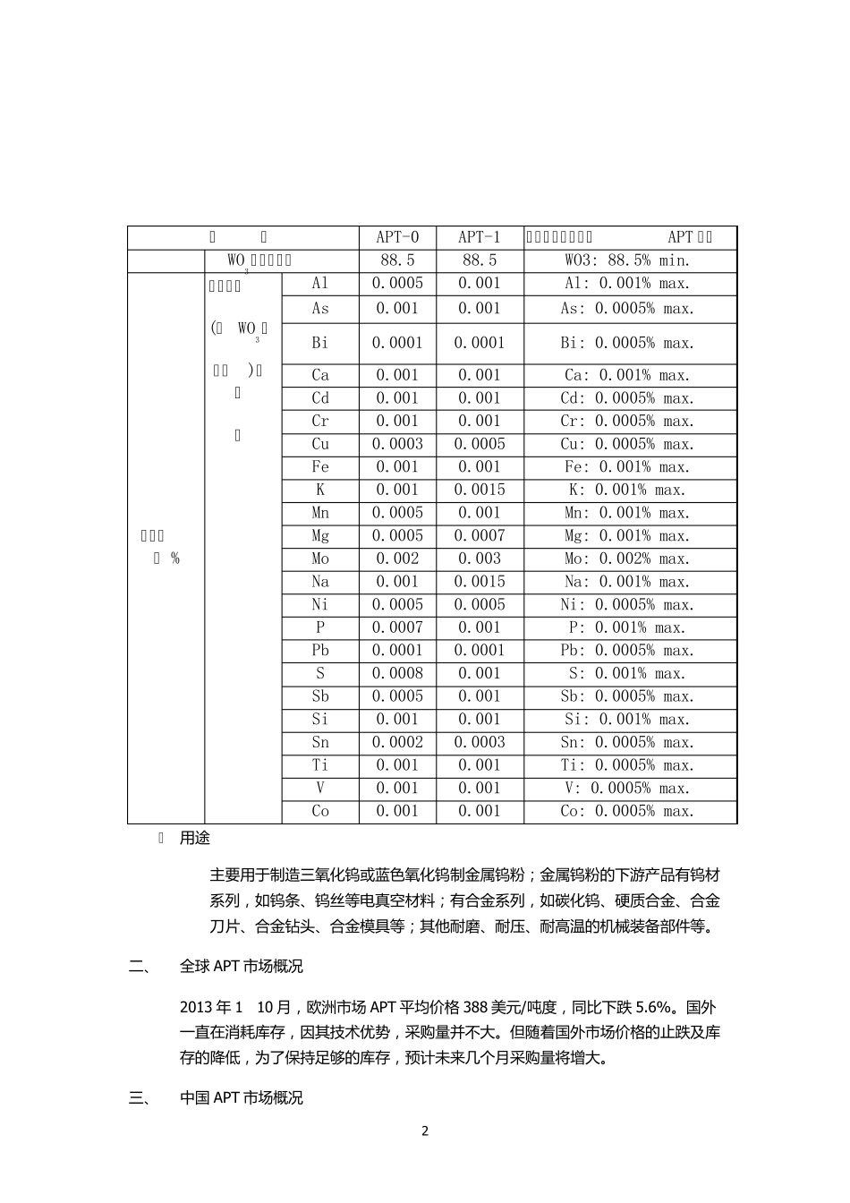
1 APT 工 艺 简 介及其市场概况 一 、 产品概况 ① 产品概述:APT 是钨行业的主要原料,从某种意义上说,它是一 种提纯了的钨精矿,也就是把含三氧化钨 60%左右的钨精矿提纯到了含三氧化钨 88.5%以上的钨中间制品。在钨的最终应用产品上,70%以上是以 APT 为主原料的,其余则用钨铁、偏钨、钨酸以及废钨等。 ② 生产工艺:生产工艺原理根据所用钨精矿的种类及所含杂质成分的不同,可采用以下几种工艺生产仲钨酸铵: 1. 黑钨精矿高压碱煮(烧碱)-离子交换-蒸发结晶法; 2. 黑钨精矿高压碱煮(烧碱)-溶剂萃取-蒸发结晶法; 3. 白钨精矿苏打压煮-离子交换-蒸发结晶法; 4. 白钨精矿苏打压煮-溶剂萃取-蒸发结晶法; 5. 白钨精矿烧碱氟盐压煮-离子交换-蒸发结晶法; 6. 白钨精矿烧碱氟盐压煮-溶剂萃取-蒸发结晶法; 7. 白钨精矿盐酸分解-氨溶-蒸发结晶法; 其中离子交换法是被我国目前 APT 工厂广泛使用的一 种生产方法,其原料可以是黑钨精矿、黑白混合钨精矿(一 般工艺上要求 Ca 含量控制在 8%以下)、粗制钨酸及钨酸钠,约有 10%的 APT 是用钨精矿以外的原料制成的。产品质量绝大多数能达到国标 0 级品 APT 要求。部分 APT 厂家由于使用优质钨原料或者独特控制工艺,在 APT 的物理性能有所突破,主要体现在晶形、晶貌以及粒度方面。 离子交换法的一 个主要缺陷就是废水排放量大,环保压力是我国现有 APT工厂普遍面临的一 个重大问题。目前,国内有二所高校在 APT 的制作工艺上有创新,一 是江西理工大学的“白钨矿不变体系闭路循环冶炼工艺”,二是中南大学的萃取法处理低品位钨矿的冶炼工艺。这两种工艺项目分别在江西赣州及河南栾川投入工业试验。 ③ 国际标准 国标与稀有金属协会欧洲标准对比表 2 牌 号 APT-0 APT-1 稀有金属协会欧洲APT 标准 WO3含量不小于 88.5 88.5 WO3: 88.5% min. 化学成分 % 杂质含量 (以 WO3为 基准)不大 于 Al 0.0005 0.001 Al: 0.001% max. As 0.001 0.001 As: 0.0005% max. Bi 0.0001 0.0001 Bi: 0.0005% max. Ca 0.001 0.001 Ca: 0.001% max. Cd 0.001 0.001 Cd: 0.0005% max. Cr 0.001 0.001 Cr: 0.0005% max. Cu 0.0003 0.0005 Cu: 0.0005% max. Fe 0.001 0.001 Fe: 0.001% max. K 0.001 0.0015 K: 0.001% max. Mn 0.0005 0.001 Mn: 0.001% max. Mg 0.0005 0.0007 Mg: ...

1、当您付费下载文档后,您只拥有了使用权限,并不意味着购买了版权,文档只能用于自身使用,不得用于其他商业用途(如 [转卖]进行直接盈利或[编辑后售卖]进行间接盈利)。
2、本站所有内容均由合作方或网友上传,本站不对文档的完整性、权威性及其观点立场正确性做任何保证或承诺!文档内容仅供研究参考,付费前请自行鉴别。
3、如文档内容存在违规,或者侵犯商业秘密、侵犯著作权等,请点击“违规举报”。

碎片内容

APT工艺简介及其市场概况

您可能关注的文档

确认删除?
VIP
微信客服
  • 扫码咨询
会员Q群
  • 会员专属群点击这里加入QQ群
客服邮箱
回到顶部