电脑桌面
添加小米粒文库到电脑桌面
安装后可以在桌面快捷访问

at89s51中文数据手册

at89s51中文数据手册_第1页
1/23
at89s51中文数据手册_第2页
2/23
at89s51中文数据手册_第3页
3/23
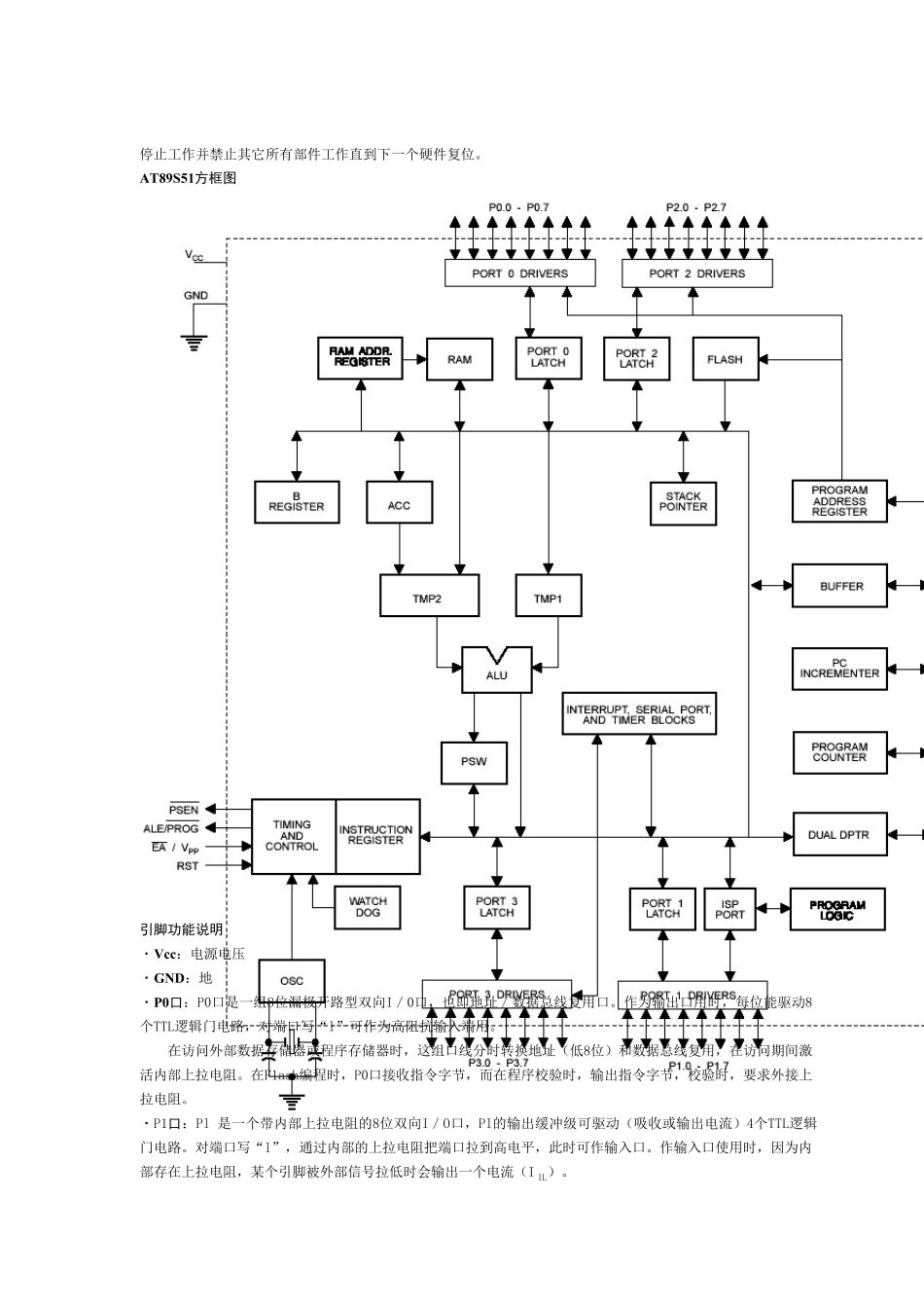
AT89S51中文资料 AT89S51是美国ATMEL公司生产的低功耗,高性能CMOS8位单片机,片内含4k bytes的可系统编程的Flash只读程序存储器,器件采用ATMEL公司的高密度、非易失性存储技术生产,兼容标准8051指令系统及引脚。它集Flash程序存储器既可在线编程(ISP)也可用传统方法进行编程及通用8位微处理器于单片芯片中,ATMEL公司的功能强大,低价位AT89S51单片机可为您提供许多高性价比的应用场合,可灵活应用于各种控制领域。 主要性能参数: ·与MCS-51产品指令系统完全兼容 ·4k字节在系统编程(ISP)Flash闪速存储器 ·1000次擦写周期 ·4.0-5.5V的工作电压范围 ·全静态工作模式:0Hz-33MHz ·三级程序加密锁 ·128×8字节内部RAM ·32个可编程I/O口线 ·2个16位定时/计数器 ·6个中断源 ·全双工串行UART通道 ·低功耗空闲和掉电模式 ·中断可从空闲模唤醒系统 ·看门狗(WDT)及双数据指针 ·掉电标识和快速编程特性 ·灵活的在系统编程(ISP字节或页写模式) 功能特性概述: AT89S51 提供以下标准功能:4k 字节Flash 闪速存储器,128字节内部RAM,32个I/O 口线,看门狗(WDT),两个数据指针,两个16 位定时/计数器,一个5 向量 两级中断结 构 ,一个全双工串行通信 口,片内振 荡 器及时钟 电路 。同 时,AT89S51可降 至 0Hz的静态逻 辑 操 作,并 支 持 两种软 件可选 的节电工作模式。空闲方式停 止 CPU的工作,但 允 许RAM,定时/计数器,串行通信 口及中断系统继 续 工作。掉电方式保 存RAM 中的内容,但 振 荡 器停止工作并禁止其它所有部件工作直到下一个硬件复位。 AT89S51方框图 引脚功能说明 ·Vcc:电源电压 ·GND:地 ·P0口:P0口是一组8位漏极开路型双向I/0口,也即地址/数据总线复用口。作为输出口用时,每位能驱动8个TTL逻辑门电路,对端口写“l”可作为高阻抗输入端用。 在访问外部数据存储器或程序存储器时,这组口线分时转换地址(低8位)和数据总线复用,在访问期间激活内部上拉电阻。在F1ash编程时,P0口接收指令字节,而在程序校验时,输出指令字节,校验时,要求外接上拉电阻。 ·P1口:Pl 是一个带内部上拉电阻的8位双向I/O口,Pl的输出缓冲级可驱动(吸收或输出电流)4个TTL逻辑门电路。对端口写“l”,通过内部的上拉电阻把端口拉到高电平,此时可作输入口。作输入口使用时,因为内部存在上拉电阻,某个引脚被外部信号拉低时会输出一个电...

1、当您付费下载文档后,您只拥有了使用权限,并不意味着购买了版权,文档只能用于自身使用,不得用于其他商业用途(如 [转卖]进行直接盈利或[编辑后售卖]进行间接盈利)。
2、本站所有内容均由合作方或网友上传,本站不对文档的完整性、权威性及其观点立场正确性做任何保证或承诺!文档内容仅供研究参考,付费前请自行鉴别。
3、如文档内容存在违规,或者侵犯商业秘密、侵犯著作权等,请点击“违规举报”。

碎片内容

at89s51中文数据手册

小辰5+ 关注
实名认证
内容提供者

出售各种资料和文档

相关文档

确认删除?
VIP
微信客服
  • 扫码咨询
会员Q群
  • 会员专属群点击这里加入QQ群
客服邮箱
回到顶部