电脑桌面
添加小米粒文库到电脑桌面
安装后可以在桌面快捷访问

AU(MAU)型螺旋桨型值(图谱)

AU(MAU)型螺旋桨型值(图谱)_第1页
1/6
AU(MAU)型螺旋桨型值(图谱)_第2页
2/6
AU(MAU)型螺旋桨型值(图谱)_第3页
3/6
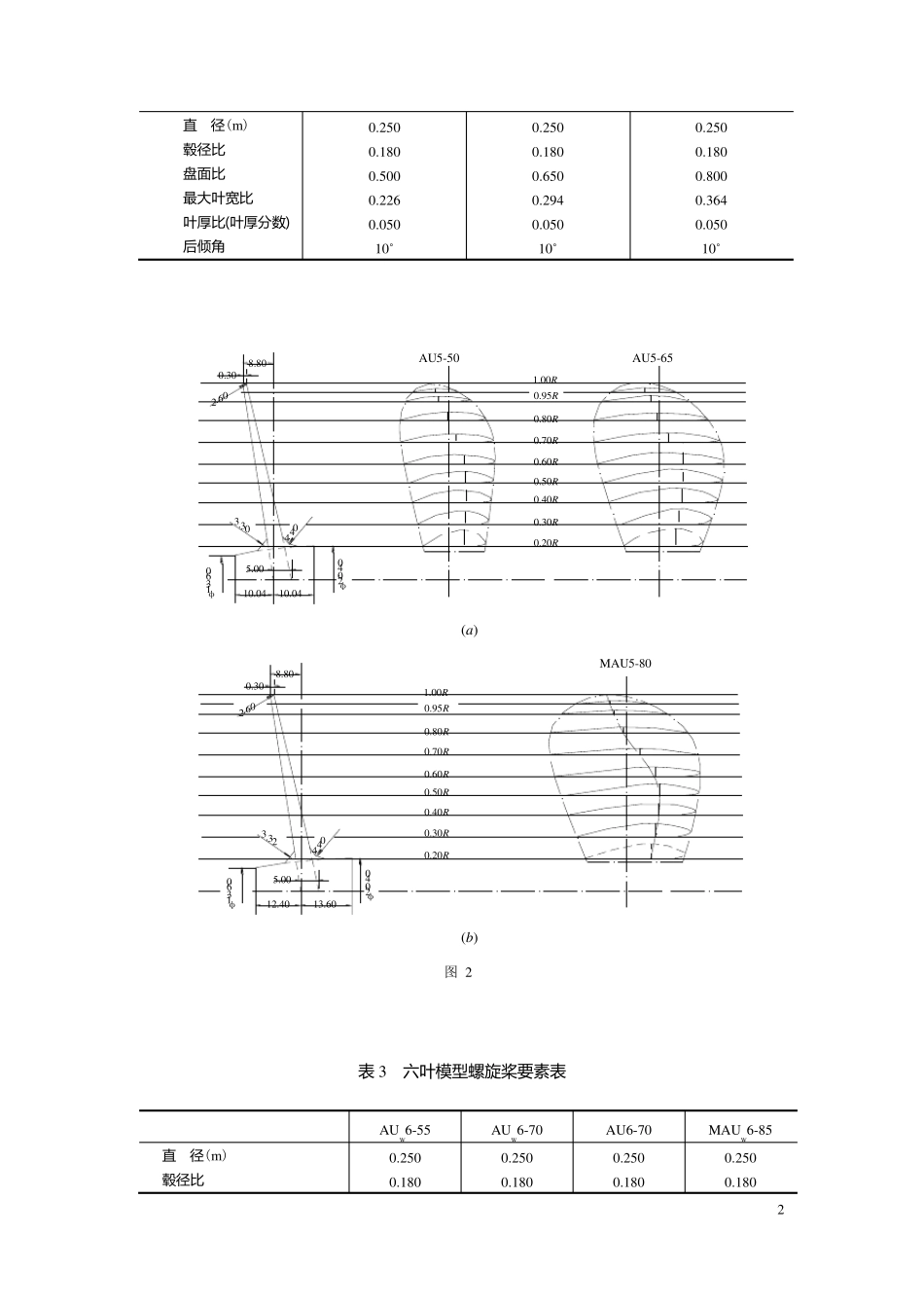
1 表 1 四 叶 模 型 螺 旋 桨 要 素 表 MAU4-40 MAU4-55 MAU4-70 直 径 (m) 毂 径 比 盘 面 比 最 大 叶 宽 比 平 均 叶 宽 比 叶 厚 比 后 倾 角 0.250 0.180 0.400 0.226 0.192 0.050 10˚ 0.250 0.180 0.550 0.311 0.263 0.050 10˚ 0.250 0.180 0.700 0.398 0.050 10˚ 表 2 五 叶 模 型 螺 旋 桨 要 素 表 AU5-50 AU5-65 MAU5-80 (b)(a)MAU4-700.70R0.50R0.30R0.20R1.00R0.95R0.80R0.60R0.40R8.800.30φ20.4013.405.0014.80φ13.604.403.322.602.603.304.40φ13.4010.045.0010.04φ20.400.308.800.30R0.50R0.70R0.90RMAU4-55MAU4-401.00R图 1 2 直 径 (m) 毂 径 比 盘 面 比 最 大 叶 宽 比 叶 厚 比 (叶 厚 分 数 ) 后 倾角 0.250 0.180 0.500 0.226 0.050 10˚ 0.250 0.180 0.650 0.294 0.050 10˚ 0.250 0.180 0.800 0.364 0.050 10˚ 表 3 六叶 模型螺旋桨要素表 AUW6-55 AUW6-70 AU6-70 MAUW6-85 直 径 (m) 毂 径 比 0.250 0.180 0.250 0.180 0.250 0.180 0.250 0.180 0.40R0.60R0.80R0.95R1.00R0.20R0.30R0.50R0.70R(b)(a)MAU5-800.70R0.50R0.30R0.20R1.00R0.95R0.80R0.60R0.40R8.800.30φ20.4012.405.0013.60φ13.604.403.322.602.603.304.40φ13.6010.045.0010.04φ20.400.308.80AU5-65AU5-50图 2 3 盘 面 比 最 大 叶 宽 比 叶 厚 比 后 倾 角 叶 片 剖 面 后 缘 有 一定翘度 0.550 0.208 0.050 10˚ 有 0.700 0.264 0.050 10˚ 有 0.700 0.264 0.050 10˚ 无 0.850 0.322 0.050 10˚ 有 表 4 AU 型螺旋桨桨叶 轮廓的尺寸表 叶 片 宽 度 以最 大 叶 片 宽 度的 %表 示 r/R 0.2 0.3 0.4 0.5 0.6 0.66 0.7 0.8 0.9 0.95 1.0 叶 片 最 大 宽 度 在 0.66 处 = 0.226 D·aE/0.1Z, D 为螺旋桨直径 aE : 为盘 面 比 Z : 为叶 数 从母线到 叶 片 随边 的距离 27.96 33.45 38.76 43.54 47.96 49.74 51.33 52.39 48.49 42.07 17.29 从母线到 叶 片 导边 的距离 38.58 44.25 48.32 50.80 51.15 50.26 48.31 40.53 25.13 13.55 0.70R0.50R0.30R1.00R0.90RAU 6-70AU 6-700.90R1.00R0.30R0.50R0.70R(b)(a)MAU 6-858.800.30φ20.4012.405.0013.60φ13.604...

1、当您付费下载文档后,您只拥有了使用权限,并不意味着购买了版权,文档只能用于自身使用,不得用于其他商业用途(如 [转卖]进行直接盈利或[编辑后售卖]进行间接盈利)。
2、本站所有内容均由合作方或网友上传,本站不对文档的完整性、权威性及其观点立场正确性做任何保证或承诺!文档内容仅供研究参考,付费前请自行鉴别。
3、如文档内容存在违规,或者侵犯商业秘密、侵犯著作权等,请点击“违规举报”。

碎片内容

AU(MAU)型螺旋桨型值(图谱)

您可能关注的文档

确认删除?
VIP
微信客服
  • 扫码咨询
会员Q群
  • 会员专属群点击这里加入QQ群
客服邮箱
回到顶部