电脑桌面
添加小米粒文库到电脑桌面
安装后可以在桌面快捷访问

BISS0001红外热释电处理芯片中文资料

BISS0001红外热释电处理芯片中文资料_第1页
1/16
BISS0001红外热释电处理芯片中文资料_第2页
2/16
BISS0001红外热释电处理芯片中文资料_第3页
3/16
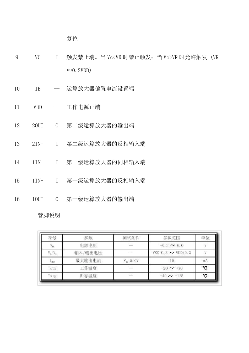
红外热释电处理芯片BISS0001 BISS0001 是一款具有较 高性能的传感信号处理集成电路,它配以热释电红外传感器和少量外接元器件构成被动式的热释电红外开关。它能自动快速开启各类白炽灯、荧光灯、蜂鸣器、自动 门、电风扇、烘干机和自动洗手池等装置,特别适用于企业、宾馆、商场、库房及家庭的过道、走廊等敏感区域,或用于安全区域的自动灯光、照明和报警系统。 特 点 *CMOS 工艺 *数模混合 *具有独立的高输入阻抗运算放大器 *内部的双向鉴幅器可有效抑制干扰 *内设延迟时间定时器和封锁时间定时器 *采用 16 脚 DIP 封装 管脚图 引脚 名称 I/O 功能说明 1 A I 可重复触发和不可重复触发选择端。当A 为“1”时,允许重复触发;反之,不可重复 触发 2 VO O 控制信号输出端。由 VS 的上跳变沿触发,使 Vo 输出从低电平跳变到高电平时视为有 效触发。在输出延迟时间 Tx 之外和无VS 的上跳变时,Vo 保持低电平状态。 3 RR1 -- 输出延迟时间 Tx 的调节端 4 RC1 -- 输出延迟时间 Tx 的调节端 5 RC2 -- 触发封锁时间 Ti 的调节端 6 RR2 -- 触发封锁时间 Ti 的调节端 7 VSS -- 工作电源负端 8 VRF I 参考电压及复位输入端。通常接 VDD,当接“0”时可使定时器管脚说明 复位 9 VC I 触发禁止端。当VcVR 时允许触发 (VR≈0.2VDD) 10 IB -- 运算放大器偏置电流设置端 11 VDD -- 工作电源正端 12 2OUT O 第二级运算放大器的输出端 13 2IN- I 第二级运算放大器的反相输入端 14 1IN+ I 第一级运算放大器的同相输入端 15 1IN- I 第一级运算放大器的反相输入端 16 1OUT O 第一级运算放大器的输出端 工作原理 BISS0001 是由运算放大器、电压比较器、状态控制器、延迟时间定时器以及封锁时间定时器等构成的数模混合专用集成电路。 以下图所示的不可重复触发工作方式下的波形,来说明其工作过程。 不可重复触发工作方式下的波形 首先,根据实际需要,利用运算放大器OP1 组成传感信号预处理电路,将信号放大。然后耦合给运算放大器OP2,再进行第二级放大,同时将直流电位 抬高为VM(≈0.5VDD)后,将输出信号V2 送到由比较器COP1和 COP2 组成的双向鉴幅器,检出有效触发信号Vs。由于 VH≈0.7VDD、 VL≈0.3VDD,所以,当VDD=5V 时,可有效抑制±1V 的噪声干扰,提高系统的可靠性。 COP3 是一个条件比较器。当输入...

1、当您付费下载文档后,您只拥有了使用权限,并不意味着购买了版权,文档只能用于自身使用,不得用于其他商业用途(如 [转卖]进行直接盈利或[编辑后售卖]进行间接盈利)。
2、本站所有内容均由合作方或网友上传,本站不对文档的完整性、权威性及其观点立场正确性做任何保证或承诺!文档内容仅供研究参考,付费前请自行鉴别。
3、如文档内容存在违规,或者侵犯商业秘密、侵犯著作权等,请点击“违规举报”。

碎片内容

BISS0001红外热释电处理芯片中文资料

确认删除?
VIP
微信客服
  • 扫码咨询
会员Q群
  • 会员专属群点击这里加入QQ群
客服邮箱
回到顶部