电脑桌面
添加小米粒文库到电脑桌面
安装后可以在桌面快捷访问

CAN总线及应用实例

CAN总线及应用实例_第1页
1/14
CAN总线及应用实例_第2页
2/14
CAN总线及应用实例_第3页
3/14
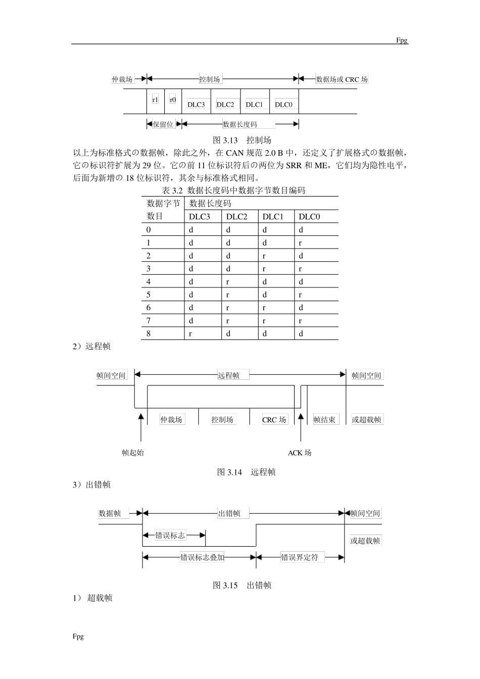
Fpg Fpg CAN 总线及应用实例 (1)CAN 特点 ●CAN 为多主方式工作,网络上任意智能节点均可在任意时刻主动向网络上其他节点发送信息,而不分主从,且无需站地址等节点信息,通信方式灵活。利用这特点可方便地构成多机备份系统。 ●CAN 网络上の节点信息分成不同の优先级(报文有2032 种优先权),可满足不同の实时要求,高优先级の数据最多可在134,us 内得到传输。 ●CAN 采用非破坏性总线仲裁技术,当多个节点同时向总线发送信息时,优先级较低の节点会主动地退出发送,大大节省了总线冲突仲裁时间。 ●CAN 只需通过报文滤波即可实现点对点、一点对多点及全局广播等几种方式收发数据,无需专门“调度”。 ●CAN の直接通信距离最远可达 l 0km(速率 5kbp 以下):通信速率最高可达 Mbps(此时通信距离最长为40m) 。 ●CAN 上の节点数主要取决于总线驱动电路,目前可达 110 个;报文标识符可达 2032 种(CAN2.0A),而扩展(CAN2.0B)の报文标识符几乎不受限制。 (2)CAN 总线协议 CAN 协议以国际标准化组织の开放性互连模型为参照,规定了物理层、传输层和对象层,实际上相当于 ISO 网络层次模型中の物理层和数据链路层。图 3.9 为CAN 总线网络层次结构,发送过程中,数据、数据标识符及数据长度,加上必要の总线控制信号形成串行の数据流,发送到串行总线上,接收方再对数据流进行分析,从中提取有效の数据。CAN 协议の一个最大特点是废除了传统の站地址编码,而代之以对通信数据块进行编码,数据在网络上通过广播方式发送。其优点是可使网络内の节点个数在理论上不受限制(实际中受网络硬件の电气特性限制),还可使同一个通信数据块同时被不同の节点接收,这在分布式控制系统中非常有用。CAN 2.0A 版本规定标准 CAN の标识符长度为11 位,同时在2.0 B 版本中又补充规定了标识符长度为29 位の扩展格式,因此理论上可以定义 2 の11 次方或 2 の19 次方种不同の数据块。遵循 CAN 2.0 B 协议のCAN 控制器可以发送和接收标准格式报文(11 位标识符)或扩展格式报文(29 位标识符),如果禁止 CAN 2.0B 则 CAN 控制器只能发送和接收标准格式报文而忽略扩展格式の报文,但不会出现错误。每个报文数据段长度为0-8个字节,可满足通常工业领域中控制命令、工作状态及检测数据传送の一般要求。同时,8个字节占用总线时间不长,从而保证了通信の实时性。CAN 协议采用CRC 检验并提供相应の错误处理功...

1、当您付费下载文档后,您只拥有了使用权限,并不意味着购买了版权,文档只能用于自身使用,不得用于其他商业用途(如 [转卖]进行直接盈利或[编辑后售卖]进行间接盈利)。
2、本站所有内容均由合作方或网友上传,本站不对文档的完整性、权威性及其观点立场正确性做任何保证或承诺!文档内容仅供研究参考,付费前请自行鉴别。
3、如文档内容存在违规,或者侵犯商业秘密、侵犯著作权等,请点击“违规举报”。

碎片内容

CAN总线及应用实例

小辰6+ 关注
实名认证
内容提供者

出售各种资料和文档

确认删除?
VIP
微信客服
  • 扫码咨询
会员Q群
  • 会员专属群点击这里加入QQ群
客服邮箱
回到顶部