电脑桌面
添加小米粒文库到电脑桌面
安装后可以在桌面快捷访问

DCDC功率电感选型

DCDC功率电感选型_第1页
1/6
DCDC功率电感选型_第2页
2/6
DCDC功率电感选型_第3页
3/6
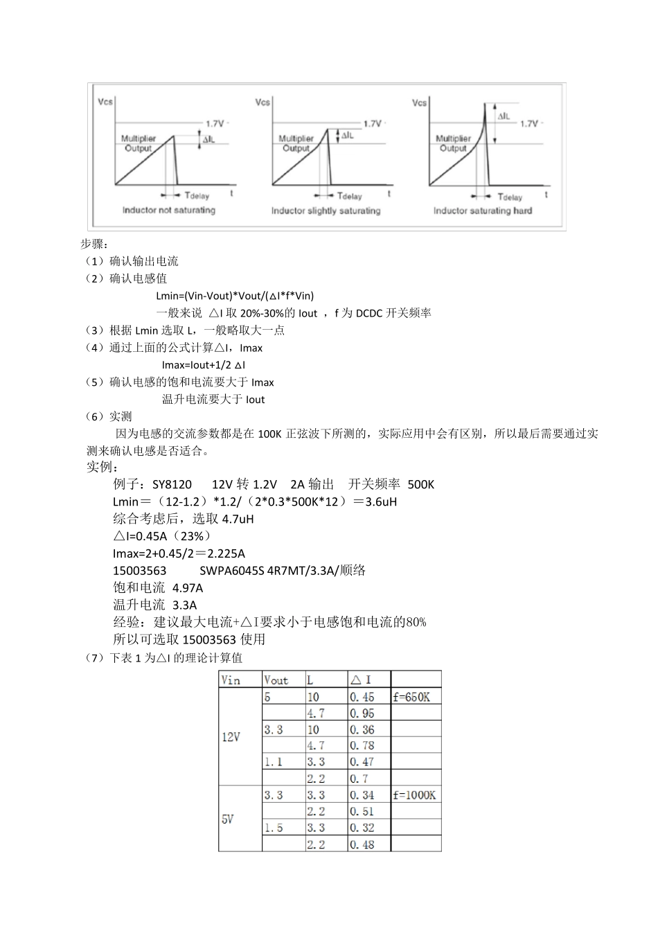
DCDC 功率电感(Indu ctor)选型 1、功率电感分类 2、电感主要参数 3 、DCDC 感量计算 电感过小— — 输出纹波大 电感过大— — 动态响应不好, 电感太大,太小可能会改变 DCDC 的工作模式 电感饱和后,电流会急剧增加,使电感温度升高,同时会影响其它元件的寿命 步骤: (1)确认输出电流 (2)确认电感值 Lmin=(Vin-Vout)*Vout/(△I*f*Vin) 一般来说 △I 取 20%-30%的 Iout ,f 为 DCDC 开关频率 (3)根据 Lmin 选取 L,一般略取大一点 (4)通过上面的公式计算△I,Imax Imax=Iout+1/2 △I (5)确认电感的饱和电流要大于 Imax 温升电流要大于 Iout (6)实测 因为电感的交流参数都是在 100K 正弦波下所测的,实际应用中会有区别,所以最后需要通过实测来确认电感是否适合。 实例: 例子:SY8120 12V 转 1.2V 2A 输出 开关频率 500K Lmin=(12-1.2)*1.2/(2*0.3*500K*12)=3.6uH 综合考虑后,选取 4.7uH △I=0.45A(23%) Imax=2+0.45/2=2.225A 15003563 SWPA6045S 4R7MT/3.3A/顺络 饱和电流 4.97A 温升电流 3.3A 经验:建议最大电流+△I要求小于电感饱和电流的80% 所以可选取 15003563 使用 (7)下表 1 为△I 的理论计算值 4 、感值标注、常见封装 5、 某电感型号表

1、当您付费下载文档后,您只拥有了使用权限,并不意味着购买了版权,文档只能用于自身使用,不得用于其他商业用途(如 [转卖]进行直接盈利或[编辑后售卖]进行间接盈利)。
2、本站所有内容均由合作方或网友上传,本站不对文档的完整性、权威性及其观点立场正确性做任何保证或承诺!文档内容仅供研究参考,付费前请自行鉴别。
3、如文档内容存在违规,或者侵犯商业秘密、侵犯著作权等,请点击“违规举报”。

碎片内容

DCDC功率电感选型

小辰+ 关注
实名认证
内容提供者

出售各种文档和资料

相关文档

确认删除?
VIP
微信客服
  • 扫码咨询
会员Q群
  • 会员专属群点击这里加入QQ群
客服邮箱
回到顶部