电脑桌面
添加小米粒文库到电脑桌面
安装后可以在桌面快捷访问

DSK1T801一体机快速操作手册V1.0

DSK1T801一体机快速操作手册V1.0_第1页
1/15
DSK1T801一体机快速操作手册V1.0_第2页
2/15
DSK1T801一体机快速操作手册V1.0_第3页
3/15
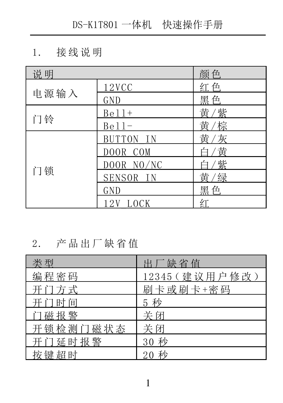
DS-K1T801 一体机 快速操作手册 UD.6L0106B0222A01 DS-K1T801 一体机 快速操作手册 1 1. 接 线 说 明 2. 产 品 出 厂 缺 省 值 类 型 出 厂 缺 省 值 编 程 密 码 12345( 建 议 用 户 修 改 ) 开 门 方 式 刷 卡 或 刷 卡 +密 码 开 门 时 间 5 秒 门 磁 报 警 关 闭 开 锁 检 测 门 磁 状 态 关 闭 开 门 延 时 报 警 30 秒 按 键 超 时 20 秒 说 明 颜 色 电 源 输 入 12VCC 红 色 GND 黑 色 门 铃 Bell+ 黄 /紫 Bell- 黄 /棕 门 锁 BUTTON_IN 黄 /灰 DOOR_COM 白 /黄 DOOR_NO/NC 白 /紫 SENSOR_IN 黄 /绿 GND 黑 色 12V_LOCK 红 DS-K1T801 一体机 快速操作手册 2 说明:以下指令提示音不包括刷卡按键声 3. 声光显示 3.1. 正常工作状态下: 有效指令:两声快速滴音 无效指令:三声缓慢滴音 3.2. 编程状态下: 绿色灯快速闪烁 有效指令:两声快速滴音 无效指令:三声缓慢滴音 4. 清除指令中未完成的有效数据: 在键入指令没有全部完成前,按下[*]键,可以清除未完成的有效数据。 5. 功 能 及 设 置 5.1. 进 入编程: [5 位编程密 码 ]+[*]+[0]+[#]两声快速滴音,绿灯由 慢闪变 快闪。 说明:5 位 编程密 码 缺 省 :12345。 5.2. 退 出 编程状态: [*]+[#]两声快速滴音,退 出 编程状态。 5.3. 修 改 编程密 码 :[00] [00]+[ 5 位 新 编程密 码 ]+[重 复 输 入5 位新 编程密 码 ]+[#]完成修 改 密 码 。三声缓慢滴DS-K1T801 一体机 快速操作手册 3 音,修改密码失败;两声快速滴音修改密码成功。 5.4. 添加用户有效卡:[01] 5.4.1. 单张添加 [01]+[4 位编码]+[刷卡1]+[6 位开门密码]+[#]完成添加卡。 5.4.2. 连续添加 [01]+[4 位编码] +[刷卡1]+[6 位开门密码] +[刷卡2]+[6 位开门密码] +… +[#],完成连续添加卡。 说明:1)4 位编码:是0001— 3000 之 间 不 可重 复 数 字 。该 编码是在 卡丢 失后 删 除卡的 重 要 方 式 ,请 发 卡人 员 妥 善 保 存卡编码。连续设 置 有效卡时 ,每 张卡的 编码按 前 一张卡的 编码+1 递 增 。例如 输 入 编码为 0001,再 次 读 卡时 ,再次 卡的 编码为 0002……依 次 类 推 。 2)6 位开门密码为 可 选 输...

1、当您付费下载文档后,您只拥有了使用权限,并不意味着购买了版权,文档只能用于自身使用,不得用于其他商业用途(如 [转卖]进行直接盈利或[编辑后售卖]进行间接盈利)。
2、本站所有内容均由合作方或网友上传,本站不对文档的完整性、权威性及其观点立场正确性做任何保证或承诺!文档内容仅供研究参考,付费前请自行鉴别。
3、如文档内容存在违规,或者侵犯商业秘密、侵犯著作权等,请点击“违规举报”。

碎片内容

DSK1T801一体机快速操作手册V1.0

确认删除?
VIP
微信客服
  • 扫码咨询
会员Q群
  • 会员专属群点击这里加入QQ群
客服邮箱
回到顶部