电脑桌面
添加小米粒文库到电脑桌面
安装后可以在桌面快捷访问

岩棉板外墙保温专项施工方案

岩棉板外墙保温专项施工方案_第1页
1/10
岩棉板外墙保温专项施工方案_第2页
2/10
岩棉板外墙保温专项施工方案_第3页
3/10
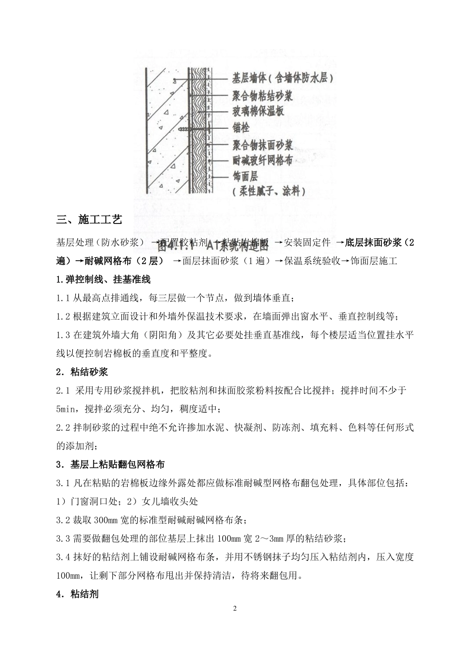
外墙岩棉板保温专项施工方案一.编制依据(1)《建设节能工程施工质量验收规范》GB50411—2007(2)《建筑工程施工质量验收统一标准》GB50300—2001(3)《建筑装饰装修工程质量验收规范》GB50201—2001(4) EN 13500《岩棉外墙外保温系统》(5)《建筑外墙外保温系统用岩棉制品》 (报批稿)(6) 《外墙外保温建筑构造图集》10J121(7) 国家、地方、行业现行法律、法规二.施工部署1.施工准备1.1 外墙抹灰基层用 1:3 防水水泥砂浆整体找平,保证基面平整度偏差不超过 3mm,并按照 GB 50210-2001《建筑装饰装修工程质量验收规范》中关于一般抹灰工程的质量要求进行验收。1.2 根据现场实际情况,首先在外墙合适位置完成样板,验收合格并后方可进行大面积施工。2.安全技术交底进场施工前,对保温施工相关人员进行现场安全技术交底工作。施工时严格按照安全技术交底要求进行。3.材料准备所有原材料进场时相关质保资料应齐全,及时上报至监理单位,验收无误后堆放在指定场地。4.系统及材料性能指标1三、施工工艺基层处理(防水砂浆) →配置胶粘剂 →粘贴岩棉板 →安装固定件 →底层抹面砂浆(2遍)→耐碱网格布(2 层) →面层抹面砂浆(1 遍)→保温系统验收→饰面层施工1.弹控制线、挂基准线1.1 从最高点排通线,每三层做一个节点,做到墙体垂直;1.2 根据建筑立面设计和外墙外保温技术要求,在墙面弹出窗水平、垂直控制线等;1.3 在建筑外墙大角(阴阳角)及其它必要处挂垂直基准线,每个楼层适当位置挂水平线以便控制岩棉板的垂直度和平整度。2.粘结砂浆2.1 采用专用砂浆搅拌机,把胶粘剂和抹面胶浆粉料按配合比搅拌;搅拌时间不少于5min,搅拌必须充分、均匀,稠度适中;2.2 拌制砂浆的过程中绝不允许掺加水泥、快凝剂、防冻剂、填充料、色料等任何形式的添加剂;3.基层上粘贴翻包网格布3.1 凡在粘贴的岩棉板边缘外露处都应做标准耐碱型网格布翻包处理,具体部位包括:1)门窗洞口处;2)女儿墙收头处3.2 裁取 300mm 宽的标准型耐碱耐碱网格布条;3.3 需要做翻包处理的部位基层上抹出 100mm 宽 2~3mm 厚的粘结砂浆;3.4 抹好的粘结剂上铺设耐碱网格布条,并用不锈钢抹子均匀压入粘结剂内,压入宽度100mm,让剩下部分网格布甩出并保持清洁,待将来翻包用。4.粘结剂24.1 在岩棉板表面上用点框结合法涂抹粘结剂;4.2 应保证粘结剂在岩棉板表面的有效粘结面积应控制在 50%且必须牢固。4.3 用不锈钢抹子在板边抹出...

1、当您付费下载文档后,您只拥有了使用权限,并不意味着购买了版权,文档只能用于自身使用,不得用于其他商业用途(如 [转卖]进行直接盈利或[编辑后售卖]进行间接盈利)。
2、本站所有内容均由合作方或网友上传,本站不对文档的完整性、权威性及其观点立场正确性做任何保证或承诺!文档内容仅供研究参考,付费前请自行鉴别。
3、如文档内容存在违规,或者侵犯商业秘密、侵犯著作权等,请点击“违规举报”。

碎片内容

岩棉板外墙保温专项施工方案

确认删除?
VIP
微信客服
  • 扫码咨询
会员Q群
  • 会员专属群点击这里加入QQ群
客服邮箱
回到顶部