电脑桌面
添加小米粒文库到电脑桌面
安装后可以在桌面快捷访问

EGSB膨胀颗粒污泥床反应器设计计算

EGSB膨胀颗粒污泥床反应器设计计算_第1页
1/8
EGSB膨胀颗粒污泥床反应器设计计算_第2页
2/8
EGSB膨胀颗粒污泥床反应器设计计算_第3页
3/8
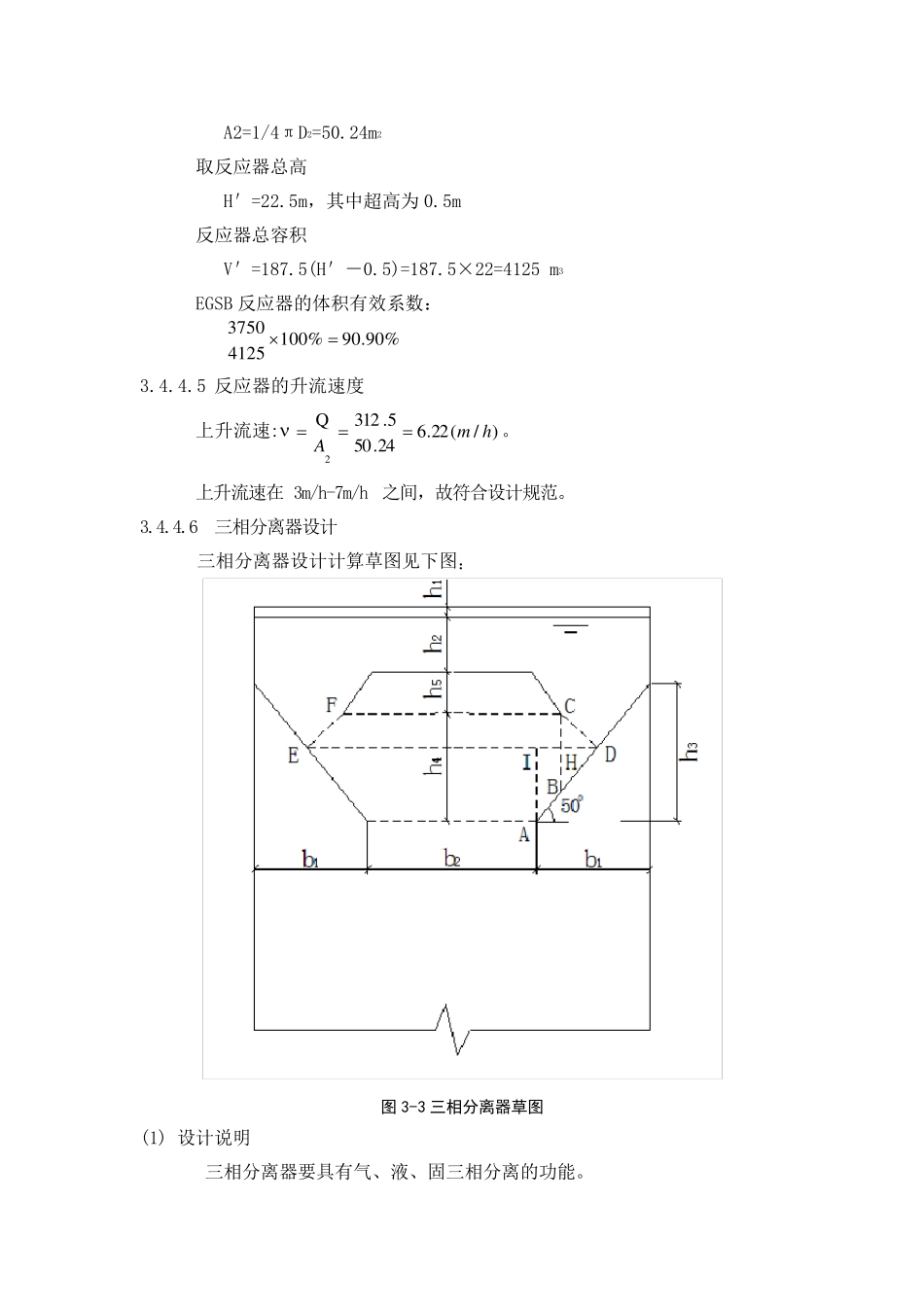
膨胀颗粒污泥床反应器(EGSB) 膨胀颗粒污泥床反应器是一种新型的高效厌氧生物反应器,是在UASB 反应器的基础上发展起来的第三代厌氧生物反应器。与UASB 反应器相比,它增加了出水再循环部分,使得反应器内的液体上升流速远远高于UASB 反应器,污水和微生物之间的接触进一步加强。正是由于这种独特的技术优势,使得它越来越多地用于有机污水的处理,并且具有较高的处理效率。 (1) EGSB 设计参数: 设计流量: Q=7500m3/d=312.5m3/h 容积负荷:8.0kg/m3·d CODcr 去除率:≥80% 停留时间:t=5h 进水COD 浓度:S0=4000mg/L 污泥产率:0.1kgMLSS/kgCOD; 产气率:0.5m3/kgCOD (2) 构筑物 设计罐体为圆形,单座尺寸:D=8m H=22.5m 结构形式: 钢筋混凝土 数 量: 4 座 EGSB 设计计算 依据《厌氧颗粒污泥膨胀床(EGSB)反应器污水处理工程技术规范》 EGSB 反应器进水应符合下列条件: a)pH 值宜为 6.5~7.8; b)常温厌氧温度宜为 20℃~25℃,中温厌氧温度宜为 30℃~35℃,高温厌氧温度宜为 50℃~55℃; c)CODCr:N:P=100~500:5:1; d)EGSB 反应器进水中悬浮物含量宜小于 2000mg/L; e)废水中氨氮 浓度宜小于 2000mg/L; f)废水中硫 酸 盐 浓度宜小于 1000mg/L 或 CODCr/SO42-比值大 于 10; g)废水中 CODcr 浓度宜为 1000mg/L~30000mg/L; h)严 格 控 制 重 金 属 、 氰 化 物、 酚 类 等 物质 进入 厌氧反应器的浓度。 因 此 根 据进水水质 和运 行 情 况 ,进行 磷 盐 、 碱 式氯 化 铝 、 三氯 化 铁 、 次 氯 酸 钠 、氢氧化钠、盐酸及微量元素的配置和投加。 因此设立加药间 选用WA-0.5A-Ⅱ型加药泵 根据设备参数,故加药间尺寸应为: 3356mhBL 3.4.4.4 EGSB 构筑物主体设计计算 参数选取: 设计流量: Q=7500m3/d=312.5m3/h 容积负荷:8.0kg/m3·d CODcr 去除率:≥80% 停留时间:t=5h 进水 COD 浓度 S0=4000mg/L 污泥产率 0.1kgMLSS/kgCOD; 产气率 0.5m3/kgCOD 设计罐体为圆形 有效容积:V有效=30375080.47500mNSQV 式中: Q - 设计流量,m3/s S0 -进水 COD 含量,mg/L Nv -容积负荷,kgCOD/(m3·d) 取反应器有效高度:h=20m 反应器面积:2m5.187203750 hVA有效, 采用4 座相同 EGSB 反应器 则每个反应器的面积A1=A/4=46.88 m2 反应器直径 取D=...

1、当您付费下载文档后,您只拥有了使用权限,并不意味着购买了版权,文档只能用于自身使用,不得用于其他商业用途(如 [转卖]进行直接盈利或[编辑后售卖]进行间接盈利)。
2、本站所有内容均由合作方或网友上传,本站不对文档的完整性、权威性及其观点立场正确性做任何保证或承诺!文档内容仅供研究参考,付费前请自行鉴别。
3、如文档内容存在违规,或者侵犯商业秘密、侵犯著作权等,请点击“违规举报”。

碎片内容

EGSB膨胀颗粒污泥床反应器设计计算

您可能关注的文档

确认删除?
VIP
微信客服
  • 扫码咨询
会员Q群
  • 会员专属群点击这里加入QQ群
客服邮箱
回到顶部