电脑桌面
添加小米粒文库到电脑桌面
安装后可以在桌面快捷访问

建筑工程施工验收统一标准

建筑工程施工验收统一标准_第1页
1/9
建筑工程施工验收统一标准_第2页
2/9
建筑工程施工验收统一标准_第3页
3/9
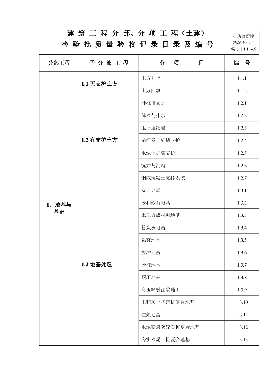
建筑工程施工验收统一标准检验批质量验收记录表地基与基础分部工程主 体 结 构 分 部 工 程建筑装饰装修分部工程建 筑 屋 面 分 部 工 程株洲市建筑工程质量监督站编二 O O 二 年 九 月建 筑 工 程 分 部、分 项 工 程(土建)检 验 批 质 量 验 收 记 录 目 录 及 编 号株质监新标统编 2002-1编号 1.1.1~4.6分部工程子 分 部 工 程分项工程土方开挖编号1.1.11.1.21.2.11.2.21.2.31.2.41.2.51.2.61.2.71.3.11.3.21.3.31.3.41.3.51.3.61.3.71.3.81.3.91.3.101.3.111.3.121.3.131.1 无支护土方土方回填排桩墙支护降水与排水地下连续墙1.2 有支护土方锚杆及土钉墙支护水泥土桩墙支护沉井与沉箱钢或混凝土支撑系统灰土地基1.地基与基础砂和砂石地基土工合成材料地基粉煤灰地基强夯地基振冲地基1.3 地基处理砂桩地基预压地基高压喷射注浆地工土和灰土挤密桩复合地基注浆地基水泥粉煤灰碎石桩复合地基夯实水泥土桩复合地基分部工程子 分 部 工 程分项工程静力压桩先张法预应力管桩编号1.4.11.4.21.4.31.4.41.4.51.5.11.5.21.5.31.5.41.5.51.5.61.5.71.5.81.5.91.5.101.5.111.5.121.5.131.5.141.5.151.4 桩基混凝土预制桩钢桩混凝土灌注桩防水混凝土水泥砂浆防水层卷材防水层涂料防水层金属板防水层塑料板防水层细部构造1.5 地下防水1.地基与基础喷锚支护复合式衬砌地下连续墙盾构法隧道渗排水、盲沟排水隧道、坑道排水预注浆、后注浆衬砌裂缝注浆1.6 混凝土基础1.7 砌体基础1.8 劲钢(管)混凝土1.9 钢结构分部工程子 分 部 工 程分项工程模板安装2.1.1 模板模板拆除原材料钢筋加工2.1.2 钢筋钢筋连接钢筋安装原材料制作与安装2.1.3 预应力编号2.1.1.12.1.1.22.1.2.12.1.2.22.1.2.32.1.2.42.1.3.12.1.3.22.1.3.32.1.3.42.1.4.12.1.4.22.1.4.32.1.5.12.1.5.22.1.6.12.1.6.22.3.12.3.22.3.32.3.42.1 混凝土结构张拉和放张灌浆及封锚原材料2.主体结构2.1.4 混凝土配合比设计混凝土施工外观质量2.1.5 现浇结构尺寸偏差预制构件2.1.6 装配式结构装配式结构施工2.2 劲钢(管)混凝土结构砖砌体混凝土小型空心砌块砌体2.3 砌体结构石砌体配筋砖砌体填充墙砌体2.3.5分部工程子 分 部 工 程分项工程钢结构焊接焊钉焊接普通紧固件连接高强度螺栓连接零件及部件加工构件组装编号2.4.12.4.22.4.32.4.42.4.52.4.62.4.72.4.82.4.92.4.102.4.112.4.122.4.132.5.12.5.22.5.32.5.42.4 ...

1、当您付费下载文档后,您只拥有了使用权限,并不意味着购买了版权,文档只能用于自身使用,不得用于其他商业用途(如 [转卖]进行直接盈利或[编辑后售卖]进行间接盈利)。
2、本站所有内容均由合作方或网友上传,本站不对文档的完整性、权威性及其观点立场正确性做任何保证或承诺!文档内容仅供研究参考,付费前请自行鉴别。
3、如文档内容存在违规,或者侵犯商业秘密、侵犯著作权等,请点击“违规举报”。

碎片内容

建筑工程施工验收统一标准

确认删除?
VIP
微信客服
  • 扫码咨询
会员Q群
  • 会员专属群点击这里加入QQ群
客服邮箱
回到顶部