电脑桌面
添加小米粒文库到电脑桌面
安装后可以在桌面快捷访问

弹簧技术指标

弹簧技术指标_第1页
1/7
弹簧技术指标_第2页
2/7
弹簧技术指标_第3页
3/7
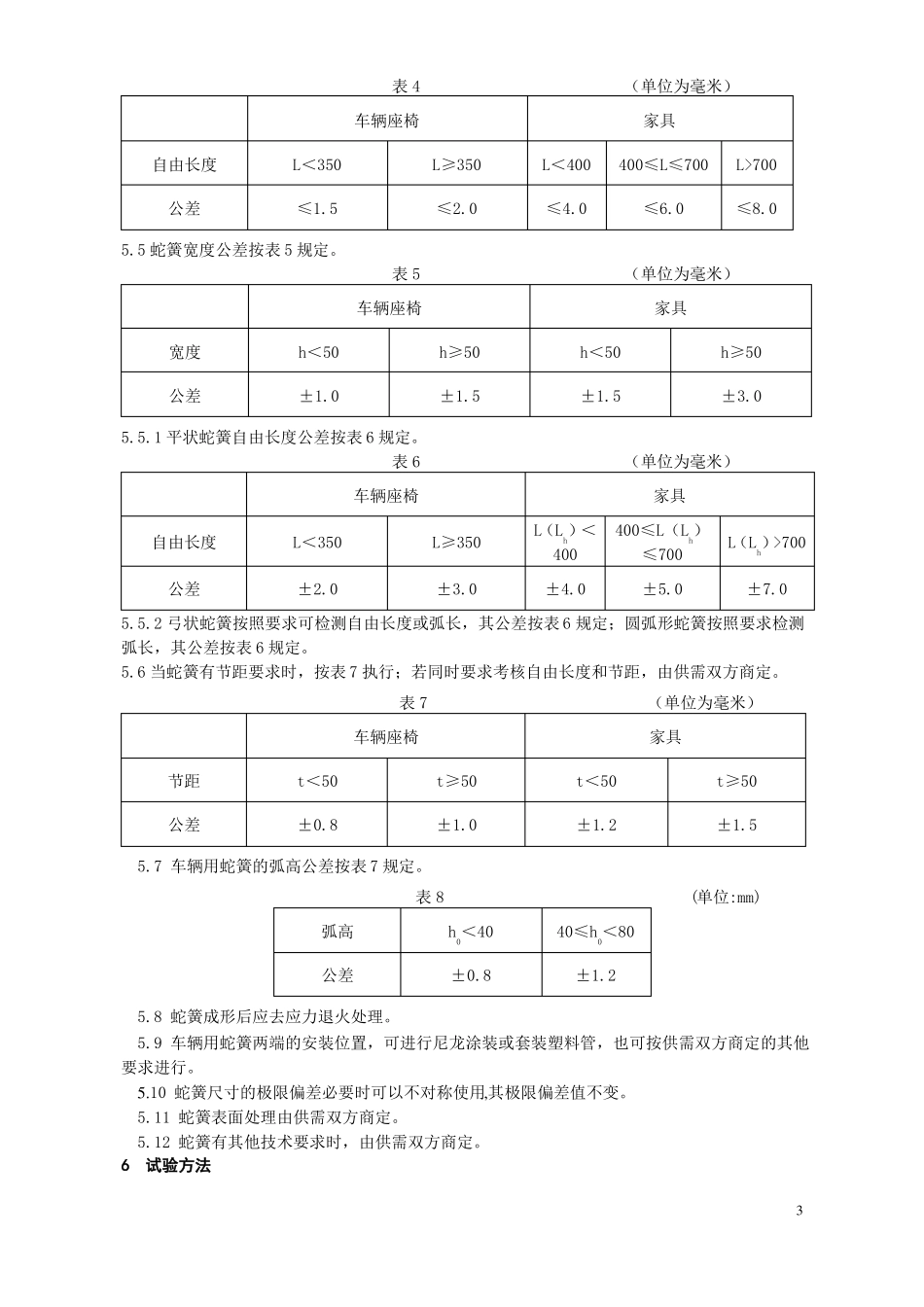
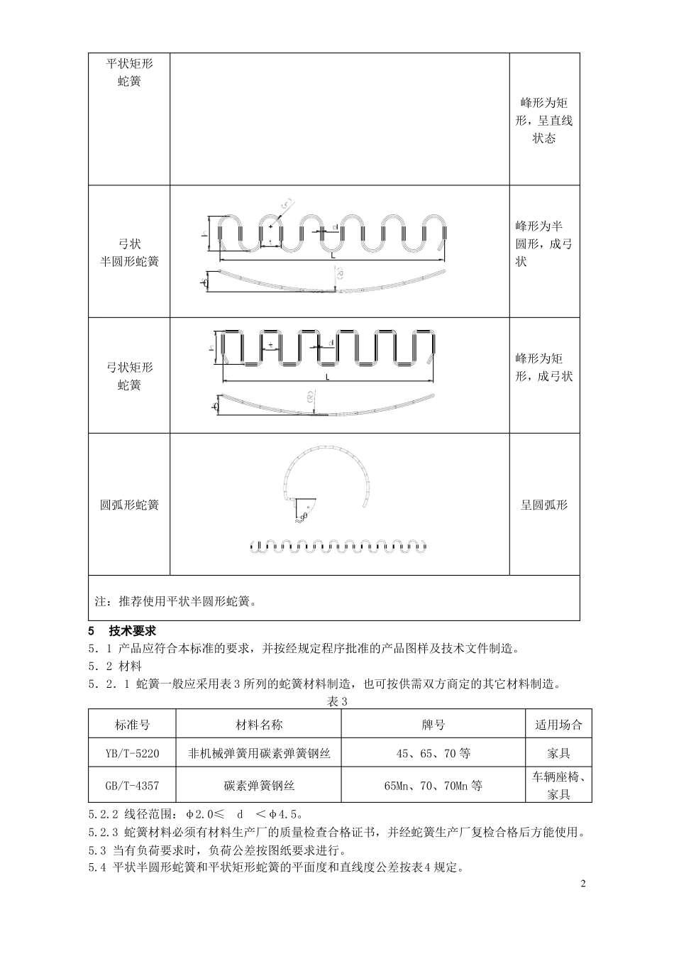
1范围本标准规定了用圆截面材料制造的蛇形弹簧的技术要求、试验方法及检验规则。本标准适用于车辆座椅,家具用蛇形弹簧(以下简称蛇簧)。2规范性引用文件下列文件中的条款通过本标准的应用而成为本标准的条款。凡是注明日期的引用文件,其随后所有的修改单(不包括勘误的内容)或修订版均不适用于本标准,然而,鼓励根据本标准达成的各方研究是否可使用这些文件的最新版本。凡是不注明日期的引用文件,其最新版本适用于本标准。GB/T 1805弹术语簧GB/T2828.1 技术抽样检验程序第1部分:按接收质量限( AQL)检索的逐批检验抽样计划(GB/T2828.1-2003,ISO 2859-1 :1999,IDT)GB/T 4357碳素弹簧钢丝YB/T 5220非机械弹簧用碳素弹簧钢丝3术语本标准使用的术语和符号应符合国标 GB/T1805 和表 1 的规定。表 1代号参数名称线径宽度自由长度节距半径峰数节距直线度平面度刚度变形量负荷弧高单位mmmmmmmmdhLrntΔ(?)Δ’ (?)F’fF——mmmmmmN/mmmmNmmmmh0弧长Lh4结构形式及参数代号见表 2。结构形式及参数代号见表 2。表 2名称平状半圆形蛇簧峰 形 为 半圆形,呈直线状态形状简图及参数代号结构形式平状矩形蛇簧峰形为矩形,呈直线状态弓状半圆形蛇簧0峰形为半圆形,成弓状弓状矩形蛇簧0峰形为矩形,成弓状≈90°圆弧形蛇簧呈圆弧形注:推荐使用平状半圆形蛇簧。5技术要求5.1 产品应符合本标准的要求,并按经规定程序批准的产品图样及技术文件制造。5.2 材料5.2.1 蛇簧一般应采用表 3 所列的蛇簧材料制造,也可按供需双方商定的其它材料制造。表 3标准号YB/T-5220GB/T-4357材料名称非机械弹簧用碳素弹簧钢丝碳素弹簧钢丝牌号45、65、70 等65Mn、70、70Mn 等适用场合家具车辆座椅、家具5.2.2 线径范围:φ2.0≤d<φ4.5。5.2.3 蛇簧材料必须有材料生产厂的质量检查合格证书,并经蛇簧生产厂复检合格后方能使用。5.3 当有负荷要求时,负荷公差按图纸要求进行。5.4 平状半圆形蛇簧和平状矩形蛇簧的平面度和直线度公差按表4 规定。2表 4(单位为毫米)自由长度公差L<350≤1.5车辆座椅L≥350≤2.0L<400≤4.0家具400≤L≤700≤6.0L>700≤8.05.5 蛇簧宽度公差按表 5 规定。表 5(单位为毫米)宽度公差h<50±1.0车辆座椅h≥50±1.5h<50±1.5家具h≥50±3.05.5.1 平状蛇簧自由长度公差按表 6 规定。表 6(单位为毫米)自由长度公差L<350±2.0车辆座椅L≥350±3.0L(Lh)<400±4.0家具400≤L(Lh)≤700±5.0L(...

1、当您付费下载文档后,您只拥有了使用权限,并不意味着购买了版权,文档只能用于自身使用,不得用于其他商业用途(如 [转卖]进行直接盈利或[编辑后售卖]进行间接盈利)。
2、本站所有内容均由合作方或网友上传,本站不对文档的完整性、权威性及其观点立场正确性做任何保证或承诺!文档内容仅供研究参考,付费前请自行鉴别。
3、如文档内容存在违规,或者侵犯商业秘密、侵犯著作权等,请点击“违规举报”。

碎片内容

弹簧技术指标

确认删除?
VIP
微信客服
  • 扫码咨询
会员Q群
  • 会员专属群点击这里加入QQ群
客服邮箱
回到顶部