电脑桌面
添加小米粒文库到电脑桌面
安装后可以在桌面快捷访问

F0电路图识图技巧及线束布置

F0电路图识图技巧及线束布置_第1页
1/19
F0电路图识图技巧及线束布置_第2页
2/19
F0电路图识图技巧及线束布置_第3页
3/19
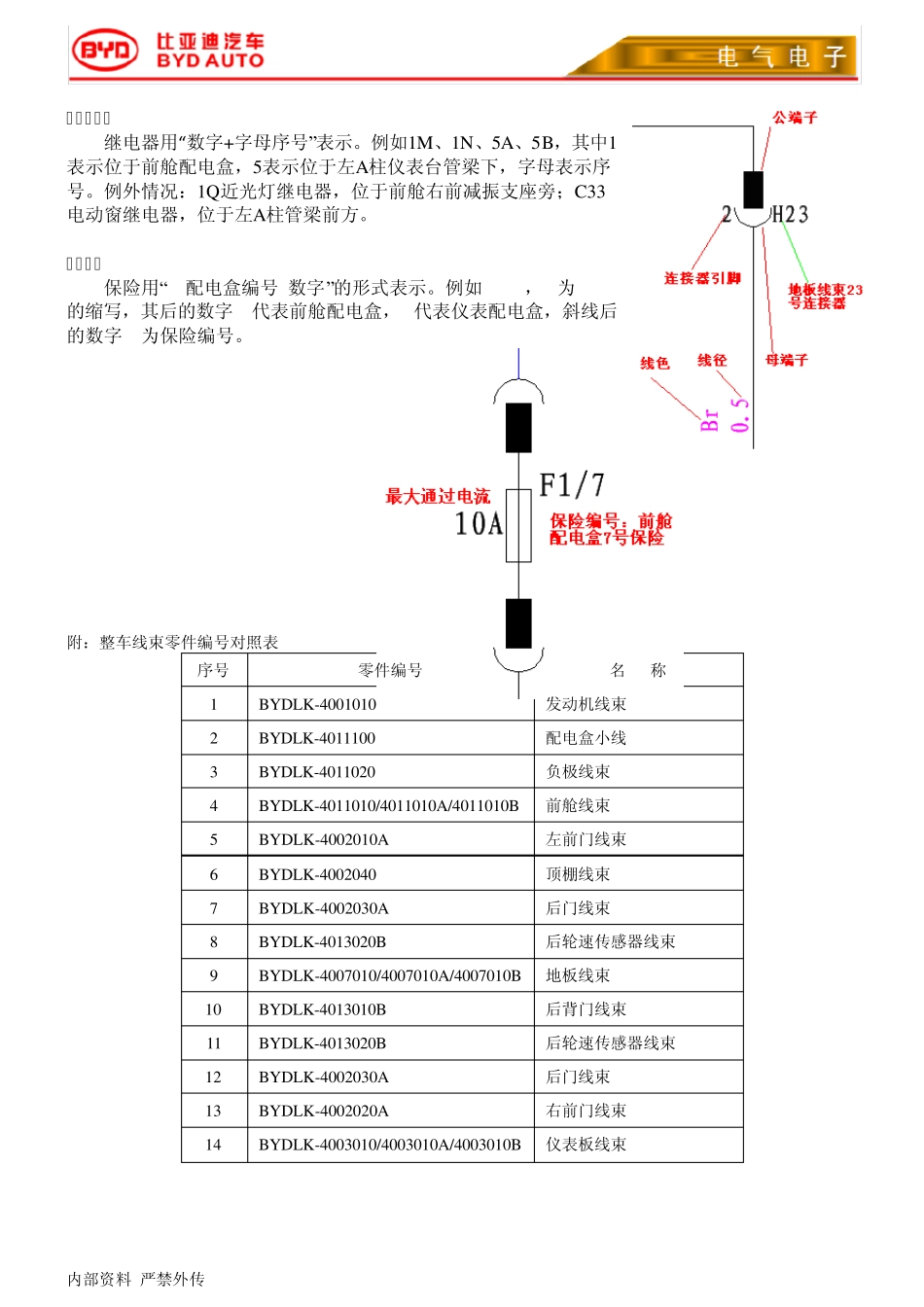
内部资料 严禁外传 F0 线束、连接器、搭铁命名规则 一、线束颜色代号 代号 颜色 代号 颜色 B Black 黑 O Orange 橙 L Blue 蓝 R Red 红 Br Brown 棕 W White 白 G Green 绿 Y Yellow 黄 Gr Gray 灰 P Pink 粉红 V Violet 紫色 二、线束名称代号 代号 线束 代号 线束 A 前舱线束 K 负极线束 B 发动机线束 Q 配电盒小线 C 仪表板线束 P 背门线束 E 左前门线束 D 右前门线束 G 左后门线束 F 右后门线束 H 地板线束 I 顶棚线束 S 左后轮速传感器线束 R 右后轮速传感器线束 三、连接器、搭铁命名规则 对于连接器,按照阿拉伯数字对每条线束上的连接器进行排序。例如A1,A2,A3„„A16。对互连连接器采取用不同线束字母代码组合后加数字的形式。例如CA1,CA2,CH1。 在特殊连接器如3A、3B、1D、1H当中,1表示前舱配电盒,3表示仪表配电盒,后边的字母表序号。 搭铁使用“W+线束代码+数字”的形式表示,例如WA1,WC1。 内部资料 严禁外传 四、继电器 继电器用“数字+字母序号” 表示。例如1M、1N、5A、5B,其中1表示位于前舱配电盒,5表示位于左A柱仪表台管梁下,字母表示序号。例外情况:1Q近光灯继电器,位于前舱右前减振支座旁;C33电动窗继电器,位于左A柱管梁前方。 五、保险 保险用“ F+配电盒编号/数字” 的形式表示。例如F1/7,F为 Fuse的缩写,其后的数字1代表前舱配电盒,2代表仪表配电盒,斜线后的数字7为保险编号。 附:整车线束零件编号对照表 序号 零件编号 名 称 1 BYDLK-4001010 发动机线束 2 BYDLK-4011100 配电盒小线 3 BYDLK-4011020 负极线束 4 BYDLK-4011010/4011010A/4011010B 前舱线束 5 BYDLK-4002010A 左前门线束 6 BYDLK-4002040 顶棚线束 7 BYDLK-4002030A 后门线束 8 BYDLK-4013020B 后轮速传感器线束 9 BYDLK-4007010/4007010A/4007010B 地板线束 10 BYDLK-4013010B 后背门线束 11 BYDLK-4013020B 后轮速传感器线束 12 BYDLK-4002030A 后门线束 13 BYDLK-4002020A 右前门线束 14 BYDLK-4003010/4003010A/4003010B 仪表板线束 内部资料 严禁外传 组合仪表及仪表配电盒端子定义 信号地(C1-17)与车身 SB 接地 常态 0 V 车速传感器(C1-22) 与车身 Y 车速信号输入 点火开关打开并且车轮缓慢转动 脉冲发生器 油泵传感器(C1-14)与车身 V 油位信号 点火开关打开且油位由高...

1、当您付费下载文档后,您只拥有了使用权限,并不意味着购买了版权,文档只能用于自身使用,不得用于其他商业用途(如 [转卖]进行直接盈利或[编辑后售卖]进行间接盈利)。
2、本站所有内容均由合作方或网友上传,本站不对文档的完整性、权威性及其观点立场正确性做任何保证或承诺!文档内容仅供研究参考,付费前请自行鉴别。
3、如文档内容存在违规,或者侵犯商业秘密、侵犯著作权等,请点击“违规举报”。

碎片内容

F0电路图识图技巧及线束布置

您可能关注的文档

小辰9+ 关注
实名认证
内容提供者

出售各种资料和文档

确认删除?
VIP
微信客服
  • 扫码咨询
会员Q群
  • 会员专属群点击这里加入QQ群
客服邮箱
回到顶部