电脑桌面
添加小米粒文库到电脑桌面
安装后可以在桌面快捷访问
FMEA(VDA)_第1页
1/70
FMEA(VDA)_第2页
2/70
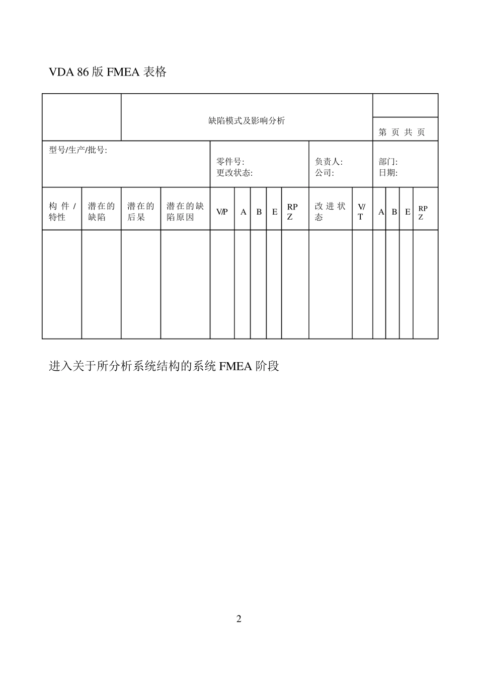
FMEA(VDA)_第3页
3/70
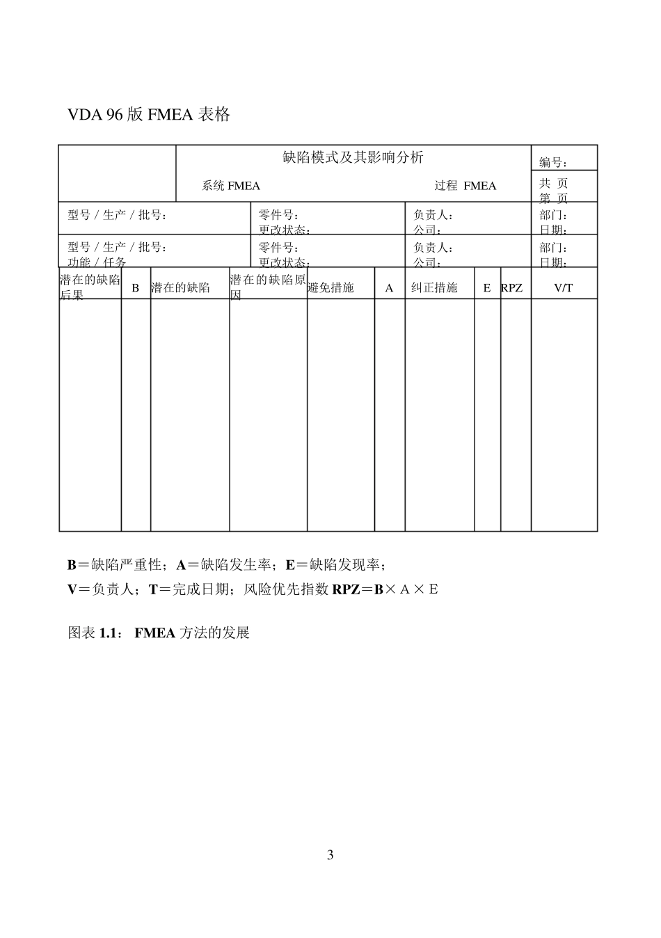
1 作为质量预防方法的系统FM EA 应该在产品形成过程的初期阶段得到应用并找出潜在缺陷,以便采取预防措施,避免潜在缺陷的发生。 系统FM EA 是一种小组工作方法,其目的在于减少开发过程与规划过程中的风险。系统FM EA 可以在初期阶段促进各学科、各相关部门之间的合作。此外,系统FM EA 记录了企业内各专家的知识。 1.3 FM EA 方法的发展 从表面上看,过去在使用FM EA 时存在一些缺点: ·实施设计 FM EA 时,只考虑各构件的缺陷,而没有系统地考虑所有构件之间的功能关系。 ·实施过程FM EA 时,只考虑单个过程潜在的缺陷,没有系统地分析整个生产过程。 ·实施FM EA 时只使用FM EA 表格,没有关于功能与缺陷功能之间关系的系统的描述。 因此,有必要把此方法进一步发展为产品系统FM EA 和过程系统FM EA。 2 VDA 86 版FMEA 表格 缺陷模式及影响分析 第 页 共 页 型号/生产/批号: 零件号: 更改状态: 负责人: 公司: 部门: 日期: 构件/特性 潜在的缺陷 潜在的后杲 潜在的缺陷原因 V/P A B E RPZ 改进状态 V/T A B E RPZ 进入关于所分析系统结构的系统 FMEA 阶段 3 VDA 96 版FMEA 表格 缺陷模式及其影响分析 系统FMEA 过程 FMEA 编号: 共 页 第 页 型号/生产/批号: 零件号: 更改状态: 负责人: 公司: 部门: 日期: 型号/生产/批号: 功能/任务 零件号: 更改状态: 负责人: 公司: 部门: 日期: 潜在的缺陷后果 B 潜在的缺陷 潜在的缺陷原因 避免措施 A 纠正措施 E RPZ V/T B=缺陷严重性;A=缺陷发生率;E=缺陷发现率; V=负责人;T=完成日期;风险优先指数RPZ=B×A×E 图表1.1: FMEA 方法的发展 4 2 产品过程的系统FM EA 的基础 下列章节描述了系统FM EA 的基本方法 2.1 系统FM EA 的定义 在为产品和过程实施系统FM EA 时,必须在设计FM EA 与过程FM EA 中增加下列步骤: ·把要研究的系统结构化,把它分成系统元素,并说明这些元素间的功能关系; ·从已描述的功能中导出每一系统元素可想象的缺陷功能(即潜在的缺陷); ·确定不同系统元素缺陷功能间的逻辑关系,以便能在系统FM EA 中分析潜在的缺陷、缺陷后果和缺陷原因。 系统FM EA 使用的对象是产品开发与过程规划。产品系统FM EA 把产品系统中的潜在缺陷功能看作为潜在的缺陷。缺陷分析根据需要逐级深入到单个构件的设...

1、当您付费下载文档后,您只拥有了使用权限,并不意味着购买了版权,文档只能用于自身使用,不得用于其他商业用途(如 [转卖]进行直接盈利或[编辑后售卖]进行间接盈利)。
2、本站所有内容均由合作方或网友上传,本站不对文档的完整性、权威性及其观点立场正确性做任何保证或承诺!文档内容仅供研究参考,付费前请自行鉴别。
3、如文档内容存在违规,或者侵犯商业秘密、侵犯著作权等,请点击“违规举报”。

碎片内容

确认删除?
VIP
微信客服
  • 扫码咨询
会员Q群
  • 会员专属群点击这里加入QQ群
客服邮箱
回到顶部