电脑桌面
添加小米粒文库到电脑桌面
安装后可以在桌面快捷访问

IO分配表和PLC外部接线图

IO分配表和PLC外部接线图_第1页
1/26
IO分配表和PLC外部接线图_第2页
2/26
IO分配表和PLC外部接线图_第3页
3/26
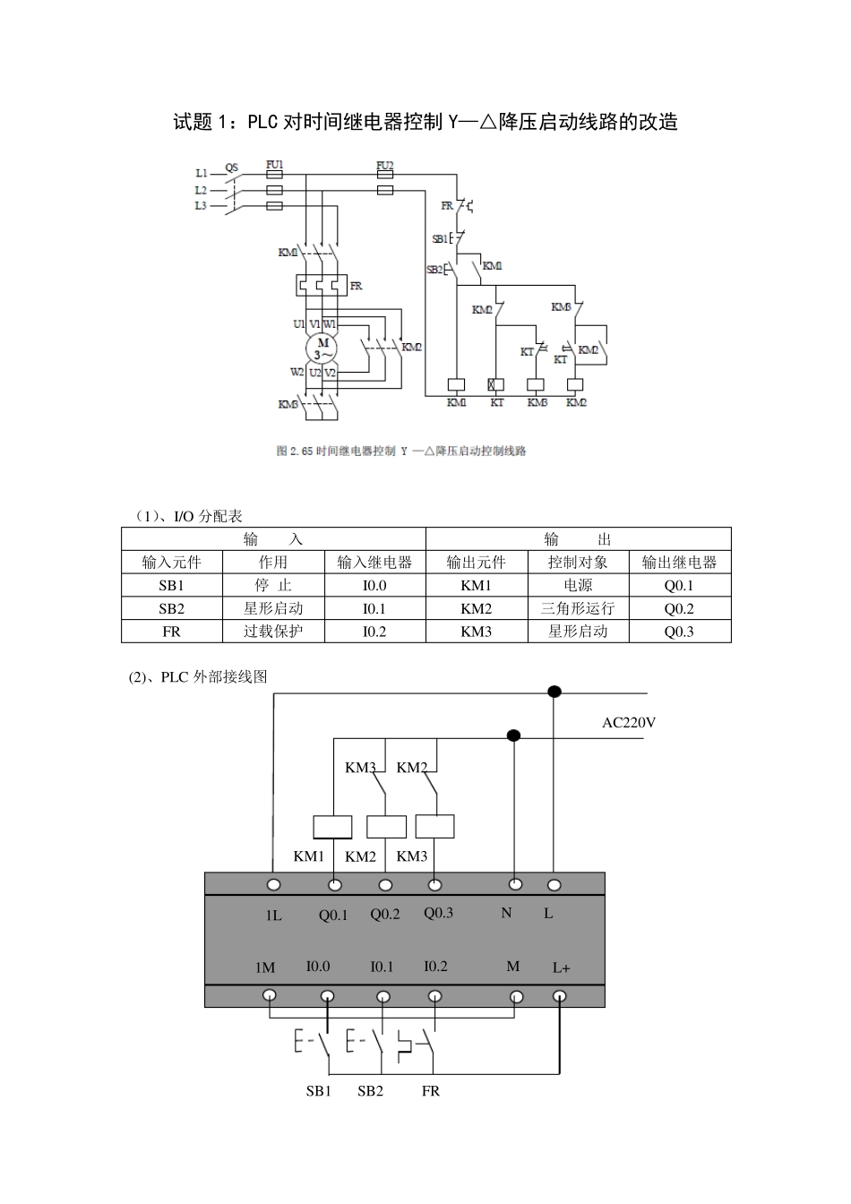
试题1:PLC 对时间继电器控制Y—△降压启动线路的改造 (1)、I/O 分配表 输 入 输 出 输入元件 作用 输入继电器 输出元件 控制对象 输出继电器 SB1 停 止 I0.0 KM1 电源 Q0.1 SB2 星形启动 I0.1 KM2 三角形运行 Q0.2 FR 过载保护 I0.2 KM3 星形启动 Q0.3 (2)、PLC 外部接线图 KM1 KM3 SB1 SB2 FR 1L Q0.1 Q0.2 Q0.3 N L 1M I0.0 I0.1 I0.2 M L+ KM2 KM3 KM2 AC220V (3)、梯形图 试题2:PLC 对电动机自动往返循环控制线路进行改造 (1)、I/O 分配表 输 入 输 出 输入元件 作用 输入继电器 输出元件 控制对象 输出继电器 SB1 向右启动运行 I0.0 KM1 电动机正转 Q0.1 SB2 向左启动运行 I0.1 KM2 电动机反转 Q0.2 SB3 停止 I0.2 SQ1 左限位开关 I0.3 SQ2 右限位开关 I0.4 FR 过载保护 I0.5 (2)、PLC 外部接线图 (3)、梯形图 AC220V KM2 SB1 SB2 FR KM1 KM2 KM1 SB3 SQ1 SQ2 1L Q0.1 Q0.2 N L 1M I0.0 I0.1 I0.2 M L+ I0.3 I0.4 I0.5 试题3: PLC 对某液压系统中速度阀短接的速度换接回路电气控制的改造 (1)、I/O 分配表 输 入 输 出 输入元件 作用 输入继电器 输出元件 控制对象 输出继电器 SB1 使 1YA 电磁阀断电 I0.1 1YA 二位四通换向阀 Q0.1 SB2 使 1YA 电磁阀通电 I0.2 SB3 使 2YA 电磁阀断电 I0.3 2YA 二位二通换向阀 Q0.2 SB4 使 2YA 电磁阀通电 I0.4 (2)、PLC 外部接线图 (3)、梯形图 SB1 SB2 SB3 SB4 I0.1 I0.2 I0.3 I0.4 ML+ 1M1L Q0.1 Q0.2N L 1YA 2YA AC220V 24V 试题4: PLC 对C620 车床电气控制线路的改造 (1)、I/O 分配表 输 入 输 出 输入元件 作用 输入继电器 输出元件 控制对象 输出继电器 SB1 停止电动机 I0.0 KM1 电动机 Q0.0 SB2 启动电动机 I0.1 EL 灯 EL Q0.1 FR1 过载保护 I0.2 HL1 灯 HL1 Q0.2 FR2 过载保护 I0.3 HL2 灯 HL2 Q0.3 SA 控制 EL 灯亮 I0.4 (2)、PLC 外部接线图 (3)、梯形图 试题5: PLC 对C6140 车床电气控制线路的改造 (1)、I/O 分配表 输 入 输 出 输入元件 作用 输入继电器 输出元件 控制对象 输出继电器 SB1 停止电动机 M1 I0.0 KM1 电动机 M1 Q0.1 SB2 启动电动机 M1 I0.1 KM2 电动机 M2 Q0.2 SB3 点动电...

1、当您付费下载文档后,您只拥有了使用权限,并不意味着购买了版权,文档只能用于自身使用,不得用于其他商业用途(如 [转卖]进行直接盈利或[编辑后售卖]进行间接盈利)。
2、本站所有内容均由合作方或网友上传,本站不对文档的完整性、权威性及其观点立场正确性做任何保证或承诺!文档内容仅供研究参考,付费前请自行鉴别。
3、如文档内容存在违规,或者侵犯商业秘密、侵犯著作权等,请点击“违规举报”。

碎片内容

IO分配表和PLC外部接线图

小辰4+ 关注
实名认证
内容提供者

出售各种资料和文档

确认删除?
VIP
微信客服
  • 扫码咨询
会员Q群
  • 会员专属群点击这里加入QQ群
客服邮箱
回到顶部