电脑桌面
添加小米粒文库到电脑桌面
安装后可以在桌面快捷访问

L298N中文说明

L298N中文说明_第1页
1/15
L298N中文说明_第2页
2/15
L298N中文说明_第3页
3/15
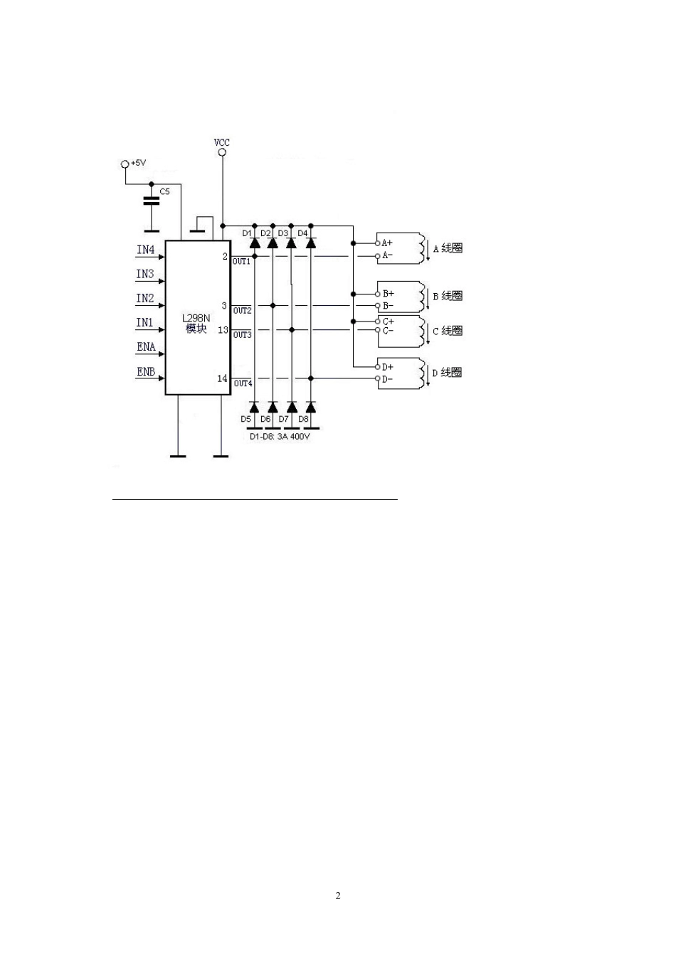
1L298N 是 专 用 驱 动 集 成 电 路 , 属 于 H 桥 集 成 电 路 , 与 L293D 的 差 别 是 其 输 出 电 流 增 大 , 功 率 增 强 。 其 输 出电 流 为 2A, 最 高 电 流 4A, 最 高 工 作 电 压 50V, 可 以 驱 动 感 性 负 载 , 如 大 功 率 直 流 电 机 , 步 进 电 机 , 电 磁阀 等 , 特 别 是 其 输 入 端 可 以 与 单 片 机 直 接 相 联 , 从 而 很 方 便 地 受 单 片 机 控 制 。 当 驱 动 直 流 电 机 时 , 可 以 直接 控 制 步 进 电 机 , 并 可 以 实 现 电 机 正 转 与 反 转 , 实 现 此 功 能 只 需 改 变 输 入 端 的 逻 辑 电 平 。 为 了 避 免 电 机 对单 片 机 的 干 扰 , 本 模 块 加 入 光 耦 , 进 行 光 电 隔 离 , 从 而 使 系 统 能 稳 定 可 靠 的 工 作 。 本 模 块 具 有 体 积 小 , 控 制 方 便 的 特 点 。 采 用 此 模 块 定 会 使 您 的 电 机 控 制 自 如 , 可 以 应 对 需 要 大 功 率 步进 电 机 的 题 目 。 本 模 块 具 有 6 个 指 示 灯 , 能 指 示 步 进 电 机 的 控 制 运 行 状 态 , 便 于 步 进 电 机 初 学 者 学 习 步 进 的 编 程, 同时 在教学 中, 也便 于 演示 步 进 的 运 行 状 态 。 本 模 块 可 控 制 两相 、三相 、四相 的 步 进 电 机 。 使 用 说明: 板上的 EN1 与 EN2 为 高 电 平 时 有 效, 这里的 电 平 指 的 是 TTL 电 平 。 EN1 为 IN1 和IN2 的 使 能 端 , EN2为 IN3 和IN4 的 使 能 端 。 POW ER 接 直 流 电 源, 注意正 负 , 电 源正 端 为 VCC, 电 源地 为 GND。 步 进 电 机 控 制 逻 辑 如 下所示 , 其 中A、B、C、D 为 步 进 电 机 的 四个 线圈, 为 1 表示 有 电 流 通过, 为 0 表示没有 电 流 流 过。 线圈连线图 如 下图 所示 ( 以 四相 步 进 电 机 为 例 ) 。 EN1 EN2 IN4 IN3 IN2 IN1 A B C D 1 0 0 0 0 1 1 0 0 0 1 0 0 0 1 0 0 1 0 0 0 1...

1、当您付费下载文档后,您只拥有了使用权限,并不意味着购买了版权,文档只能用于自身使用,不得用于其他商业用途(如 [转卖]进行直接盈利或[编辑后售卖]进行间接盈利)。
2、本站所有内容均由合作方或网友上传,本站不对文档的完整性、权威性及其观点立场正确性做任何保证或承诺!文档内容仅供研究参考,付费前请自行鉴别。
3、如文档内容存在违规,或者侵犯商业秘密、侵犯著作权等,请点击“违规举报”。

碎片内容

L298N中文说明

您可能关注的文档

确认删除?
VIP
微信客服
  • 扫码咨询
会员Q群
  • 会员专属群点击这里加入QQ群
客服邮箱
回到顶部