电脑桌面
添加小米粒文库到电脑桌面
安装后可以在桌面快捷访问

《桥梁工程概论》复习资料及答案

《桥梁工程概论》复习资料及答案_第1页
1/9
《桥梁工程概论》复习资料及答案_第2页
2/9
《桥梁工程概论》复习资料及答案_第3页
3/9
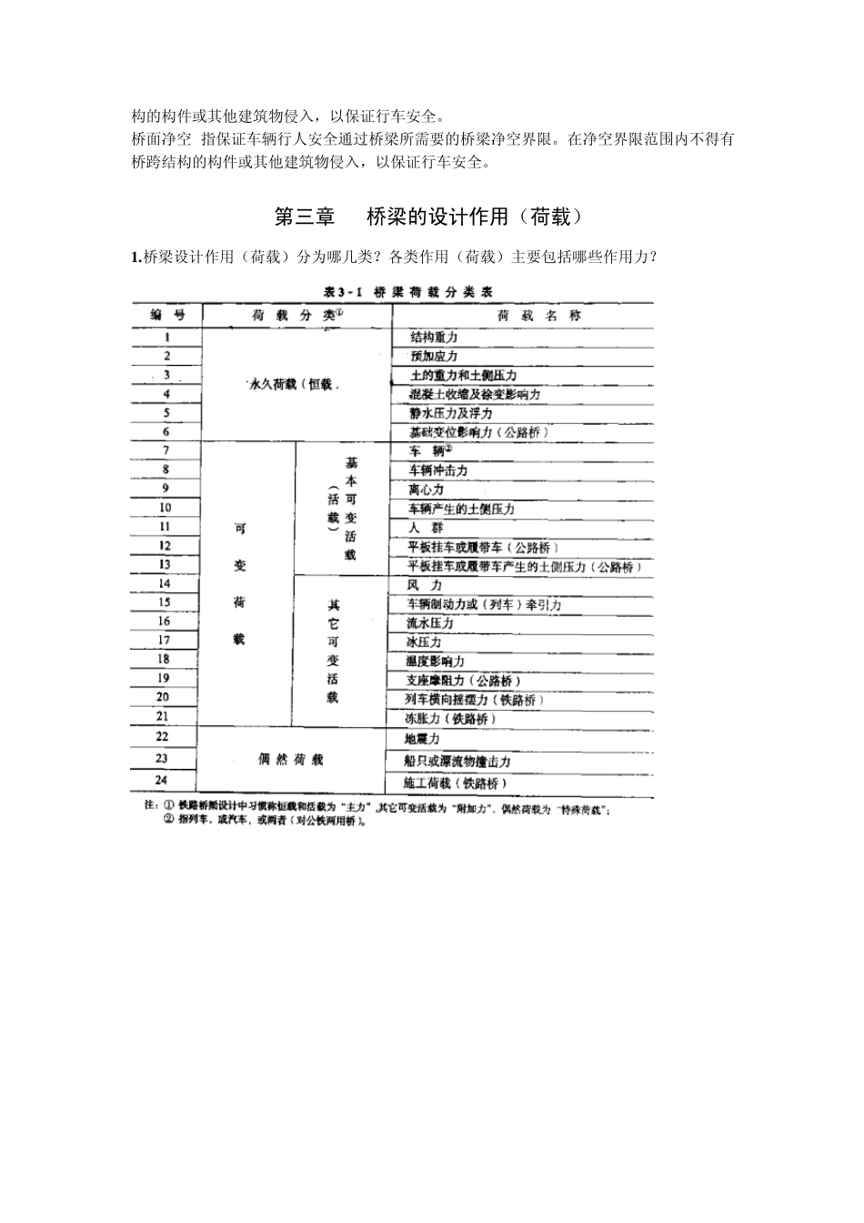
第一章 绪论 1 . 桥梁的作用是什么?它是由哪几个主要部分组成的?各部分的主要作用是什么? 桥梁是指供车辆和行人等跨越障碍(河流、山谷、还晚或其他路线等)的工程建筑物(跨越障碍的通道)。 桥梁由上部结构(包括桥跨部分和桥面构造,前者指直接承受桥上交通荷载的主体部分,后者指为保证桥跨结构能正常使用而需要的各种附属结构),下部结构(包括桥墩、桥台以及墩台的基础。是支承上部结构、向下传递荷载的结构物)。和支座组成(连接桥跨结构和桥梁墩台,提供荷载传递途径,适应结构变位要求), 2. 解释以下几个术语:总跨径(桥梁孔径)、净跨径、计算跨度、桥长、建筑高度、桥渡。 桥梁结构相邻两支座间的距离 L 称为计算跨径 对梁式桥,设计洪水位上线上相邻两桥墩(或桥台)间的水平间距 L0,称为桥梁的净跨径。 各孔径跨径之和称为总跨径。 对梁长,两桥台侧墙或八字墙尾端之间的距离 LT,称为桥梁全长。 桥面至桥跨结构最下缘的垂直高度 h,称为桥梁建筑高度。 以桥梁为主体包括桥头引线、导流堤等跨越河流、 深谷、低洼地带的全部建筑物称桥渡 3 . 按照力学特性(体系)划分,桥梁有哪些基本类型?各类桥梁的受力特点是什么? 按受力特性分,桥梁可分为梁桥、拱桥、悬索桥三种 梁桥中,梁作为承重结构,主要是以其抗弯能力来承受荷载的。在竖向荷载作用下,其支座反力也是竖直的;简支的梁部结构只受弯剪,不承受轴向力。 拱桥的主要承重结构是具有外形的拱圈。在竖向荷载作用下,拱圈主要承受轴向压力,但也受弯受剪。在拱趾处支撑力除了竖向反力外,还有较大的水平推力 悬索桥在在竖向荷载下,其索受拉,锚碇处会承受较大的竖向(向上)和水平(向河心)力 第二章 桥梁工程的规划与设计 1 . 什么是桥梁的净空(限界)?它有什么用途? 桥梁净空(bridge clearance)包括桥面净空和桥下净空。在净空界限范围内不得有桥跨结构的构件或其他建筑物侵入,以保证行车安全。 桥面净空 指保证车辆行人安全通过桥梁所需要的桥梁净空界限。在净空界限范围内不得有桥跨结构的构件或其他建筑物侵入,以保证行车安全。 第三章 桥梁的设计作用(荷载) 1 .桥梁设计作用(荷载)分为哪几类?各类作用(荷载)主要包括哪些作用力? 2 .解释以下几个术语:永久作用、可变作用、偶然作用、冲击力、车辆制动力、持久状态、偶然状况。 永久作用(恒载):指在基准期内,其量值不随时间变化,或其变化与平均...

1、当您付费下载文档后,您只拥有了使用权限,并不意味着购买了版权,文档只能用于自身使用,不得用于其他商业用途(如 [转卖]进行直接盈利或[编辑后售卖]进行间接盈利)。
2、本站所有内容均由合作方或网友上传,本站不对文档的完整性、权威性及其观点立场正确性做任何保证或承诺!文档内容仅供研究参考,付费前请自行鉴别。
3、如文档内容存在违规,或者侵犯商业秘密、侵犯著作权等,请点击“违规举报”。

碎片内容

《桥梁工程概论》复习资料及答案

您可能关注的文档

小辰7+ 关注
实名认证
内容提供者

出售各种资料和文档

相关文档

确认删除?
VIP
微信客服
  • 扫码咨询
会员Q群
  • 会员专属群点击这里加入QQ群
客服邮箱
回到顶部