电脑桌面
添加小米粒文库到电脑桌面
安装后可以在桌面快捷访问

悬挑脚手架钢丝绳卸荷措施方案

悬挑脚手架钢丝绳卸荷措施方案_第1页
1/16
悬挑脚手架钢丝绳卸荷措施方案_第2页
2/16
悬挑脚手架钢丝绳卸荷措施方案_第3页
3/16
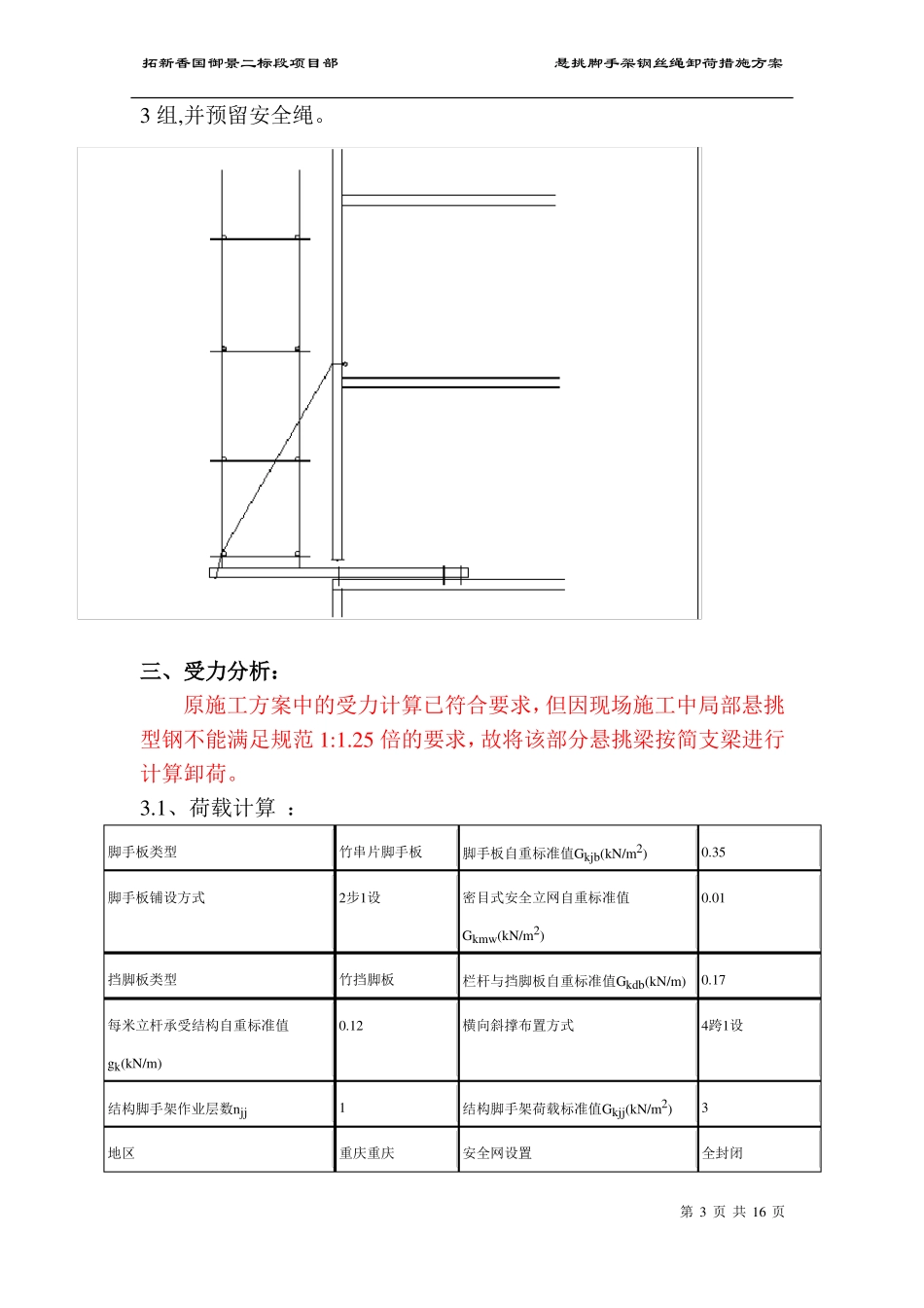
拓新香国御景二标段项目部悬挑脚手架钢丝绳卸荷措施方案悬挑脚手架钢丝绳卸荷措施方案一、工程概括(一)、编制依据1、施工图纸香国御景二标段 25 号楼工程施工图纸。2、引用文件1)、现行国家、企业有关标准规范和规定、技术规程;2)、国家建筑安装工程质量检验评定统一标准;3)、《建筑施工扣件式钢管脚手架安全技术规范》JGJ130-20114)、《建筑施工安全检查评分标准》JGJ59-2011;5)、GB/T20118-2006 一般用途钢丝绳规范;6)、香国御景二标段外脚手架施工方案;(二)、工程概括拓新香国城 25 号楼位于拓新香国城项目内,25 号楼为 11 层洋房及地下车库组成,总建筑面积约 5310*2 ㎡。结构为框架剪力墙结构。建设单位为重庆拓新控股集团建筑工程有限公司,设计单位为重庆市设计院,监理单位为重庆三峡涌鸿建筑工程有限公司,施工单位为重庆拓新控股集团建筑工程有限公司。第 1 页 共 16 页拓新香国御景二标段项目部悬挑脚手架钢丝绳卸荷措施方案二、脚手架设计1.根据原专项施工方案对本楼层悬挑脚手架的搭设要求如下图:脚手架排数搭设高度(m)立杆纵距(m)立杆步距(m)横向斜撑连墙件连接方式基本风压(kN/m )悬挑方式压环钢筋直径d(mm)主梁外锚固点到建筑物边缘的距离a(mm)梁/楼板混凝土强度等级主梁合并根数nzC301主梁材料规格16号工字钢2悬挑脚手架19.81.51.85跨1设扣件连接0.25普通主梁悬挑16100纵、横向水平杆布置方式钢管类型立杆横距(m)双立杆计算方法脚手板连墙件布置方式安全网锚固点设置方式主梁建筑物外悬挑长度Lx(mm)主梁建筑物内锚固长度Lx(mm)横向水平杆在上Φ48×2.50.7不设置双立杆2步1设两步三跨全封闭压环钢筋120016002.香国御景 25 号楼采用落地脚手架和悬挑脚手架分段搭设的方式进行设置,现已完成-2 层-4 层的搭设及拆除,第一次悬挑为 5-10层,第二次悬挑架搭设为 11 层单独悬挑,因房屋结构造型多样化,局部悬挑型钢不能满足 1:1.25 倍的要求,在楼四个大角悬挑的工字钢用双倍斜拉钢丝绳卸载,前后面悬挑段大于锚固段的工字钢均用斜拉钢丝绳卸载,左右侧面悬挑符合要求,但工字钢受力和悬挑部位小于1:1.25 时也设置一道钢丝绳卸载,以提高安全保证系数。3.用于斜拉卸载用的钢丝绳采用 6×19 或 6×37 的钢丝绳卸载,斜拉在剪力墙的螺栓孔上,并采用手拉倒链进行收紧;钢丝绳采用钢丝绳夹作为连接和预拉紧装置 ,钢丝绳夹不得少于第 2 页 共 16 页拓新香国御景二标段项目部悬挑脚手...

1、当您付费下载文档后,您只拥有了使用权限,并不意味着购买了版权,文档只能用于自身使用,不得用于其他商业用途(如 [转卖]进行直接盈利或[编辑后售卖]进行间接盈利)。
2、本站所有内容均由合作方或网友上传,本站不对文档的完整性、权威性及其观点立场正确性做任何保证或承诺!文档内容仅供研究参考,付费前请自行鉴别。
3、如文档内容存在违规,或者侵犯商业秘密、侵犯著作权等,请点击“违规举报”。

碎片内容

悬挑脚手架钢丝绳卸荷措施方案

您可能关注的文档

确认删除?
VIP
微信客服
  • 扫码咨询
会员Q群
  • 会员专属群点击这里加入QQ群
客服邮箱
回到顶部