电脑桌面
添加小米粒文库到电脑桌面
安装后可以在桌面快捷访问

拉森钢板桩支护方案

拉森钢板桩支护方案_第1页
1/19
拉森钢板桩支护方案_第2页
2/19
拉森钢板桩支护方案_第3页
3/19
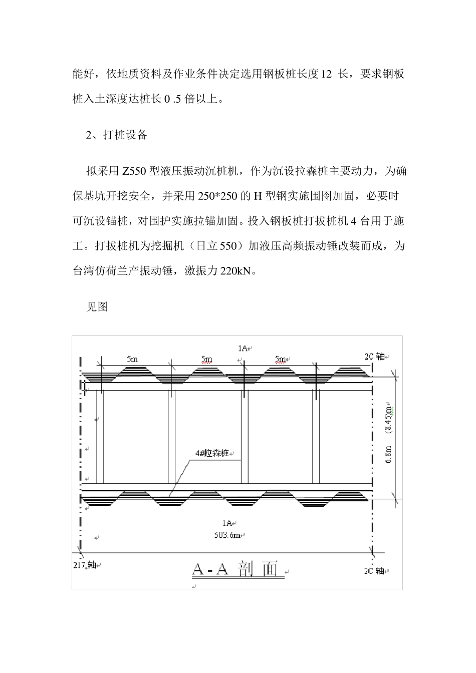
拉森钢板桩支护工程实践【大 中 小 发布时间:2006-06-28 09:28:16 浏览次数:61 】【摘要】本文结合工程实例,简述拉森钢板桩在马钢新区基坑围护工程中的设计、施工工艺特点、工艺流程、施工方法、以及沉桩质量控制和保证措施。【关键词】钢板桩、支护、基坑。一、工程概况马钢 500 万吨高附加值板卷产品生产线位于马鞍山市慈湖工业园内,主要包括新建 1 条 2250 热连轧线、1 条 2130 酸洗冷连轧线、3 条热镀锌线、2 条彩涂线以及相配套的炼铁、炼钢及全部公辅设施。本文介绍 2130 酸洗冷连轧线地下排水管廊拉森桩围护工程,地下管廊单侧长度 251.8 ,采用双面拉森桩围护总延长米 503.6 ,地下管廊宽度包括结构施工工作面,217 轴至 226 轴 6.8 ,226 轴至 229 轴,2A 轴至 2C 轴 8.45 ,基坑平均开挖深度包括垫层内±0.00 以下-7.4 ,局部廊段最大开挖深度-8.6 ,拟采用长度 12 的拉森 IV 钢板桩实施双面围护,以确保基坑安全开挖,管廊结构顺利施工。二、地质概况根据区域地质报告,自上而下土层分布为:①表层为回填矿渣,并不均分布积存一定量块石,积存一定量的天然降水,该层土层厚度约 3~3.5 。②次层沉桩段为含少量粉煤灰的软塑状粉质粘土,土层厚度为 5~7 。③桩端持力层段为粉质粘土。见下图三、钢板桩方案1、钢板桩的选用根据工程所在地场地特点,结合钢板桩的特性、施工方法等方面进行考虑,选用拉森Ⅳ号钢板桩,拉森Ⅳ号钢板桩宽度适中,抗弯性能好,依地质资料及作业条件决定选用钢板桩长度12 长,要求钢板桩入土深度达桩长 0 .5 倍以上。2、打桩设备拟采用 Z550 型液压振动沉桩机,作为沉设拉森桩主要动力,为确保基坑开挖安全,并采用 250*250 的 H 型钢实施围囹加固,必要时可沉设锚桩,对围护实施拉锚加固。投入钢板桩打拔桩机 4 台用于施工。打拔桩机为挖掘机(日立 550)加液压高频振动锤改装而成,为台湾仿荷兰产振动锤,激振力 220kN。见图四、钢板桩设计方案1、计算拉森桩入土深度根据钢板桩入土的深度,按单锚浅埋板桩计算,假定上端为简支,下端为自由支承。这种板桩相当于单跨简支梁,作用在桩后为主动土压力,作用在桩前为被动土压力,压力坑底以下的土重度不考虑浮力影响,计算简图如下。2、钢板桩稳定性验算板桩入土深度除保证本身的稳定性外,还应保证基坑底部在施工期间不会出现隆起和管涌现象。在软土中开挖较深的基坑,当桩背后的土柱重量超过基...

1、当您付费下载文档后,您只拥有了使用权限,并不意味着购买了版权,文档只能用于自身使用,不得用于其他商业用途(如 [转卖]进行直接盈利或[编辑后售卖]进行间接盈利)。
2、本站所有内容均由合作方或网友上传,本站不对文档的完整性、权威性及其观点立场正确性做任何保证或承诺!文档内容仅供研究参考,付费前请自行鉴别。
3、如文档内容存在违规,或者侵犯商业秘密、侵犯著作权等,请点击“违规举报”。

碎片内容

拉森钢板桩支护方案

您可能关注的文档

确认删除?
VIP
微信客服
  • 扫码咨询
会员Q群
  • 会员专属群点击这里加入QQ群
客服邮箱
回到顶部