电脑桌面
添加小米粒文库到电脑桌面
安装后可以在桌面快捷访问

一、二级焊缝施工方案

一、二级焊缝施工方案_第1页
1/19
一、二级焊缝施工方案_第2页
2/19
一、二级焊缝施工方案_第3页
3/19
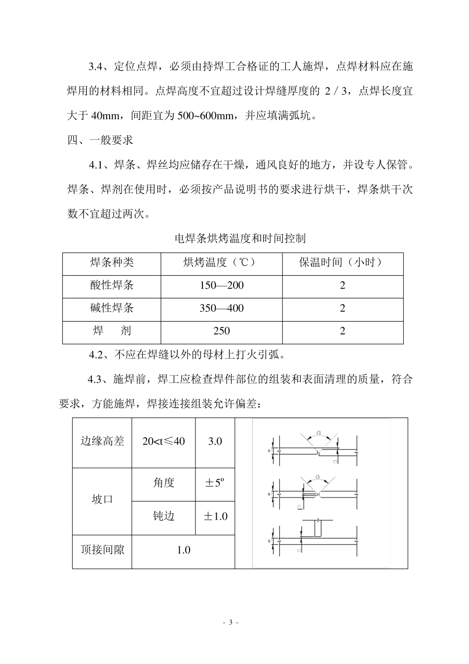
- 1 - 一、二级焊缝焊接工艺作业设计 一、工程概况 1.1、钢结构工程材料采用Q345B 钢,板厚为:6.8.12.16.25、36、45、50、55mm 规格。 1.2、钢结构简图见设计图。 1.3、焊接坡口图也见设计图。 1.4、使用规范标准 序号 名 称 编 号 1 《钢结构工程施工及验收规范》 GB50205-2001 2 《建筑钢结构焊接规程》 JGJ81-2002 3 《碳钢焊条》 GB51175-85 4 《低合金钢焊条》 GB5118-85 二、焊接准备 2.1、焊接方法 在保证焊缝质量的前提下,为提高焊接效率,高炉的环缝和立缝采用二氧化碳气体保护焊,拼装定位电焊用手工电弧焊。 2.2、焊接材料 焊丝:H08MnSiA2—Φ1.2mm(实芯焊丝);焊条:E5015 或 E5016,焊材必须有出厂质量证明书。 2.3、焊接设备 CO2 气保焊机 7~10 台,型号:NBC-500;直流焊接,型号:ZXG-630(兼碳弧气刨用)。 - 2 - 焊机必须安放在通风干燥的地方,有防雨、雪、盗措施,网路电压为380±10%V,网路电压波动较大时,需加装稳压变压器。 三、正式焊接 3.1、焊前预热:当气温低于 5℃时,焊前要进行预热,预热温度为100℃。预热温度的加热范围以焊缝对口中心线为基准,两侧不应小于焊件厚度的3 倍。 3.2、环缝采用分段退焊,层层打渣,每层焊缝接头不允许在同一处,每道焊缝中的焊瘤、飞溅、气孔等要清除干净。 3.3、内侧焊完后,由专人气刨清根,打磨验收合格后,焊外侧焊缝,焊工自检、专检直到合格。后一层焊道压前一层焊道 30-50mm,表面采用叠焊法。 焊接工艺参数 层次 方法 焊接电流 电弧电压 CO2气体流量 打底 CO2 焊 150A 25-26V 15L/min 其余 CO2 焊 180-200A 28-30V 20L/min 碳弧气刨常用工艺参数 碳棒直径 (mm) 电弧长度 (mm) 空气压力 (Mpa) 极性 电流 (A) 气刨速度 (m/min) 6 1~2 0.39~0.59 直流反接 250~300 0.5~1.0 8 1~2 0.39~0.59 直流反接 350~400 1.0~1.2 - 3 - 3.4、定位点焊,必须由持焊工合格证的工人施焊,点焊材料应在施焊用的材料相同。点焊高度不宜超过设计焊缝厚度的2/3,点焊长度宜大于40mm,间距宜为500~ 600mm,并应填满弧坑。 四、一般要求 4.1、焊条、焊丝均应储存在干燥,通风良好的地方,并设专人保管。焊条、焊剂在使用时,必须按产品说明书的要求进行烘干,焊条烘干次数不宜超过两次。 电焊条烘烤温度和时间控制 焊条种类 烘烤温度(℃) 保温时间(小时) 酸性焊条 150...

1、当您付费下载文档后,您只拥有了使用权限,并不意味着购买了版权,文档只能用于自身使用,不得用于其他商业用途(如 [转卖]进行直接盈利或[编辑后售卖]进行间接盈利)。
2、本站所有内容均由合作方或网友上传,本站不对文档的完整性、权威性及其观点立场正确性做任何保证或承诺!文档内容仅供研究参考,付费前请自行鉴别。
3、如文档内容存在违规,或者侵犯商业秘密、侵犯著作权等,请点击“违规举报”。

碎片内容

一、二级焊缝施工方案

确认删除?
VIP
微信客服
  • 扫码咨询
会员Q群
  • 会员专属群点击这里加入QQ群
客服邮箱
回到顶部