电脑桌面
添加小米粒文库到电脑桌面
安装后可以在桌面快捷访问

新上海住宅工程质量分户验收检查表

新上海住宅工程质量分户验收检查表_第1页
1/10
新上海住宅工程质量分户验收检查表_第2页
2/10
新上海住宅工程质量分户验收检查表_第3页
3/10
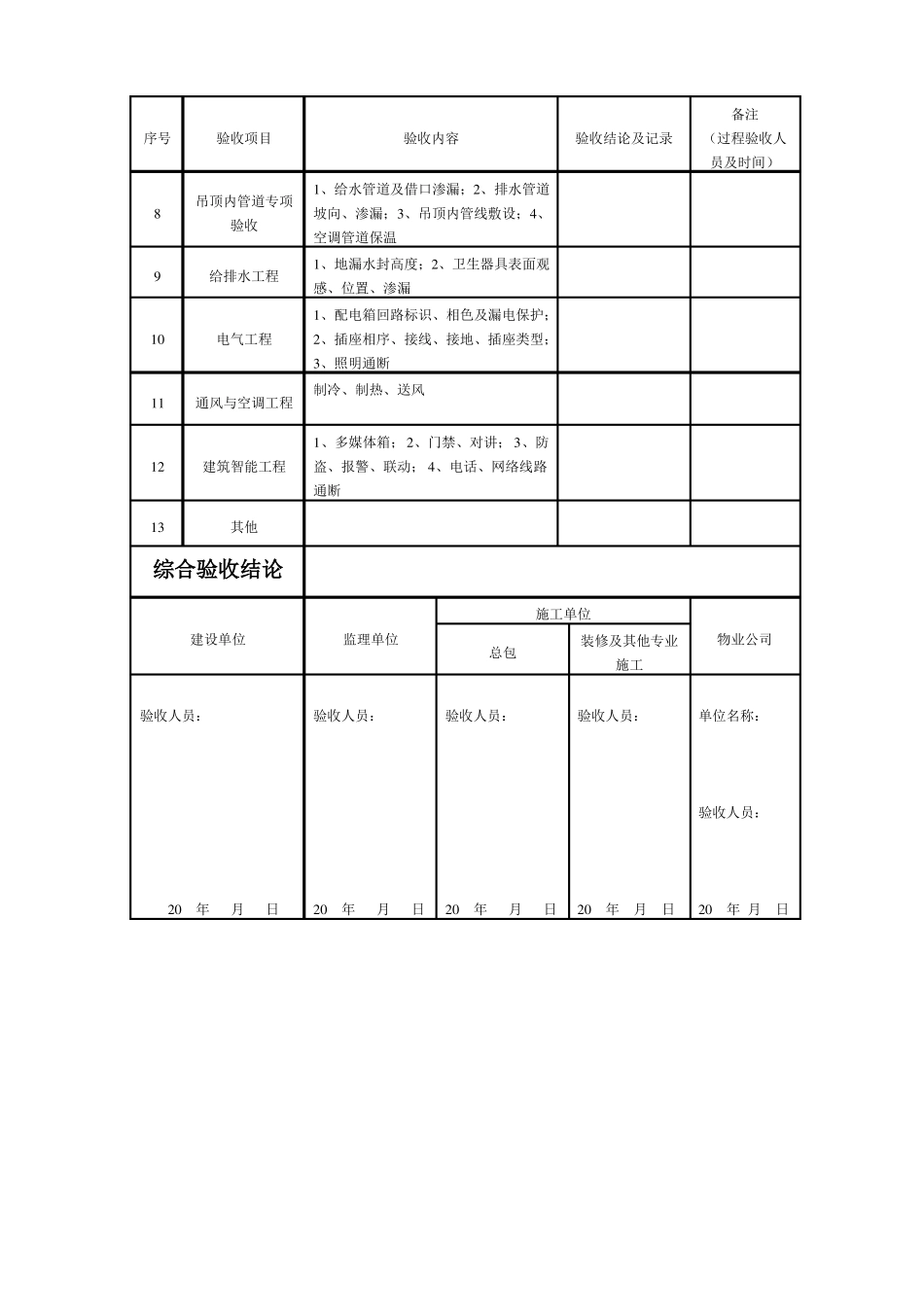
附表一初装饰住宅工程质量分户验收记录表工程名称房(户)号幢单元室建设单位开竣工日期年月日—年月日施工单位监理单位序号验收项目验收内容验收结论及记录1楼地面、墙面和天棚裂缝、空鼓、脱层、地面起砂、墙面爆灰窗台高度、渗漏、门窗开启、安全玻璃标识栏杆高度、竖杆间距、防攀爬措施、栏杆玻璃屋面渗漏、卫生间等防水地面渗漏、外墙渗漏室内净高、净开间尺寸管道渗漏、坡向、地漏水封、阻火圈(防火套管)设置插座相位、接地、控制箱配置2门窗3栏杆4防水工程5室内空间尺寸6给排水工程7电气工程8其他综合验收结论建设单位验收人员:20年月日验收人员:20年月日监理单位施工单位物业公司验收人员:20年月日单位名称:验收人员:20年月日附表二全装修住宅工程室内质量分户验收记录表工程名称建设单位施工单位序号验收项目房(户)号开竣工日期监理单位验收内容1、拼缝、图案;2、色泽;3、翘边、裱糊气泡、褶皱;4、划痕、损伤、胶污染涂料1、裂缝;2、颜色;3、起皮;4、划痕、损伤、污染1、空鼓、裂缝;2、接缝;3、色泽;4、破损1、裂缝、起皮;2、色泽;3、拼缝;4、损伤1、裂缝、色差、起皮、水迹; 2、大面平整、洞口处理1、拼缝;2、大面平整、洞口处理、水迹1、空鼓;2、裂纹、破损;3、接缝、高低差;4、表面观感1、拼缝;2、响声;3、颜色;4、损伤1、窗台高度;2、渗漏;3、开启;4、标识;5、划痕、损伤1、开启;2、平整;3、损伤1、接缝;2、损伤1、开启;2、损伤1、开启;2、标识;3、损伤划痕、损伤1、栏杆高度;2、竖杆间距;3、防6栏杆安装攀爬措施;4、护栏玻璃;5、栏杆固定及细部处理1、屋面渗漏;2、卫生间、阳台等7防水工程有防水要求的地面渗漏;3、外墙渗漏幢单元室20年月日—20年月日验收结论及记录备注墙1饰面砖面木饰面天2棚面层楼3地面门4窗安装细5部工程台面安装木地板外门窗(含分户门)内门窗细木橱柜门窗玻璃隔断涂料饰面拼装式吊顶地砖(含石材)备注序号验收项目验收内容验收结论及记录(过程验收人员及时间)吊顶内管道专项验收1、给水管道及借口渗漏;2、排水管道坡向、渗漏;3、吊顶内管线敷设;4、空调管道保温1、地漏水封高度;2、卫生器具表面观感、位置、渗漏1、配电箱回路标识、相色及漏电保护;10电气工程2、插座相序、接线、接地、插座类型;3、照明通断11通风与空调工程制冷、制热、送风89给排水工程1、多媒体箱;2、门禁、对讲; 3、防12建筑智能工程盗、报警、联动; 4、电话、网络线路通断...

1、当您付费下载文档后,您只拥有了使用权限,并不意味着购买了版权,文档只能用于自身使用,不得用于其他商业用途(如 [转卖]进行直接盈利或[编辑后售卖]进行间接盈利)。
2、本站所有内容均由合作方或网友上传,本站不对文档的完整性、权威性及其观点立场正确性做任何保证或承诺!文档内容仅供研究参考,付费前请自行鉴别。
3、如文档内容存在违规,或者侵犯商业秘密、侵犯著作权等,请点击“违规举报”。

碎片内容

新上海住宅工程质量分户验收检查表

文库响当当+ 关注
实名认证
内容提供者

该用户很懒,什么也没介绍

确认删除?
VIP
微信客服
  • 扫码咨询
会员Q群
  • 会员专属群点击这里加入QQ群
客服邮箱
回到顶部