电脑桌面
添加小米粒文库到电脑桌面
安装后可以在桌面快捷访问

旋喷桩施工技术方案

旋喷桩施工技术方案_第1页
1/9
旋喷桩施工技术方案_第2页
2/9
旋喷桩施工技术方案_第3页
3/9
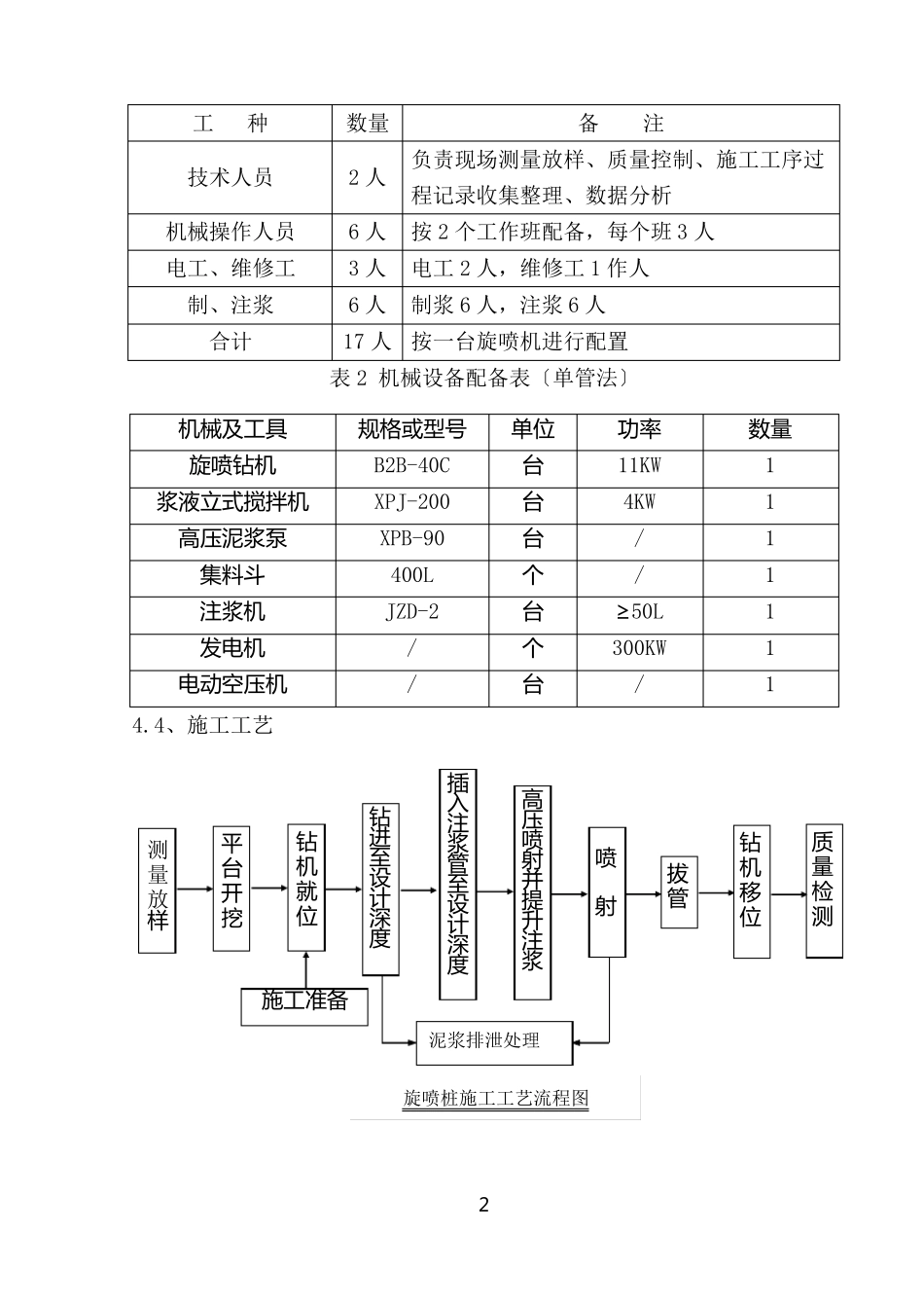
旋喷桩施工技术方案1、编制依据1.1设计图;1.2现场踏勘调查所获得的工程、水文地质、交通状况及施工环境等调查资料。1.3铁路路基施工标准TB10202-2002 J161-2002。铁路路基工程施工质量验收标准。2、工程概况本工程位于***,基底位于黏土层上,基底应力不足,采用选喷桩加固,设计桩径为φ60,加固深度为桩低进入片麻岩夹大理岩〔W4〕不小于 2 米,布置于框两侧基坑下,采用 1.2mX1.2m 正方形布置。利用现有乡村公路为施工便道可直接到达操作平台。利用现有农场水源,接输水管用水泵抽入山上蓄水池内以解决施工用水问题。目前 10KV 高压电力线还未接到工点,先期施工时只能用自备发电机〔300KW 一台〕发电进行施工,条件成熟后再与高压线路并网。3、设计说明基底位于黏土层上,基底应力不足。旋喷桩纵向 15 排,其中,第 1、15 排为 14 根,第 2、14 排为 22 根,第 3、4、5、6、10、11、12、13 排为 31 根,第 7、8、9 排为 17 根,合计:2*14+2*22+8*31+3*17=371 根。施工工艺和有关参数为借鉴已经施工的旋喷桩施工工艺和参数。建筑材料:注浆材料采用普通硅酸盐水泥外加 2%~3%氯化钙作速凝剂,水灰比采用 1:1〔依据槟榔寨隧道出口旋喷桩试桩后决定〕。待旋喷桩桩体施工完成 14 天后,对加固改善后的围岩取样进行检查,到达相应的标准要求和技术指标后才能进行下一步施工。4、施工方案4.1 旋喷桩施工原理高压旋喷桩处理地基是通过高压设备以不小于 20MPa 的高压向四周加固土层喷射加固浆料,利用高压切割土体,使加固浆料与被加固土体充分混合,同时提升钻杆,从而在加固地层中形成较完整桩体的方法。高压旋喷桩可以分为单管法、双重管法、三重管法及多重管法。根据现场机械设备配置和人员配置,采用振动沉管单管法旋喷成桩施工工艺进行组织施工。(1)施工技术资料设计工点图、施工场地地质报告、设计桩位平面布置图、原地面和φ60 桩高程数据表〔桩长统计表〕、技术交底和施工组织设计等。(2)材料储备原材料使用前送至试验室检验合格后,根据设计强度和标准要求进行配合比试验,并经监理工程师确认。水泥:P.O42.5 普通硅酸盐水泥;水:饮用自来水。(3)电力设施单台机组用电约 130KW,前期靠自备发电机发电,后期 10KVA 高压力网到进行并网解决用电问题。4.3 机械设备、人员配置:施工机械:旋喷钻机 1 台,型号 XY-4,功率 11kW;浆液搅拌机立式4kW 1 台;注浆泵 1 台,型号为 XPB-90;各种...

1、当您付费下载文档后,您只拥有了使用权限,并不意味着购买了版权,文档只能用于自身使用,不得用于其他商业用途(如 [转卖]进行直接盈利或[编辑后售卖]进行间接盈利)。
2、本站所有内容均由合作方或网友上传,本站不对文档的完整性、权威性及其观点立场正确性做任何保证或承诺!文档内容仅供研究参考,付费前请自行鉴别。
3、如文档内容存在违规,或者侵犯商业秘密、侵犯著作权等,请点击“违规举报”。

碎片内容

旋喷桩施工技术方案

爱的疯狂+ 关注
实名认证
内容提供者

该用户很懒,什么也没介绍

确认删除?
VIP
微信客服
  • 扫码咨询
会员Q群
  • 会员专属群点击这里加入QQ群
客服邮箱
回到顶部