电脑桌面
添加小米粒文库到电脑桌面
安装后可以在桌面快捷访问

螺旋钻孔灌注桩施工方案.

螺旋钻孔灌注桩施工方案._第1页
1/15
螺旋钻孔灌注桩施工方案._第2页
2/15
螺旋钻孔灌注桩施工方案._第3页
3/15
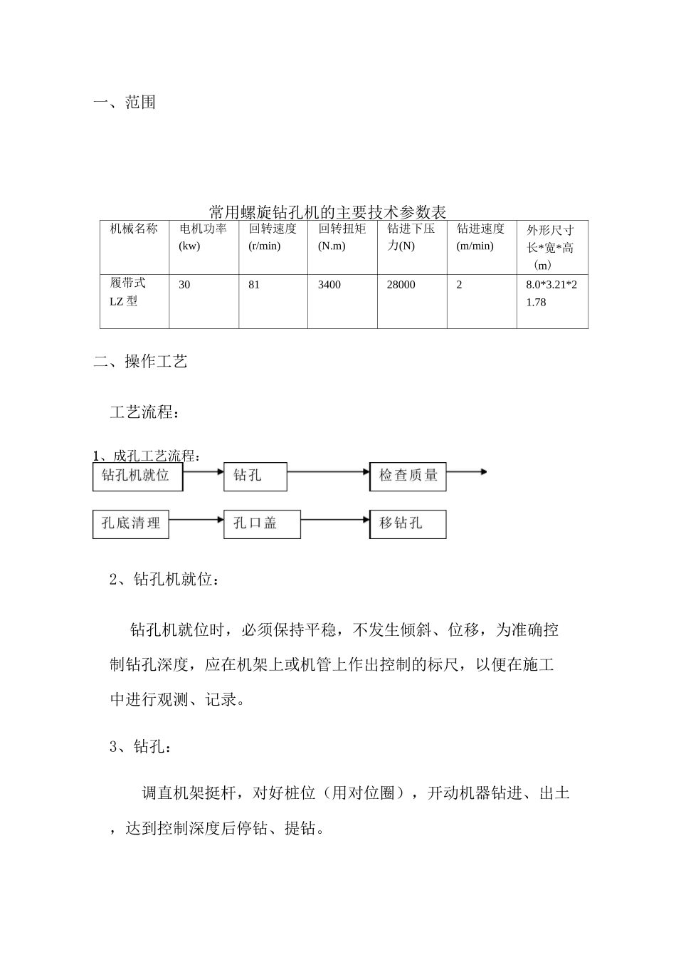
静宁县金果博览城果品交易区 B-2 楼螺旋钻孔灌注桩施工方案批准:审核:编制:兰州二建建隆有限公平凉项二 0 一年月日螺旋钻孔灌注桩施工方案工程概况:本工程为静宁县金果国际博览城果品交易 B-2 楼,该建筑为地上三层(无地下室),建筑高度为 12.600 米,长 56.200 米,宽为 16.900 米。室外高差为 0.30 米,一层层高为 4.5 米,二-三层层高为 3.9 米,建筑耐火等级为二级。场地特征周期 0.45S,结构的阻尼比为 0.05,罕遇地震影响系数Rmax=0.90,多遇地震影响系数 Rmax=0.16。基本风压:0.30KN/m2基本雪压0.20KN/m2o本工程根据 V 建筑抗震设计规范〉(GB50011-2010),抗震设防烈度为 8度。本工程建筑场地类别为级 II 类,结构安全等级:二级,结构形式为框架结构,框架抗震等级为二级。本工程结构设计使用年限为 50 年。地基与基础设计等级为丙级,混凝土强度等级:柱为 C35,梁为C30,楼梯构建为 C30,其余构件为 C25。填充墙砌体施工质量控制等级均为 B 级,容量不大于 8.0KN/m3,填充墙外墙为 300mm,内墙为 200mm,采用加气混凝土砌块,用 M7.5 混合砂浆砌筑,±0.00 以下采用 MU10 机制实心砖,用 M10 水泥砂浆。一、范围常用螺旋钻孔机的主要技术参数表机械名称电机功率(kw)回转速度(r/min)回转扭矩(N.m)钻进下压力(N)钻进速度(m/min)外形尺寸长*宽*高(m)履带式LZ 型308134002800028.0*3.21*21.78二、操作工艺工艺流程:1、成孔工艺流程:2、钻孔机就位:钻孔机就位时,必须保持平稳,不发生倾斜、位移,为准确控制钻孔深度,应在机架上或机管上作出控制的标尺,以便在施工中进行观测、记录。3、钻孔:调直机架挺杆,对好桩位(用对位圈),开动机器钻进、出土,达到控制深度后停钻、提钻。4、检查成孔质量:1、钻深测定。用测深绳(锤)或手提灯测量孔深及虚土厚度。虚土厚度等于钻孔深的差值。虚土厚度一般不应超过 10cm。2、孔径控制。钻进遇有含石块较多的土层,或含水量较大的软塑粘土层时,必须防止钻杆晃动引起孔径扩大,致使孔壁附着扰动土和孔底增加回落土。5、孔底土清理钻到预定的深度后,必须在孔底处进行空转清土,然后停止转动;提钻杆,不得曲转钻杆。孔底的虚土厚度超过质量标准时,要分析原因,采取措施进行处理。进钻过程中散落在地面上的土,必须随时清除运走。6、移动钻机到下一桩位经过成孔检查后,应填好桩孔施工记录。然后盖好孔口盖板,并要防止在盖板上行车或走人。最后再移走钻...

1、当您付费下载文档后,您只拥有了使用权限,并不意味着购买了版权,文档只能用于自身使用,不得用于其他商业用途(如 [转卖]进行直接盈利或[编辑后售卖]进行间接盈利)。
2、本站所有内容均由合作方或网友上传,本站不对文档的完整性、权威性及其观点立场正确性做任何保证或承诺!文档内容仅供研究参考,付费前请自行鉴别。
3、如文档内容存在违规,或者侵犯商业秘密、侵犯著作权等,请点击“违规举报”。

碎片内容

螺旋钻孔灌注桩施工方案.

您可能关注的文档

确认删除?
VIP
微信客服
  • 扫码咨询
会员Q群
  • 会员专属群点击这里加入QQ群
客服邮箱
回到顶部