电脑桌面
添加小米粒文库到电脑桌面
安装后可以在桌面快捷访问

一级减速器课程设计参考实例1

一级减速器课程设计参考实例1_第1页
1/14
一级减速器课程设计参考实例1_第2页
2/14
一级减速器课程设计参考实例1_第3页
3/14
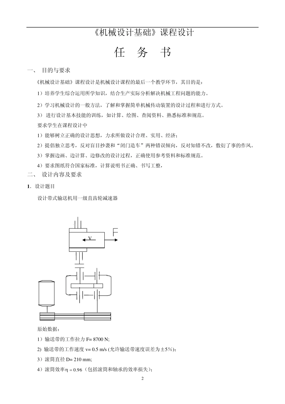
课程设计(综合实验)报告 ( 名 称: 机械设计基础课程设计 题 目: 一级减速器 院 系: 动力系 班 级: 学 号: 学生姓名: 指导教师: 设计周数: 成 绩: 日期: 1 目 录 一、任务书…………….………………………………………………2 二、传动方案拟定…………….……………………………….……...2 三、计算说明书……………………………………….…….………...4 四、电动机的选择计算……………………………………….……....4 五、传动装置的运动和动力参数计算……………….…….………...5 六、传动零件的设计计算………………………………….….……...5 七、轴的设计计算…………………………………………………….7 八、滚动轴承的选择及校核计算………………………….………..1 0 九、键联接的选择和计算………..………………………………….1 1 十、润滑与密封…………….………………………………………..1 2 2 《机械设计基础》课程设计 任 务 书 一、 目的与要求 《机械设计基础》课程设计是机械设计课程的最后一个教学环节,其目的是: 1)培养学生综合运用所学知识,结合生产实际分析解决机械工程问题的能力。 2)学习机械设计的一般方法,了解和掌握简单机械传动装置的设计过程和进行方式。 3) 进行设计基本技能的训练,如计算、绘图、查阅资料、熟悉标准和规范。 要求学生在课程设计中 1)能够树立正确的设计思想,力求所做设计合理、实用、经济; 2)提倡独立思考,反对盲目抄袭和“闭门造车”两种错误倾向,反对知错不改,敷衍了事的作风。 3)掌握边画、边计算、边修改的设计过程,正确使用参考资料和标准规范。 4)要求图纸符合国家标准,计算说明书正确、书写工整, 二、 设计内容及要求 1 .设计题目 设计带式输送机用一级直齿轮减速器 原始数据: 1)输送带的工作拉力 F= 8700 N; 2) 输送带的工作速度v= 0.5 m/s (允许输送带速度误差为±5%); 3)滚筒直径 D= 210 mm; 4)滚筒效率96.0(包括滚筒和轴承的效率损失); V 3 5)工作情况:两班制连续单向运转,载荷较平稳; 6) 使用折旧期:5 年 7)动力来源:电力,三相交流,电压380V ; 8)制造条件及生产批量:一般机械厂制造,小批量生产。 2 .设计内容: 1)选择电动机;计算运动和动力参数;传动零件的设计。 2)绘制装配图和零件图。 3)设计计算说明书一份,包...

1、当您付费下载文档后,您只拥有了使用权限,并不意味着购买了版权,文档只能用于自身使用,不得用于其他商业用途(如 [转卖]进行直接盈利或[编辑后售卖]进行间接盈利)。
2、本站所有内容均由合作方或网友上传,本站不对文档的完整性、权威性及其观点立场正确性做任何保证或承诺!文档内容仅供研究参考,付费前请自行鉴别。
3、如文档内容存在违规,或者侵犯商业秘密、侵犯著作权等,请点击“违规举报”。

碎片内容

一级减速器课程设计参考实例1

确认删除?
VIP
微信客服
  • 扫码咨询
会员Q群
  • 会员专属群点击这里加入QQ群
客服邮箱
回到顶部