电脑桌面
添加小米粒文库到电脑桌面
安装后可以在桌面快捷访问

一般生产车间和作业场所工作面上的照度标准值

一般生产车间和作业场所工作面上的照度标准值_第1页
1/10
一般生产车间和作业场所工作面上的照度标准值_第2页
2/10
一般生产车间和作业场所工作面上的照度标准值_第3页
3/10
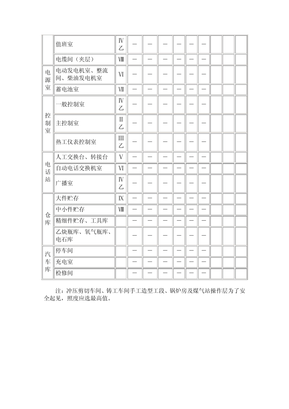
一般生产车间和作业场所工作面上的照度标准值 车间和作业场所 视觉 作业 等级 照度范围(Lx) 混合照明 混合照明中 的一般照明 一般照明 金属 机械 加工 车间 粗加工 Ⅲ乙 300 500 750 30 50 75 - - - 精加工 Ⅱ乙 500 750 1000 50 75 100 - - - 精密 Ⅰ乙 1000 1500 2000 100 150 200 - - - 机电 装配 车间 大件装配 V - - - - - - 50 75 100 小件装配、试车台 Ⅱ乙 500 750 1000 75 100 150 - - - 精密装配 Ⅰ乙 1000 1500 2000 100 150 200 - - - 焊 接 车 间 手动焊接*、切割*、接触焊、电渣焊 V - - - - - - 50 75 100 自动焊接、一般划线 * Ⅳ乙 - - - - - - 75 100 150 精密划线* Ⅱ甲 750 1000 1500 75 100 150 - - - 备料(如有冲压、剪切设备则参照冲压剪切车间) Ⅵ - - - - - - 30 50 75 钣金车间 V - - - - - - 50 75 100 冲压剪切车间 Ⅳ乙 200 300 500 30 50 75 - - - 锻工车间 X - - - - - - 30 50 75 热处理车间 Ⅵ - - - - - - 30 50 75 铸 工 车 间 熔化、浇铸 X - - - - - - 30 50 75 型砂处理、清理、落砂 Ⅵ - - - - - - 20 30 50 手工造型* Ⅲ乙 300 500 750 30 50 75 - - - 机器造型 Ⅵ - - - - - - 30 50 75 木 工 车 间 机床区 Ⅲ乙 300 500 750 30 50 75 - - - 锯木区 V - - - - - - 50 75 100 木模区 Ⅳ甲 300 500 750 50 75 100 - - - 表面 处理 车间 电镀槽间、喷漆间 V - - - - - - 50 75 100 酸洗间、发兰间、喷砂间 Ⅵ - - - - - - 30 50 75 抛光间 Ⅲ甲 500 750 1000 50 75 100 150 200 300 电泳涂漆间 V - - - - - - 50 75 100 电 修 车 间 一般 Ⅳ甲 300 500 750 30 50 75 - - - 精密 Ⅲ甲 500 750 1000 50 75 100 - - - 拆卸、清洗场地* Ⅵ - - - - - - 30 50 75 实 验 室 理化室 Ⅲ乙 - - - - - - 100 150 200 计量室 Ⅱ乙 - - - - - - 150 200 300 动 力 站...

1、当您付费下载文档后,您只拥有了使用权限,并不意味着购买了版权,文档只能用于自身使用,不得用于其他商业用途(如 [转卖]进行直接盈利或[编辑后售卖]进行间接盈利)。
2、本站所有内容均由合作方或网友上传,本站不对文档的完整性、权威性及其观点立场正确性做任何保证或承诺!文档内容仅供研究参考,付费前请自行鉴别。
3、如文档内容存在违规,或者侵犯商业秘密、侵犯著作权等,请点击“违规举报”。

碎片内容

一般生产车间和作业场所工作面上的照度标准值

您可能关注的文档

确认删除?
VIP
微信客服
  • 扫码咨询
会员Q群
  • 会员专属群点击这里加入QQ群
客服邮箱
回到顶部