电脑桌面
添加小米粒文库到电脑桌面
安装后可以在桌面快捷访问

三相异步电动机嵌线规律

三相异步电动机嵌线规律_第1页
1/7
三相异步电动机嵌线规律_第2页
2/7
三相异步电动机嵌线规律_第3页
3/7
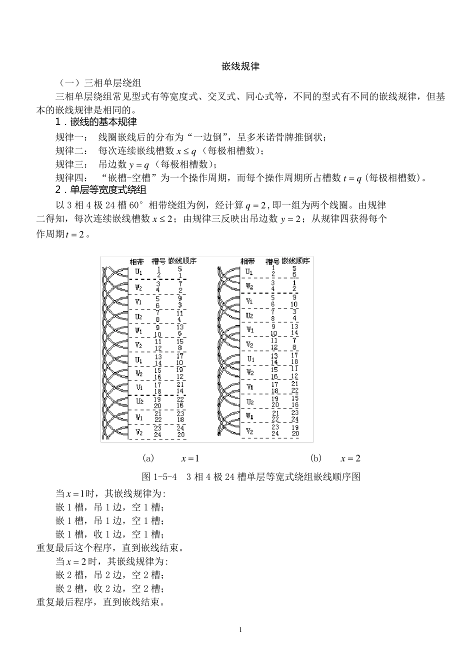
1 嵌线规律 (一)三相单层绕组 三相单层绕组常见型式有等宽度式、交叉式、同心式等,不同的型式有不同的嵌线规律,但基本的嵌线规律是相同的。 1. 嵌 线 的 基 本 规 律 规律一: 线圈嵌线后的分布为“一边倒”,呈多米诺骨牌推倒状; 规律二: 每次连续嵌线槽数qx (每极相槽数); 规律三: 吊边数qy (每极相槽数); 规律四: “嵌槽-空槽”为一个操作周期,而每个操作周期所占槽数qt (每极相槽数)。 2. 单层等宽度式绕组 以3 相4 极24 槽60°相带绕组为例,经计算2q,即一组为两个线圈。由规律 二得知,每次连续嵌线槽数2x;由规律三反映出吊边数2y;从规律四获得每个 作周期2t。 (a) 1x (b) 2x 图 1-5-4 3 相4 极24 槽单层等宽式绕组嵌线顺序图 当1x时,其嵌线规律为: 嵌1 槽,吊1 边,空1 槽; 嵌1 槽,吊1 边,空1 槽; 嵌1 槽,收 1 边,空1 槽; 重复最后这个程序,直到嵌线结束。 当2x时,其嵌线规律为: 嵌2 槽,吊2 边,空2 槽; 嵌2 槽,收 2 边,空2 槽; 重复最后程序,直到嵌线结束。 2 通过图1-5-4 所示,可直观地看出单层等宽度式绕组线圈,嵌线后的分布完全满足上述规律,当qx 、qy 、qt 时,归纳单层等宽度式绕组嵌线规律: 嵌x 槽,吊x 边,空x 槽; 嵌x 槽,吊y 边,空q 槽; 嵌x 槽,收 边,空q 槽。 重复最后一个程序,直到嵌线结束。 3.单 层 交叉式绕组 以3 相4 极36 槽60°相带绕组为例, 得知3q,依照嵌线规律,3x(规律二)、 3y(规律三)、3t(规律四),其具体 嵌线规律为: 嵌2 槽,吊2 边,空1 槽; 嵌1 槽,吊1 边,空2 槽; 嵌2 槽,收2 边,空1 槽; 嵌1 槽,收1 边,空2 槽。 重复后两个程序,直到嵌线结束,嵌线顺序 见图1-5-5 所示。 归纳任意q 值的交叉式绕组,当3x 的整 数 时,其 一般 嵌线规律是 : 图1-5-5 3 相4 极36 槽单层交叉式 绕组嵌线顺序图 嵌x 槽,吊x 边,空(xq )槽; 嵌(xq )槽,吊(xq )边,空x 槽; 嵌x 槽,收x 边,空(xq )槽; 嵌(xq )槽,收(xq )边,空x 槽; 重复后两个程序直到收完所有边,嵌线结束。 4.单 层 同心式绕组 同心式绕组同样可采用前述的空槽吊边法嵌线,但在实际操作中为了方便,通常采用整嵌法,即分层嵌线。当极对数 p 为偶数时,绕组线圈端部分成两层,构...

1、当您付费下载文档后,您只拥有了使用权限,并不意味着购买了版权,文档只能用于自身使用,不得用于其他商业用途(如 [转卖]进行直接盈利或[编辑后售卖]进行间接盈利)。
2、本站所有内容均由合作方或网友上传,本站不对文档的完整性、权威性及其观点立场正确性做任何保证或承诺!文档内容仅供研究参考,付费前请自行鉴别。
3、如文档内容存在违规,或者侵犯商业秘密、侵犯著作权等,请点击“违规举报”。

碎片内容

三相异步电动机嵌线规律

小辰5+ 关注
实名认证
内容提供者

出售各种资料和文档

确认删除?
VIP
微信客服
  • 扫码咨询
会员Q群
  • 会员专属群点击这里加入QQ群
客服邮箱
回到顶部