电脑桌面
添加小米粒文库到电脑桌面
安装后可以在桌面快捷访问

三角形钢屋架

三角形钢屋架_第1页
1/18
三角形钢屋架_第2页
2/18
三角形钢屋架_第3页
3/18
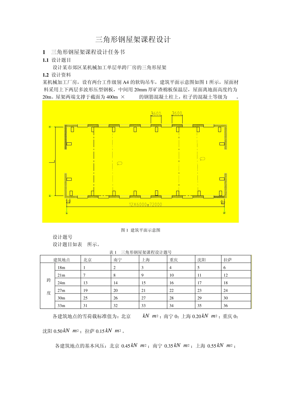
三角形钢屋架课程设计 1 三角形钢屋架课程设计任务书 1 .1 设计题目 设计某市郊区某机械加工单层单跨厂房的三角形屋架 1 .2 设计资料 某机械加工厂房,设有两台工作级别A4 的软钩吊车,建筑平面示意图如图1 所示,屋面材料采用上下两层多波形压型钢板,中间用20mm 厚矿渣棉板保温层,屋面离地面高度约为20m。屋架两端支撑于截面为400mm×400mm的钢筋混凝土柱上,柱子的混凝土等级为C20。 图1 建筑平面示意图 1.3 设计题号 设计题目如表 1所示。 表 1 三角形钢屋架课程设计题号 建筑地点 北京 南宁 上海 重庆 沈阳 拉萨 跨 度 18m 1 2 3 4 5 6 21m 7 8 9 10 11 12 24m 13 14 15 16 17 18 27m 19 20 21 22 23 24 30m 25 26 27 28 29 30 33m 31 32 33 34 35 36 各建筑地点的雪荷载标准值为:北京 0.402kN m;南宁 0;上海 0.202kN m;重庆 0;沈阳 0.502kN m;拉萨 0.152kN m。 各建筑地点的基本风压:北京 0.452kN m;南宁 0.352kN m;上海 0.552kN m; 重庆 0.402kN m;沈阳 0.552kN m;拉萨 0.302kN m。 1 .4 设计内容 (1)选择钢屋架的材料; (2)确定钢屋架的几何尺寸; (3)屋架及屋盖支撑的布置; (4)檩条的设计; (5)钢屋架的设计; (6)绘制钢屋架施工图。 1 .5 参考资料 (1)《钢结构设计规范》(GB50017~ 2003)。 (2)《建筑结构荷载规范》(GB50009~ 2001)。 (3)《建筑抗震设计规范》(GB50011~ 2001)。 (4)《建筑结构可靠度设计统一标准》(GB50068~ 2001) (5)《建筑结构制图标准》(GB—T50101—2001) (6)《建筑结构设计术语和符号标准》(GB/T50083—97) (7)《钢结构设计手册》,罗邦富等,中国建筑工业出版社,1988。 (8)《钢结构》(第二版),魏忠明主编,武汉理工大学出版社,2002。 2 、三角形钢屋架课程设计指导书 参见梯形钢结构屋架课程实际指导书 3 、三角形钢屋架课程设计实例 3 .1 设计资料 三角形(芬克式)屋架跨度 24m,间距 6m,屋面材料为压型钢板(自重 0.122kN m),屋面坡度 1/2.5,厂房长度为 60m。基本风压 0.402kN m,雪荷载为 0.352kN m,屋面高度为(平均约)20m,屋架支撑于钢筋混凝土柱上。钢材采用Q235—B,焊条采用E43 型。 3 .2 屋架尺寸和檩条、支撑布置 1、屋架尺寸 屋架计算跨度:0l =l -300=27000-300=2670...

1、当您付费下载文档后,您只拥有了使用权限,并不意味着购买了版权,文档只能用于自身使用,不得用于其他商业用途(如 [转卖]进行直接盈利或[编辑后售卖]进行间接盈利)。
2、本站所有内容均由合作方或网友上传,本站不对文档的完整性、权威性及其观点立场正确性做任何保证或承诺!文档内容仅供研究参考,付费前请自行鉴别。
3、如文档内容存在违规,或者侵犯商业秘密、侵犯著作权等,请点击“违规举报”。

碎片内容

三角形钢屋架

小辰+ 关注
实名认证
内容提供者

出售各种文档和资料

相关文档

确认删除?
VIP
微信客服
  • 扫码咨询
会员Q群
  • 会员专属群点击这里加入QQ群
客服邮箱
回到顶部