电脑桌面
添加小米粒文库到电脑桌面
安装后可以在桌面快捷访问

3、确保安全生产的技术组织措施

3、确保安全生产的技术组织措施_第1页
1/12
3、确保安全生产的技术组织措施_第2页
2/12
3、确保安全生产的技术组织措施_第3页
3/12
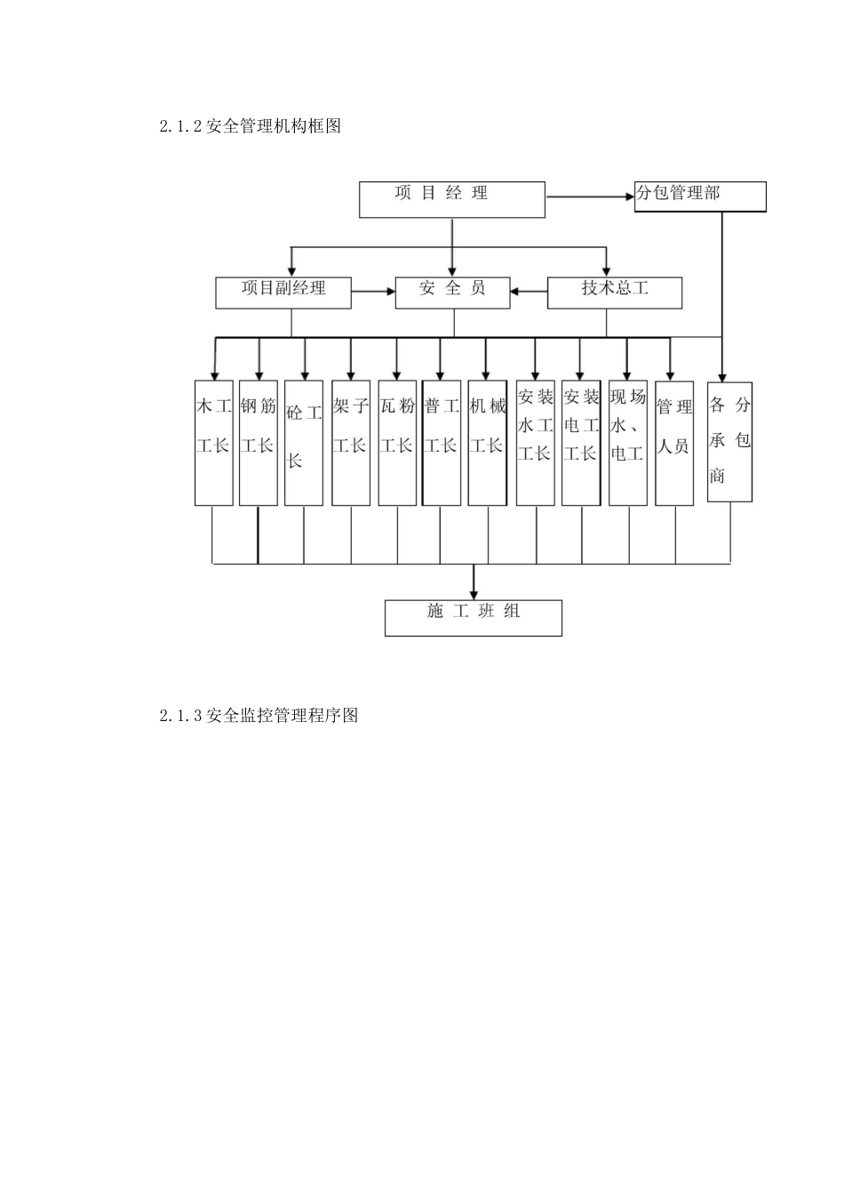
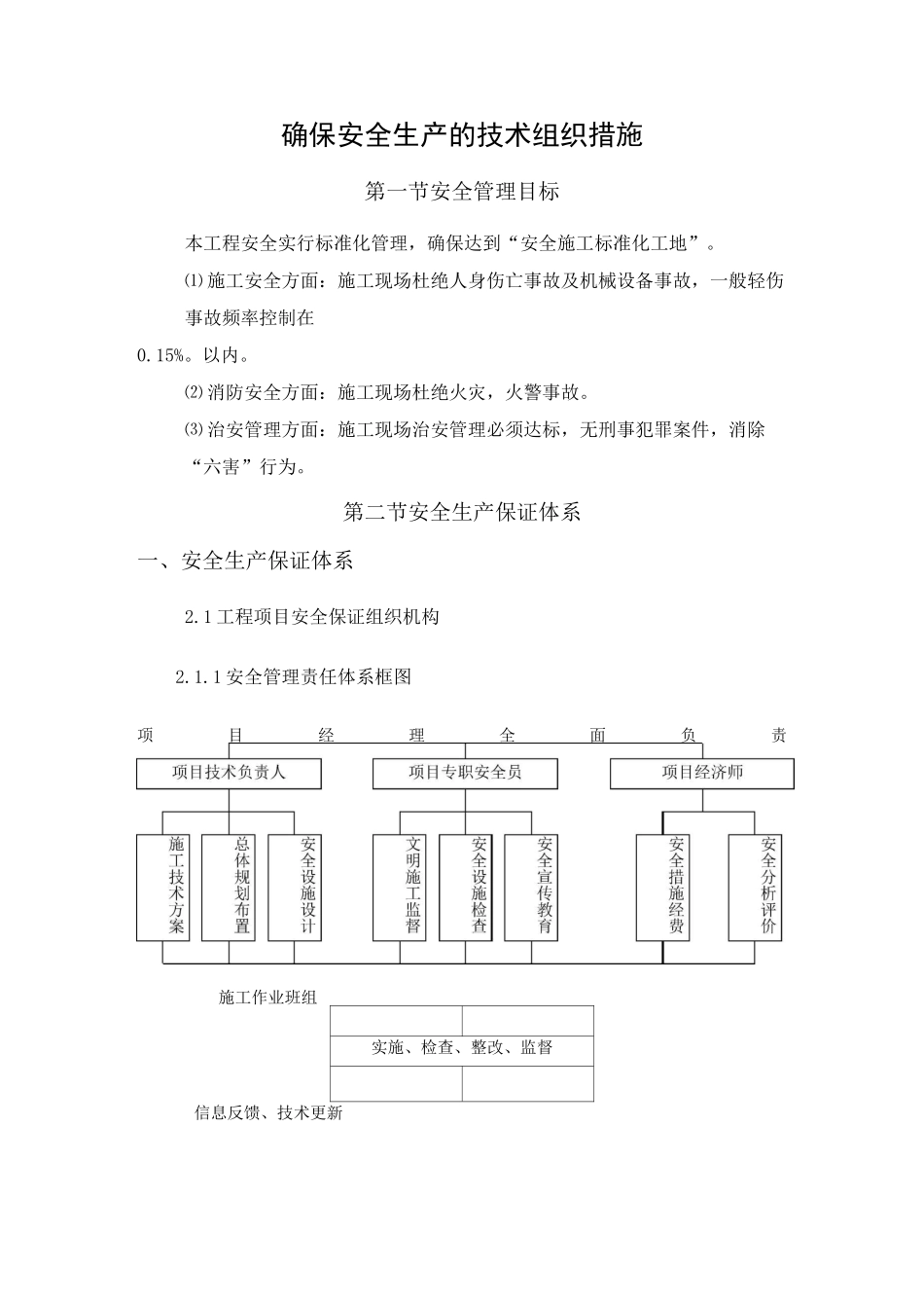
确保安全生产的技术组织措施第一节安全管理目标本工程安全实行标准化管理,确保达到“安全施工标准化工地”。⑴ 施工安全方面:施工现场杜绝人身伤亡事故及机械设备事故,一般轻伤事故频率控制在0.15%。以内。⑵ 消防安全方面:施工现场杜绝火灾,火警事故。⑶ 治安管理方面:施工现场治安管理必须达标,无刑事犯罪案件,消除“六害”行为。第二节安全生产保证体系一、安全生产保证体系2.1 工程项目安全保证组织机构2.1.1 安全管理责任体系框图项目经理全面负责施工作业班组实施、检查、整改、监督信息反馈、技术更新2.1.2 安全管理机构框图2.1.3 安全监控管理程序图2.1.3 安全紧急事故处理流程2.2 职责范围⑴ 公司安技处:对本项工程安全生产负指导、协助、检查、监督实施责任。⑵ 项目经理:对本项目的安全生产负主要领导责任,按照本计划及各项标准、规范、规定的要求,全面组织开展安全生产的宣传、教育、指导、检查实施等一系列的活动。⑶ 项目副经理:对本项目安全生产计划的实施及安全技术各项措施的实施负组织、监督、宣传、教育、检查的责任。⑷ 施工员、工长:对所管工程的安全生产负直接责任。组织落实安全附技术措施,进行安全技术交底,对施工现场安全防护装置要组织检查验收。⑸ 安全员:对本项目的安全生产负实施、协助、宣传、教育、监督实施、检查落实的责任。⑹ 施工班组:认真学习安全生产、文明施工的意义、责任及内容,负责参与安全管理,落实各项安全措施,各尽其职,完成本岗位的工作职责。二、安全管理制度⑴ 进入现场必须遵守安全生产六大纪律。⑵ 认真贯彻“安全第一、预防为主”的方针,坚持管生产必须管安全的原则,认真宣传建设部有关安全规定,坚持安全技术交底制度。⑶ 施工前对参与本工程施工的全体人员进行安全宣传教育,组织职工学习国务院、建设部、陕西省、市、公司颁发的安全生产《规定》、《条例》和《安全生产操作规程》,并要求职工在生产中严格遵守有关文件的规定。⑷ 施工前和施工过程中,要经常对施工现场所有设备进行安全性能检查,未经有关部门验收的设备或设施不准使用,不符合安全规定的地方要立即整改完善,并在施工现场设置必须的护栏和警告牌。⑸ 严格按照经公司审定的施工组织设计和分部分项安全技术措施的要求进行施工,操作人员必须严守岗位职责,遵守安全操作规程,特殊工种应经培训持证上岗。各级安全员每天进行安全检查,禁止违章指挥,违章操作。⑹ 坚持执行“三宝...

1、当您付费下载文档后,您只拥有了使用权限,并不意味着购买了版权,文档只能用于自身使用,不得用于其他商业用途(如 [转卖]进行直接盈利或[编辑后售卖]进行间接盈利)。
2、本站所有内容均由合作方或网友上传,本站不对文档的完整性、权威性及其观点立场正确性做任何保证或承诺!文档内容仅供研究参考,付费前请自行鉴别。
3、如文档内容存在违规,或者侵犯商业秘密、侵犯著作权等,请点击“违规举报”。

碎片内容

3、确保安全生产的技术组织措施

您可能关注的文档

确认删除?
VIP
微信客服
  • 扫码咨询
会员Q群
  • 会员专属群点击这里加入QQ群
客服邮箱
回到顶部