电脑桌面
添加小米粒文库到电脑桌面
安装后可以在桌面快捷访问

仓库管理控制程序

仓库管理控制程序_第1页
1/12
仓库管理控制程序_第2页
2/12
仓库管理控制程序_第3页
3/12
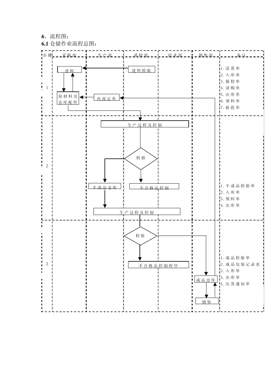
仓库管理控制程序 1 、目的 2 、适用范围 3 、职责 4 、定义 5 、相关文件 6 、流程图 7 、流程图说明 8 、相关表单 9 、附件 1 、目的: 使公司仓储收发、存放等作业明确,以使帐物相符,并有效予以控制,优化库存,防止仓储物变异,进而维护产品质量。 2 、适用范围: 本程序适用于公司所有仓储物品的贮存管理。 3 、职责: 3 .1 原材料及配件仓库负责原材料及配件的储存管理及料号编制。 3 .2 半成品仓库负责对已检验合格的半成品进行储存管理。 3 .3 成品仓库负责对已检验合格的成品进行储存管理。 4 、定义: 4 .1 原材料:各类化工原料 4 .2 配件:各类五金材料,机器配件,包装材料及杂物。 4 .3 半成品:已加工成型,但未完成所有工序的产品。 4 .4 成品:已加工好的各种产品。 5 . 相关文件: 《搬运、储存、包装与防护的控制程序》 《服务控制程序》 《不合格品的控制》 《仓储管理制度总则》 《原材料安全库存表》 《配件安全库存表》 6 、流程图: 6 .1 仓储作业流程总图: 步 骤采 购 部生 产 部质 检 部技 术 部销 售 部备 注1.送 货 单2.入 库 单3.报 检 单14.请 购 单5.出 库 单6.领 料 单7.验 收 单21.半 成 品 检 验 单2.入 库 单3.领 料 单4.出 库 单1.成 品 检 验 单32.成 品 包 装 记 录 表3.入 库 单4.出 库 单5.出 货 通 知 单进 料进 料 检 验原 材 料 及仓 库 配 件内 部 定 单生 产 过 程 及 控 制 检 验半 成 品 仓 库不 合 格 品 控 制生 产 过 程 及 控 制检 验不 合 格 品 控 制 程 序成 品 仓 库销 售步骤采购部质检部生产部备注11.请购单2 O K NO1.送货单3 O K2.报检单 O K45671.领料单2.出库单896.2 原材料仓库作业流程图:1.原材料安全库存表1.入库单供应商接 收退货、 补 货、 归 档评 估检验紧 急 放 行审 批入 库定义物料属 性计划和盘点实 物 盘 点周 期 盘 点发 料配 料下 工 序生产计 划通 知产生采购请求 库存控 制 堆 放 控 制有 效 期生成 货签ABC分 析6.3 配件仓库作业流程图: 部门内容步骤11 .请购单231 .送货单4 NO51 .入库单6781 .领料单2 .出库单91 .配件安全库存表采购部设备部备注供应商采购要求接受检验更换、 补 货入库主 要配件计 划 和 盘 点实 物...

1、当您付费下载文档后,您只拥有了使用权限,并不意味着购买了版权,文档只能用于自身使用,不得用于其他商业用途(如 [转卖]进行直接盈利或[编辑后售卖]进行间接盈利)。
2、本站所有内容均由合作方或网友上传,本站不对文档的完整性、权威性及其观点立场正确性做任何保证或承诺!文档内容仅供研究参考,付费前请自行鉴别。
3、如文档内容存在违规,或者侵犯商业秘密、侵犯著作权等,请点击“违规举报”。

碎片内容

仓库管理控制程序

确认删除?
VIP
微信客服
  • 扫码咨询
会员Q群
  • 会员专属群点击这里加入QQ群
客服邮箱
回到顶部