电脑桌面
添加小米粒文库到电脑桌面
安装后可以在桌面快捷访问

仓库管理程序文件

仓库管理程序文件_第1页
1/6
仓库管理程序文件_第2页
2/6
仓库管理程序文件_第3页
3/6
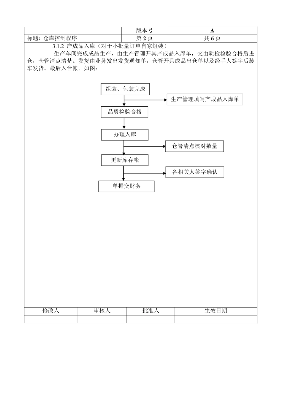
仓库管理程序文件 文件编号 TS-QR-CK-01 版本号 A 标题: 仓库控制程序 第1 页 共6 页 1.0.范围: 适用于全公司全体员工。 2.0.目的: 为了使仓库管理更完善规范化,为了能使成本核算更准确,物料能得到更好的控制与管理,特作出此管理流程。 3.0.管理流程: 3.1 入库: 3 .1 .1 采购入库 供应商来料,采购填写采购入库单交于仓管,仓管凭采购入库单收货。仓管必须拿采购入库单、供应商的送货单与货物相对照清点是否单物相符。仓管再打印三联送检报告单提交给品质检验,品质检验合格后由品检、仓库及采购签字后可办理入库。办完入库手续后仓管将送检报告、供应商送货单和采购入库单交由采购,便于采购月底跟供应商对账、财务请款及成本核算。如图: 修改人 审核人 批准人 生效日期 仓库管理程序文件 文件编号 TS-QR-CK-01 收货 更新库存帐 验货 办理入库 单据上交采购 供应商来料 采购填写采购入库仓管打印送检报告单 品质检验合格后 按保管条件存放 各相关人签字确认 版本号 A 标题: 仓库控制程序 第2 页 共6 页 3 .1 .2 产成品入库(对于小批量订单自家组装) 生产车间完成成品生产,由生产管理开具产成品入库单,交由质检检验合格后进仓,仓管清点清楚。发货由业务发出发货通知单,仓管开具成品出仓单以及经手人签字后装车发货。最后入台帐。如图: 修改人 审核人 批准人 生效日期 组装、包装完成 更新库存帐 单据交财务 品质检验合格 生产管理填写产成品入库单 办理入库 仓管清点核对数量 各相关人签字确认 仓库管理程序文件 文件编号 TS-QR-CK-01 版本号 A 标题: 仓库控制程序 第 3 页 共6 页 3.2 领料: 3.2.1 生产领料: 领料原则“先进先出”;生产车间领料按 BOM 清单开具生产领料单,生产领料单上必须注明生产单号。仓管员凭生产领料单,按先进先出的原则给予首次发放。物料发完后仓管员必须在发料人上签字双方确认。领料人复印 2 份给仓管,仓管发完物料后按单更新台帐并上交一份单据给财务。如图: 修改人 审核人 批准人 生效日期 生产领料 生产开具生产领料单 仓管对照生产 领料单发料 仓管发完料后签字双方确认 生产复印 2 份单据给仓管 生产主管审核 仓管按单据更新台帐 单据上交一份给财务 仓库管理程序文件 文件编号 TS-QR-CK-01 版本号 A 标题: 仓库控制程序 第 4 页 共6 页 3 .2 .2 其他领料: 领料...

1、当您付费下载文档后,您只拥有了使用权限,并不意味着购买了版权,文档只能用于自身使用,不得用于其他商业用途(如 [转卖]进行直接盈利或[编辑后售卖]进行间接盈利)。
2、本站所有内容均由合作方或网友上传,本站不对文档的完整性、权威性及其观点立场正确性做任何保证或承诺!文档内容仅供研究参考,付费前请自行鉴别。
3、如文档内容存在违规,或者侵犯商业秘密、侵犯著作权等,请点击“违规举报”。

碎片内容

仓库管理程序文件

小辰7+ 关注
实名认证
内容提供者

出售各种资料和文档

确认删除?
VIP
微信客服
  • 扫码咨询
会员Q群
  • 会员专属群点击这里加入QQ群
客服邮箱
回到顶部