电脑桌面
添加小米粒文库到电脑桌面
安装后可以在桌面快捷访问

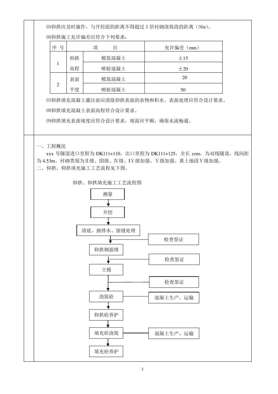
仰拱、仰拱填充技术交底

仰拱、仰拱填充技术交底_第1页
1/8
仰拱、仰拱填充技术交底_第2页
2/8
仰拱、仰拱填充技术交底_第3页
3/8
1 施 工 技 术 交 底 通 知 单 单 位 名 称 : xxx号 隧 道 编 号 : 工 程 项 目 仰 拱 、 仰 拱 填 充 工 程 部 位 接 受 班 组 及 有 关 人 员 工 程 数 量 进 度 要 求 按 照 要 求 质 量 标 准 一 、 仰 拱 开 挖 (1)隧 道 开 挖 断 面 的 中 线 、 高 程 必 须 符 合 设 计 要 求 。 (2)隧 道 不 应 欠 挖 。 当 围 岩 完 整 、 石 质 坚 硬 时 , 方 允 许 岩 石 个 别 突 出 部 分 ( 每 1 m2 不 大 于 0.1 m2)侵 入 衬 砌 , 整 体 式 衬 砌 应 小 于 10cm, 其 他 衬 砌 不 应 大 于 5cm。 拱 脚 和 墙 脚 以 上 1m 内 断 面 严 禁 欠 挖 。 (3)隧 底 开 挖 底 部 高 程 应 符 合 设 计 要 求 。 隧 底 范 围 岩 石 局 部 突 出 每 平 方 米 内 不 应 大 于0.1m2, 侵入 断 面 不 应 大 于 5cm。 (4)隧 底 地 质 情 况 应 满 足 设 计 要 求 , 基 地 内 无 积 水 浮 渣 。 (5)当 隧 底 进 行 加 固 处 理 时 , 应 符 合 设 计 要 求 。 (6)水 沟 应 与 边 墙 基 础同时 开 挖 , 且一 次成型。 边 墙 基 础高 程 应 符 合 设 计 要 求 。 (7)隧 底 轮廓符 合 设 计 要 求 , 隧 底 允 许 最大 平 均超挖 值为10cm。 二、 拱 底 支护 三、 绑扎钢筋 (1)钢筋进 场应 按 批抽取试件作力学性能( 屈服强度 、 抗拉强度 和 伸长率) 和 工 艺性能( 冷弯)试验, 其 质 量 必 须 符 合 现行 国家标 准 《钢筋混凝土用热轧光圆钢筋》(GB13013)和 《钢筋混凝土用热轧带肋钢筋》(GB1499)等的 规定和 设 计 要 求 。 检验数 量 : 以 同牌号 、 同炉罐号 、 同规格、 同交 货状态的 钢筋, 每 60t为一 批, 不 足 60t应 按 一批计 。 每 批抽检一 次。 (2)钢筋品种和 规格必 须 符 合 设 计 要 求 检验数 量 施 工 单 位 监理 单 位 全部 检查检验方 法观察, 钢尺检查。 (3)钢筋的 连接 方 式 必 须 符 合 设 计 要 求 检验数 量 施 工 单 位 监理 单 位 全部 检查检验方 法观察。 (4)钢筋接 头的 技 术 条件...

1、当您付费下载文档后,您只拥有了使用权限,并不意味着购买了版权,文档只能用于自身使用,不得用于其他商业用途(如 [转卖]进行直接盈利或[编辑后售卖]进行间接盈利)。
2、本站所有内容均由合作方或网友上传,本站不对文档的完整性、权威性及其观点立场正确性做任何保证或承诺!文档内容仅供研究参考,付费前请自行鉴别。
3、如文档内容存在违规,或者侵犯商业秘密、侵犯著作权等,请点击“违规举报”。

碎片内容

仰拱、仰拱填充技术交底

您可能关注的文档

小辰7+ 关注
实名认证
内容提供者

出售各种资料和文档

确认删除?
VIP
微信客服
  • 扫码咨询
会员Q群
  • 会员专属群点击这里加入QQ群
客服邮箱
回到顶部