电脑桌面
添加小米粒文库到电脑桌面
安装后可以在桌面快捷访问

企业职工伤亡事故分类标准GB644186VIP专享

企业职工伤亡事故分类标准GB644186_第1页
1/18
企业职工伤亡事故分类标准GB644186_第2页
2/18
企业职工伤亡事故分类标准GB644186_第3页
3/18
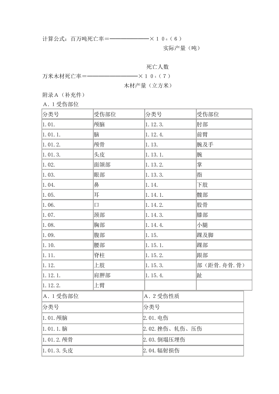
企 业 职 工 伤 亡 事 故 分 类 标 准 G B 6 4 4 1 - 8 6 1 .名 词 、 术 语 1 .1 伤 亡 事 故 : 指 企 业 职 工 在 生 产 劳 动 过 程 中 , 发 生 的 人 身 伤 害 9 以 下 简 称 伤 害 ) 、急 性 中 毒 ( 以 下 简 称 中 毒 ) 。 1 .2 损 失 工 作 日 : 指 被 伤 害 者 失 能 的 工 作 时 间 。 1 .3 暂 时 性 失 能 伤 害 : 指 伤 害 及 中 毒 者 暂 时 不 能 从 事 原 岗 位 工 作 的 伤 害 。 1 .4 永 久 性 部 分 失 能 伤 害 : 指 伤 害 及 中 毒 者 肢 体 或 某 些 器 官 部 分 功 能 不 可 逆 的 丧 失的 伤 害 。 1 .5 永 久 性 全 失 能 伤 害 : 指 除 死 亡 外 一 次 事 故 中 , 受 伤 者 造 成 完 全 残 废 的 伤 害 。 2 .事 故 类 别 2.1 物 体 打 击 2.2 车 辆 伤 害 2.3 机 械 伤 害 2.4 起 重 伤 害 2.5 触 电 2.6 淹 溺 2.7 灼 烫 2.8火 灾 2.9 高 处 坠 落 2.10 坍 塌 2.11 冒 顶 片 帮 2.12 透 水 2.13 放 炮 2.14 火 药爆炸2.15瓦斯爆炸2.16 锅炉爆炸2.17 容器 爆炸2.18 其它爆炸2.19 中 毒 和窒息2.20 其它伤害 3 .伤 害 分 析 3 .1 受 伤 部 位 指 身 体 受 伤 的 部 位 ( 细分 类 详见附录A.1 ) 。 3 .2 受 伤 性 质:指 人 体 受 伤 的 类 型。 确定原 则: a.应以 受 伤 当时 的 身 体 情况为主, 结合愈后可 能 产 生 的 后遗障碍全 面分 析确定; b.多处 受 伤 , 按最严重 的 伤 害 分 类 , 当无法确定时 , 应鉴定为“多伤 害 ”( 细分 类详见附录A.2 ) 。 3 .3 起 因物 : 导致事 故 发 生 的 物 体 、 物 质, 称 为起 因物 ( 细分 类 详见附录A.3 ) 。 3 .4 致害 物 : 指 直接引起 伤 害 及 中 毒 的 物 体 或 物 质( 细分 类 详见附录A.4 ) 。 3 .5 伤 害 方式:指 致害 物 与人 体 发 生 接触 的 方式( 细分 类 详见附录A.5 ) 。 3 .6 不 安全 状态:指 能 导致事 故 发 生 的 物 质条件...

1、当您付费下载文档后,您只拥有了使用权限,并不意味着购买了版权,文档只能用于自身使用,不得用于其他商业用途(如 [转卖]进行直接盈利或[编辑后售卖]进行间接盈利)。
2、本站所有内容均由合作方或网友上传,本站不对文档的完整性、权威性及其观点立场正确性做任何保证或承诺!文档内容仅供研究参考,付费前请自行鉴别。
3、如文档内容存在违规,或者侵犯商业秘密、侵犯著作权等,请点击“违规举报”。

碎片内容

企业职工伤亡事故分类标准GB644186

确认删除?
VIP
微信客服
  • 扫码咨询
会员Q群
  • 会员专属群点击这里加入QQ群
客服邮箱
回到顶部