电脑桌面
添加小米粒文库到电脑桌面
安装后可以在桌面快捷访问

企业能效对标活动实施方案

企业能效对标活动实施方案_第1页
1/9
企业能效对标活动实施方案_第2页
2/9
企业能效对标活动实施方案_第3页
3/9
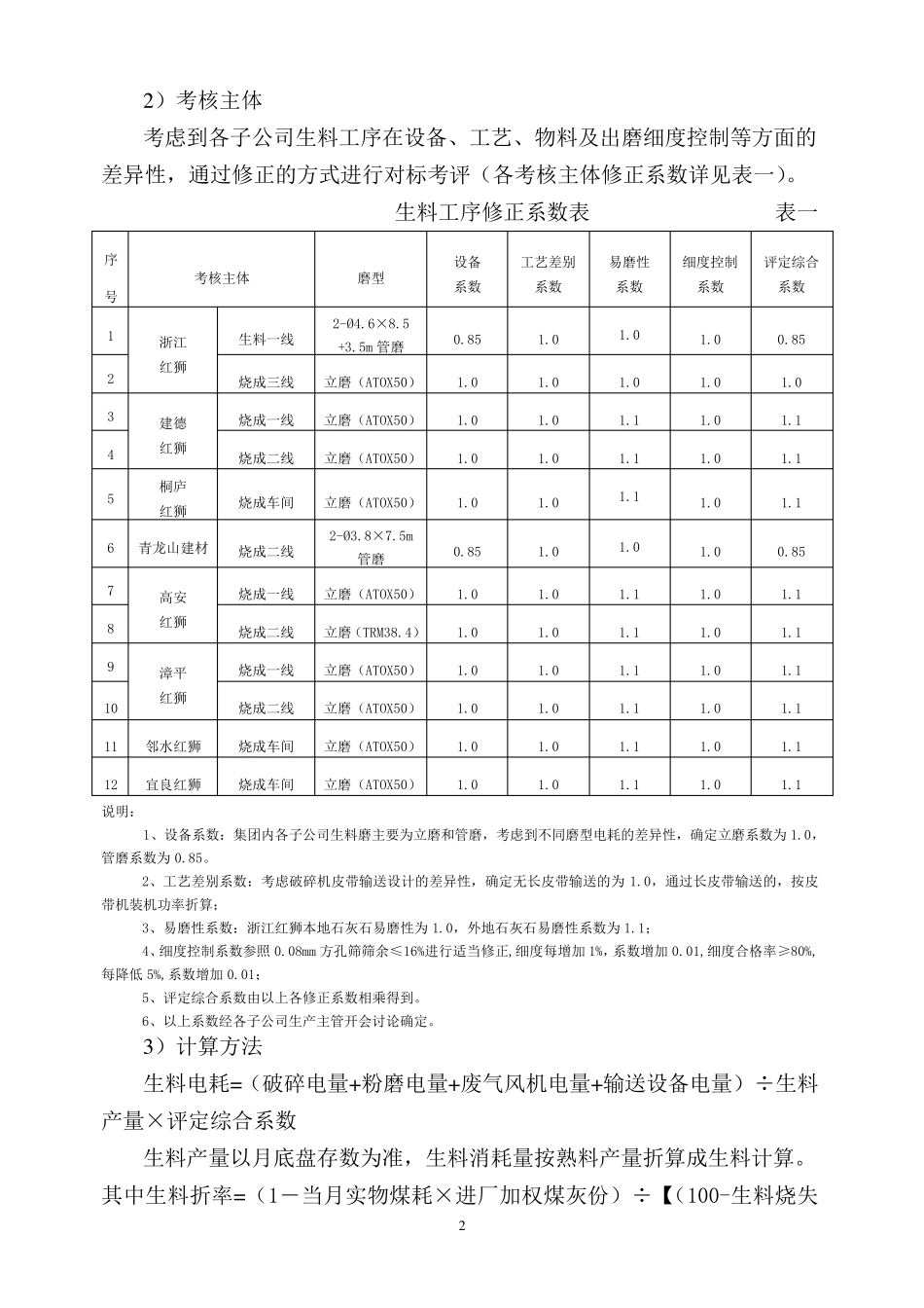
1 车间能效对标活动实施方案 为提高公司管理水平,降低生产成本,充分挖掘企业潜力,不断增强企业竞争力,特制定本实施方案。 一、开展能效对标的重要性 能效对标是企业为提高能效水平,与国际国内同行业先进企业能效指标进行对比分析,确定各项指标的标杆,通过能效管理和采取相应技术措施,达到标杆值或更高能效水平的实践活动,对挖掘潜力、降低成本,增强竞争力具有十分重要的意义。 二、主要目标 通过开展能效对标活动,使单位产品能耗、各工序能耗有所下降,能耗水平达到同行业国际或国内领先水平。 三、适用范围 1、集团下属已投产子公司的生产车间。 2、新投产子公司的车间试产期(一般为三个月)参与排名,不参加考核。 四、对标主要内容 能效对标活动以车间为单位考核,主要对生料工序、熟料工序、制成工序及余热发电工序等指标进行对标,每月进行分析,考评。 1 、生料工序对标 生料工序主要以吨生料电耗为对标项目,单位为度每吨生料(kWh/t)。 1)考核范围 从石灰石破碎到生料均化库顶为止,包括石灰石矿山预破碎及废气风机;生料工序对标统计边界见下图。 原料 2)计算方法 原料预处理 破碎预均化 原料配料 生料 生料粉磨 及均化 石灰石矿山预破碎 废气风机 2 2)考核主体 考虑到各子公司生料工序在设备、工艺、物料及出磨细度控制等方面的差异性,通过修正的方式进行对标考评(各考核主体修正系数详见表一)。 生料工序修正系数表 表一 序号 考核主体 磨型 设备 系数 工艺差别 系数 易磨性 系数 细度控制 系数 评定综合系数 1 浙江 红狮 生料一线 2-Ø4.6×8.5 +3.5m 管磨 0.85 1.0 1.0 1.0 0.85 2 烧成三线 立磨(ATOX50) 1.0 1.0 1.0 1.0 1.0 3 建德 红狮 烧成一线 立磨(ATOX50) 1.0 1.0 1.1 1.0 1.1 4 烧成二线 立磨(ATOX50) 1.0 1.0 1.1 1.0 1.1 5 桐庐 红狮 烧成车间 立磨(ATOX50) 1.0 1.0 1.1 1.0 1.1 6 青龙山建材 烧成二线 2-Ø3.8×7.5m 管磨 0.85 1.0 1.0 1.0 0.85 7 高安 红狮 烧成一线 立磨(ATOX50) 1.0 1.0 1.1 1.0 1.1 8 烧成二线 立磨(TRM38.4) 1.0 1.0 1.1 1.0 1.1 9 漳平 红狮 烧成一线 立磨(ATOX50) 1.0 1.0 1.1 1.0 1.1 10 烧成二线 立磨(ATOX50) 1.0 1.0 1.1 1.0 1.1 11 邻水红狮 烧成车间 立磨(ATOX50) 1.0 1.0 1.1 1.0 1.1 12 宜...

1、当您付费下载文档后,您只拥有了使用权限,并不意味着购买了版权,文档只能用于自身使用,不得用于其他商业用途(如 [转卖]进行直接盈利或[编辑后售卖]进行间接盈利)。
2、本站所有内容均由合作方或网友上传,本站不对文档的完整性、权威性及其观点立场正确性做任何保证或承诺!文档内容仅供研究参考,付费前请自行鉴别。
3、如文档内容存在违规,或者侵犯商业秘密、侵犯著作权等,请点击“违规举报”。

碎片内容

企业能效对标活动实施方案

您可能关注的文档

小辰6+ 关注
实名认证
内容提供者

出售各种资料和文档

确认删除?
VIP
微信客服
  • 扫码咨询
会员Q群
  • 会员专属群点击这里加入QQ群
客服邮箱
回到顶部