电脑桌面
添加小米粒文库到电脑桌面
安装后可以在桌面快捷访问

企业自动监测设备运行与维护记录表

企业自动监测设备运行与维护记录表_第1页
1/12
企业自动监测设备运行与维护记录表_第2页
2/12
企业自动监测设备运行与维护记录表_第3页
3/12
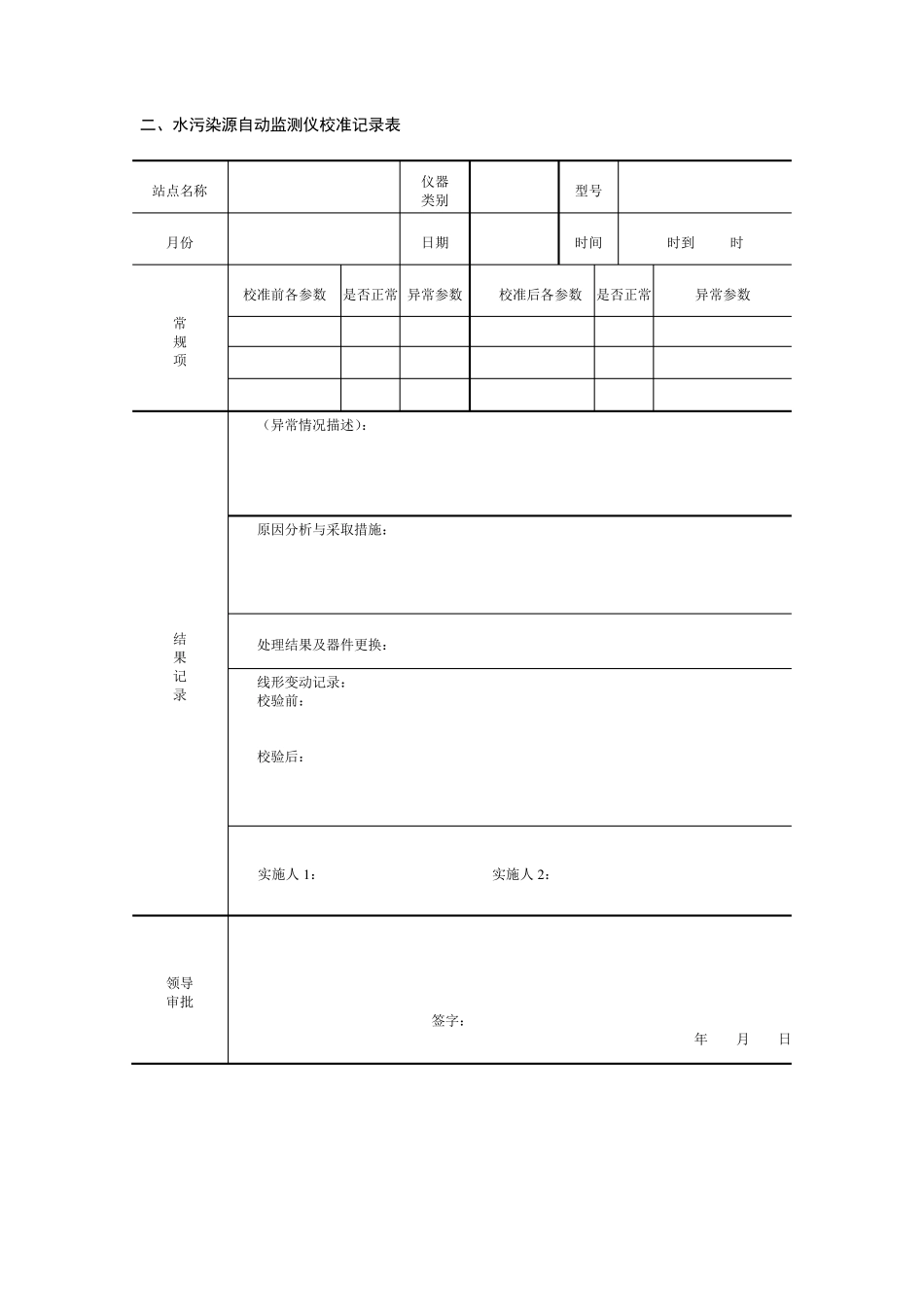
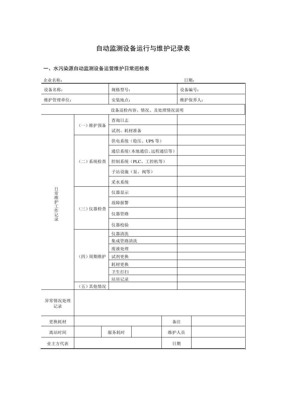
自动监测设备运行与维护记录表 一、水污染源自动监测设备运营维护日常巡检表 企业名称: 日期: 设备名称: 规格型号: 设备编号: 维护管理单位: 安装地点: 维护保养人: 设备巡检内容、情况、及处理情况说明 日常维护工作记录 (一)维护预备 查询日志 试剂、耗材准备 (二)系统检查 供电系统(稳压、U PS 等) 通信系统(本地通信、远程通信等) 控制系统(PLC、工控机等) 子站设施(泵、阀等) 采水系统 (三)仪器检查 仪器显示 故障报警 仪器管路 仪器校验 (四)周期维护 仪器清洗 集成管路清洗 废液处理 试剂更换 耗材更换 卫生打扫 站房记录 (五)其他情况 异常情况处理记录 更换耗材 备注 离站时间 服务耗时 维护人员 业主方代表 日期 二、水污染源自动监测仪校准记录表 站点名称 仪器 类别 型号 月份 日期 时间 时到 时 常 规 项 校准前各参数 是否正常 异常参数 校准后各参数 是否正常 异常参数 结 果 记 录 (异常情况描述): 原因分析与采取措施: 处理结果及器件更换: 线形变动记录: 校验前: 校验后: 实施人 1 : 实施人 2 : 领导 审批 签字: 年 月 日 三、水污染源自动监测仪校验记录表 站点名称 仪器类别 型号 月次 第 月 日期 时间 校验 第一次 质控样 1 质控样 2 水样 1 水样 2 水样 3 标准值 仪器值 误差 结论 线性变动过程记录: 第二次 质控样 1 质控样 2 水样 1 水样 2 水样 3 标准值 仪器值 误差 结论 实施人: 领导 审批 签字: 年 月 日 四、水污染源自动监测设备故障维修记录表 企业名称: 设备名称 规格型号 设备编号 维护管理单位 安装地点 故障情况及发生时间 仪器设备管理员: 年 月 日 维修人: 年 月 日 修复后使用前校验时间、 校验结果说明 校验人: 年 月 日 正常投入使用时间 仪器设备管理员: 年 月 日 负责人: 年 月 日 五、标准溶液核查结果记录表 站点名称: 测定日期: 年 月 日 序号 测试 项目 单位 自动监测仪器 测定结果 配置值(推荐值) 相对误差/ % 备注 运营方代表: 日期: 年 月 日 业主方代表: 日期: 年 月 日 六、烟气自动监测设备日常巡检维护记录表 企业名称: 日期: 年 月 日 设备名称: 规格型号: 设备编号: 维护管理单位: 安装地点: 维护保养人:...

1、当您付费下载文档后,您只拥有了使用权限,并不意味着购买了版权,文档只能用于自身使用,不得用于其他商业用途(如 [转卖]进行直接盈利或[编辑后售卖]进行间接盈利)。
2、本站所有内容均由合作方或网友上传,本站不对文档的完整性、权威性及其观点立场正确性做任何保证或承诺!文档内容仅供研究参考,付费前请自行鉴别。
3、如文档内容存在违规,或者侵犯商业秘密、侵犯著作权等,请点击“违规举报”。

碎片内容

企业自动监测设备运行与维护记录表

小辰7+ 关注
实名认证
内容提供者

出售各种资料和文档

确认删除?
VIP
微信客服
  • 扫码咨询
会员Q群
  • 会员专属群点击这里加入QQ群
客服邮箱
回到顶部