电脑桌面
添加小米粒文库到电脑桌面
安装后可以在桌面快捷访问

企业良好标准化行为评估检查表(自评)

企业良好标准化行为评估检查表(自评)_第1页
1/20
企业良好标准化行为评估检查表(自评)_第2页
2/20
企业良好标准化行为评估检查表(自评)_第3页
3/20
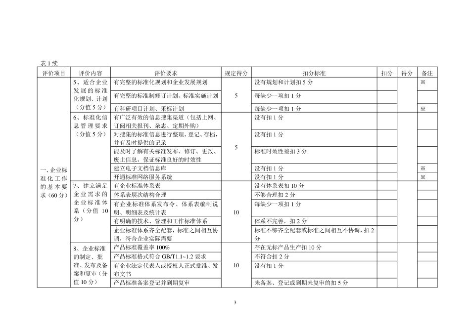
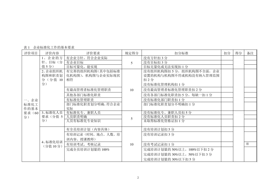
1 标准化良好行为确认评分表(试行) 标准化良好行为确认评分标准及说明 一、评分标准 标准化良好行为确认的基本分为400 分,加分为100 分,总分为500 分。 1、基本分达到280 分以上,可评为A 级标准化良好行为企业; 2、基本分达到320 分以上,可评为AA 级标准化良好行为企业;基本分达到300 分以上,总分达到350 分以上的可评为AA 级标准化良好行为企业; 3、基本分达到370 分以上,可评为AAA 级标准化良好行为企业;基本分达到360 分以上,总分达到420 分以上的可评为AAA 级标准化良好行为企业; 4、基本分达到390 分以上,且总分达到450 分以上的,可评为AAAA 级标准化良好行为企业;基本分达到380 分以上,总分达到460 分以上的可评为AAAA 级标准化良好行为企业。 二、说明 1、本评分标准为通用要求,不同企业因产品类型和生产经营的特点,某些项目确无需要,经省、自治区、直辖市标准化行政主管部门界定可不扣分,按满分计算。企业应有的评价项目而未满足,则该项目的实际得分为0 分。 2、表中每项评价内容的规定得分为最高扣分限,超出部分不再扣分。 3、画※号表示该项要求对 A 级和AA 级标准化良好行为企业不作为必要确认条件。 2 表1 企业标准化工作的基本要求 评价项目 评价内容 评价要求 规定得分 扣分标准 扣分 得分 备注 一、企业标准化工作的基本要求(60分) 1、企业的方针、目标(分值5分) 有企业方针,符合企业实际 5 没有方针扣3分 有企业目标 没有目标扣3分 目标可量化、能实现 目标无量化或无法实现扣1分 2、企业组织机构图和职责划分(分值10分) 有完善的组织机构图(其中包括标准化机构图),机构图与企业实际现状相符 10 没有组织机构图扣5分,组织机构图不全面,企业设置的机构与机构图不符或机构没有纳入管理范围扣2分 没有标准化管理机构扣1分 有最高管理者标准化管理职责 没有最高管理者标准化管理职责扣2分 其他各部门标准化职责 没有各部门标准化职责扣5分,每缺一扣1分 有标准化管理职责 没有标准化部门职责扣1分 部门标准化职责划分明确,符合企业实际 部门标准化职责划分不明确扣1分 3、标准化人员要求(分值5分) 有标准化专、兼职人员 5 没有标准化专、兼职人员扣5分 人员职责明确 没有标准化人员职责扣2分 人员有标准化专业知识 未取得标准化资格证扣1分 4、标准化培训(分值10分) 有全员培训计划(内容具体) 10 没有...

1、当您付费下载文档后,您只拥有了使用权限,并不意味着购买了版权,文档只能用于自身使用,不得用于其他商业用途(如 [转卖]进行直接盈利或[编辑后售卖]进行间接盈利)。
2、本站所有内容均由合作方或网友上传,本站不对文档的完整性、权威性及其观点立场正确性做任何保证或承诺!文档内容仅供研究参考,付费前请自行鉴别。
3、如文档内容存在违规,或者侵犯商业秘密、侵犯著作权等,请点击“违规举报”。

碎片内容

企业良好标准化行为评估检查表(自评)

您可能关注的文档

小辰3+ 关注
实名认证
内容提供者

出售各种资料和文档

确认删除?
VIP
微信客服
  • 扫码咨询
会员Q群
  • 会员专属群点击这里加入QQ群
客服邮箱
回到顶部