电脑桌面
添加小米粒文库到电脑桌面
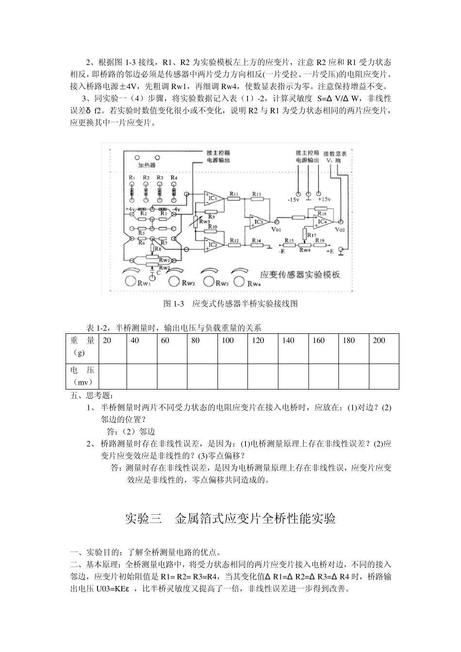
安装后可以在桌面快捷访问

传感器实验报告sc

传感器实验报告sc_第1页
1/10
传感器实验报告sc_第2页
2/10
传感器实验报告sc_第3页
3/10
实验一:金属箔式应变片单臂电桥性能实验 一、实验目的: 了解金属箔式应变片的应变效应,单臂电桥工作原理和性能。 二、基本原理: 电阻丝在外力作用下发生机械变形时,其电阻值发生变化,这就是电阻应变 效应,描述电阻应变效应的关系式为: Δ R/R=Kε 式中Δ R/R为电阻丝的电阻相对变化值,K为应变灵敏系数,ε =Δ l/l为电阻丝长度相对变化。金属箔式应变片是通过光刻、腐蚀等工艺制成的应变敏感元件,用它来转换被测部位的受力大小及状态,通过电桥原理完成电阻到电压的比例变化,输出电压U0=EKε (E为供桥电压),对单臂电桥而言,电桥输出电压,U01=EKε /4。(E为供桥电压)。 三、器件与单元: 应变式传感器实验模板、应变式传感器、砝码(每只约20g)、数显表、±15V 电源、±4V 电源、万用表(自备)。 四、实验步骤: 实验(一) 1、 根据图(1-1),应变式传感器已装于应变传感器模板上。传感器中各应变片已接入模板左上 方的R1、R2、R3、R4 标志端。加热丝也接于模板上,可用万用表进行测量判别,R1=R2=R3=R4=350Ω ,加热丝阻值约为50Ω 左右。 图 1-1 应变式传感器安装示意图 2、实验模板差动放大器调零,方法为:①接入模板电源±15V(从主控箱引入),检查无误后 合上主控箱电源开关,将实验模板增益调节电位器Rw 3 顺时针调节到大致中间位置,②将差放的正、负输入端与地短接,输出端与主控箱面板上数显电压表输入端 Vi 相连,调节实验模板上调零电位器RW4,使数显表显示为零(数显表的切换开关打到2V 档),完毕关闭主控箱电源。 3、参考图(1-2)接入传感器,将应变式传感器的其中一个应变片R1(即模板左上方的R1) 接入电桥作为一个桥臂,它与R5、R6、R7 接成直流电桥(R5、R6、R7 在模块内已连接好),接好电桥调零电位器Rw 1,接上桥路电源±4V(从主控箱引入),检查接线无误后,合上主控箱电源开关,先粗调节 Rw 1,再细调 RW4 使数显表显示为零。 图1-2 应变式传感器单臂电桥实验接线图 4、在传感器托盘上放置一只砝码,读取数显表数值,依次增加砝码并读取相应的数显表数 值,记下实验结果填入表(1-1)。 重量(g) 20 40 60 80 100 120 140 160 180 200 电压(mv) 3.3 6.8 10.3 13.8 17.3 20.6 24.1 27.6 30.8 34.3 5、根据表(1-1)计算系统灵敏度S:S=Δ V/Δ W(Δ V 为输出电压平均变化量;Δ W 重量 变化量),计算非线性误差:δ f1=Δ m/y...

1、当您付费下载文档后,您只拥有了使用权限,并不意味着购买了版权,文档只能用于自身使用,不得用于其他商业用途(如 [转卖]进行直接盈利或[编辑后售卖]进行间接盈利)。
2、本站所有内容均由合作方或网友上传,本站不对文档的完整性、权威性及其观点立场正确性做任何保证或承诺!文档内容仅供研究参考,付费前请自行鉴别。
3、如文档内容存在违规,或者侵犯商业秘密、侵犯著作权等,请点击“违规举报”。

碎片内容

传感器实验报告sc

您可能关注的文档

确认删除?
VIP
微信客服
  • 扫码咨询
会员Q群
  • 会员专属群点击这里加入QQ群
客服邮箱
回到顶部