电脑桌面
添加小米粒文库到电脑桌面
安装后可以在桌面快捷访问

传感器试题与答案

传感器试题与答案_第1页
1/29
传感器试题与答案_第2页
2/29
传感器试题与答案_第3页
3/29
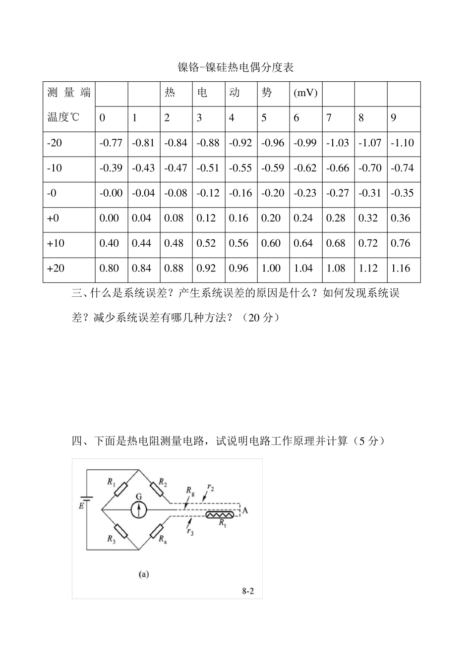
《传感器与检测技术》试题1 班级_______ 姓名 学号 成绩 一、填空:(20 分) 1. 测量系统的静态特性指标主要有 。(2 分) 2. 霍尔元件灵敏度的物理意义是 。(2 分) 3. 光电传感器的理论基础是光电效应。通常把光线照射到物体表面后产生的光电效应分为三类。第一类是利用在光线作用下 效应,这类元件有 ;第二类是利用在光线作用下 效应,这类元件有 ;第三类是利用在光线作用下 效应,这类元件有 。 4.热电偶所产生的热电动势是 电动势和 电动势组成的,其表达式为 Eab(T,T0)= 。在热电偶温度补偿中补偿导线法(即冷端延长线法)是在 和 之间,接入 ,它的作用 。 5.压磁式传感器的工作原理是:某些铁磁物质在外界机械力作用下,其内部产生机械压力,从而引起 ,这种现象称为 。相反,某些铁磁物质在外界磁场的作用下会产 生 , 这 种 现 象 称 为 。( 2 分 ) 6. 变 气 隙 式 自 感 法 感 器 , 当 街 铁 移 动 靠 近 铁 心 时 , 铁 心 上 的 线 圈 电感 量 ( ① 增 加 ② 减 小 ③ 不 变 )( 2 分 ) 7. 仪 表 的 精 度 等 级 是 用 仪 表 的 ( ① 相 对 误 差 ② 绝 对 误 差 ③ 引 用误 差 ) 来 表 示 的 。( 2 分 ) 8. 电 容 传 感 器 的 输 入 被 测 量 与 输 出 被 测 量 间 的 关 系 , 除 ( ① 变 面 积型 ② 变 极 距 型 ③ 变 介 电 常 数 型 ) 外 是 线 性 的 。( 2 分 ) 9. 电 位 器 传 器 的 ( 线 性 ), 假 定 电 位 器 全 长 为Xmax , 其 总 电 阻 为Rmax , 它 的 滑 臂 间 的 阻 值 可 以 用 Rx = ( ① Xmax/x Rmax,② x/Xmax Rmax,③ Xmax/XRmax ④ X/XmaxRmax) 来 计 算 , 其 中 阻 灵 敏 度 Rr=( ① 2p(b+h)/At, ② 2pAt/b+h, ③ 2A(b+b)/pt, ④ 2Atp(b+h))。( 4 分 ) 二 、 用 镍 铬 ━ 镍 硅 热 电 偶 测 量 某 低 温 箱 温 度 , 把 热 电 偶 直 接 与 电 位 差计 相 连 接 。 在 某 时 刻 , 从 电 位 差 计 测 得 热 电 动 势 为 - 1.19mV, 此 时 电位 差 计 所 处 的 环 境温 度 为15℃, 试求该时 刻 温 箱 的 温 度 是 多少摄氏度 ?( 2...

1、当您付费下载文档后,您只拥有了使用权限,并不意味着购买了版权,文档只能用于自身使用,不得用于其他商业用途(如 [转卖]进行直接盈利或[编辑后售卖]进行间接盈利)。
2、本站所有内容均由合作方或网友上传,本站不对文档的完整性、权威性及其观点立场正确性做任何保证或承诺!文档内容仅供研究参考,付费前请自行鉴别。
3、如文档内容存在违规,或者侵犯商业秘密、侵犯著作权等,请点击“违规举报”。

碎片内容

传感器试题与答案

您可能关注的文档

确认删除?
VIP
微信客服
  • 扫码咨询
会员Q群
  • 会员专属群点击这里加入QQ群
客服邮箱
回到顶部