电脑桌面
添加小米粒文库到电脑桌面
安装后可以在桌面快捷访问

传输线巴伦的原理设计、制作及测试

传输线巴伦的原理设计、制作及测试_第1页
1/13
传输线巴伦的原理设计、制作及测试_第2页
2/13
传输线巴伦的原理设计、制作及测试_第3页
3/13
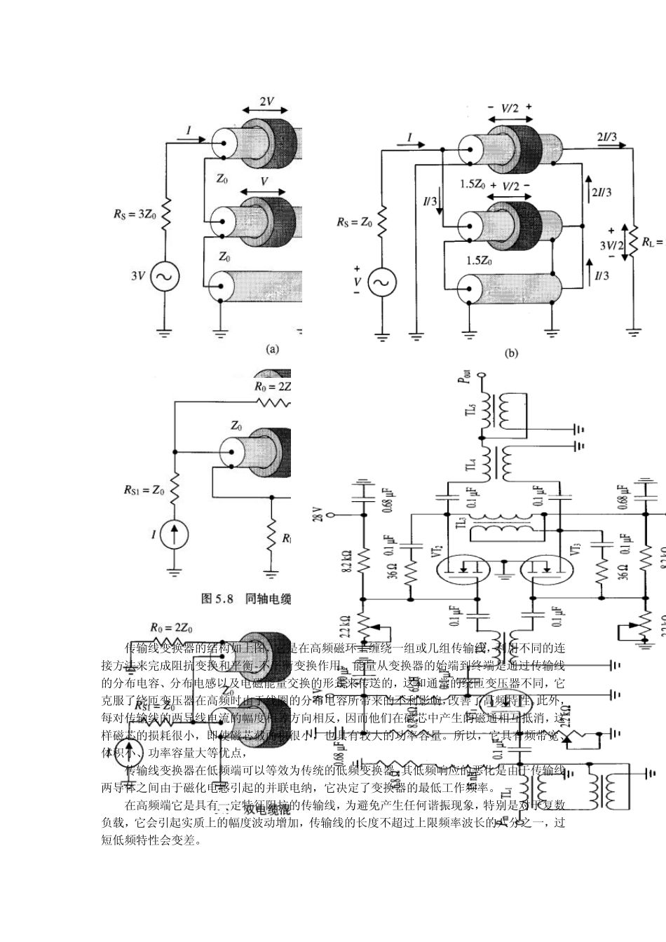
传输线平衡器(巴伦)的原理、设计、制作及测试 一、平衡器(巴伦)的由来 平衡器即Balancing Device,其主要作用是完成由单端传输(如:同轴线、微带线等)变换为差分传输(如:半波振子天线,推挽电路等)之间的变换,又称为平衡-不平衡变换器即Balance-Unbalance,英文将其合并缩写成一个新词Balun,音译为巴伦。以下文中所提到的平衡器、平衡-不平衡变换器、巴伦,都是指这一类器件。 巴伦在无线电中有着广泛的用途,由于其原理结构多种多样,并且可以互相组合,使得许多朋友在自制巴伦时有无从下手的感觉,哪种结构适合?如何选择材料?如何计算制作参数?如何衡量巴伦的性能?对于我们业余爱好者,主要就是用在天线的馈电和高频功放中,完成平衡-不平衡及阻抗变换的作用,工作在短波1.8MHZ~30MHZ,并要求取材和制作容易。结合我对巴伦的认识理解,认为传输线结构的巴伦,更适合短波通信,其性能好、取材方便、制作容易,但其理论不易理解,造成很多朋友将其搞成了磁耦合变压器结构,出现频带窄、功率容量小、驻波不平坦的问题,结果当然达不到传输线变换器的效果。下面就我个人对传输线变换器的粗浅理解,简单描述一下做巴伦的情况,如需要更深入的了解可以参考有关文献资料,有不当之处,还请各位前辈指正,谢谢! 二、传输线平衡器(巴伦)的简单原理 平衡器有很多种,按平衡条件可以分为四大类:扼流式(扼制不平衡电流)、对称式(对地阻抗平衡)、倒相式(电压倒相)、磁耦合式(电流共扼)。我这里主要描述一下基于传输线变换器的平衡-不平衡变换,同时具备阻抗变换作用的巴伦,兼有扼流式和磁耦合式的特征。 传输线变换器的结构如上图,它是在高频磁环上缠绕一组或几组传输线,利用不同的连接方法来完成阻抗变换和平衡-不平衡变换作用。能量从变换器的始端到终端是通过传输线的分布电容、分布电感以及电磁能量交换的形式来传送的,这和通常的绕匝变压器不同,它克服了绕匝变压器在高频时由于线圈的分布电容所带来的不利影响,改善了高频特性。此外,每对传输线的两导线电流的幅度相等方向相反,因而他们在磁芯中产生的磁通相互抵消,这样磁芯的损耗很小,即使磁芯截面积很小,也具有较大的功率容量。所以,它具有频带宽、体积小、功率容量大等优点, 传输线变换器在低频端可以等效为传统的低频变换器,其低频响应的恶化是由于传输线两导体之间由于磁化电感引起的并联电纳,它决定了变换器的最低工作频率。 在高频端它是具有...

1、当您付费下载文档后,您只拥有了使用权限,并不意味着购买了版权,文档只能用于自身使用,不得用于其他商业用途(如 [转卖]进行直接盈利或[编辑后售卖]进行间接盈利)。
2、本站所有内容均由合作方或网友上传,本站不对文档的完整性、权威性及其观点立场正确性做任何保证或承诺!文档内容仅供研究参考,付费前请自行鉴别。
3、如文档内容存在违规,或者侵犯商业秘密、侵犯著作权等,请点击“违规举报”。

碎片内容

传输线巴伦的原理设计、制作及测试

您可能关注的文档

确认删除?
VIP
微信客服
  • 扫码咨询
会员Q群
  • 会员专属群点击这里加入QQ群
客服邮箱
回到顶部