电脑桌面
添加小米粒文库到电脑桌面
安装后可以在桌面快捷访问

住宅分户验收表格

住宅分户验收表格_第1页
1/6
住宅分户验收表格_第2页
2/6
住宅分户验收表格_第3页
3/6
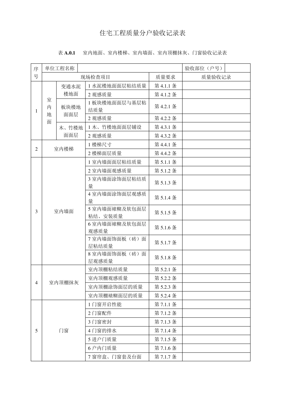
住宅工程质量分户验收记录表 表A .0.1 室内地面、室内楼梯、室内墙面、室内顶棚抹灰、门窗验收记录表 序号 单位工程名称 验收部位(户号) 现场检查项目 质量要求 质量验收记录 1 室 内 地 面 变通水泥楼地面 1 水泥楼地面面层粘结质量 第 4 .1 .1 条 2 观感质量 第 4 .1 .2 条 板块楼地面面层 1 板块楼地面面层与基层粘结质量 第 4 .2 .1 条 2 观感质量 第 4 .2 .2 条 木、竹楼地面面层 1 木、竹楼地面面层铺设 第 4 .3 .1 条 2 观感质量 第 4 .3 .2 条 2 室内楼梯 1 楼梯尺寸 第 4 .4 .1 条 2 楼梯面层质量 第 4 .4 .2 条 3 室内墙面 1 室内墙面面层粘结质量 第 5 .1 .1 条 2 室内墙面观感质量 第 5 .1 .2 条 3 室内墙面涂饰面层粘结质量 第 5 .1 .3 条 4 室内墙面涂饰面层观感质量 第 5 .1 .4 条 5 室内墙面裱糊及软包面层粘结、安装质量 第 5 .1 .5 条 6 室内墙面裱糊及软包面层观感质量 第 5 .1 .6 条 7 室内墙面饰面板(砖)面层粘结质量 第 5 .1 .7 条 8 室内墙面饰面板(砖)面层观感质量 第 5 .1 .8 条 4 室内顶棚抹灰 室内顶棚粘结质量 第 5 .2 .1 条 室内顶棚观感质量 第 5 .2 .2 条 室内顶棚涂饰面层的质量 第 5 .2 .3 条 室内顶棚裱糊面层的质量 第 5 .2 .4 条 5 门窗 1 门窗开启性能 第 7 .1 .1 条 2 门窗配件 第 7 .1 .2 条 3 门窗密封 第 7 .1 .3 条 4 门窗的排水 第 7 .1 .4 条 5 进户门质量 第 7 .1 .5 条 6 户内门质量 第 7 .1 .6 条 7 窗帘盒、门窗套及台面 第 7 .1 .7 条 表A .0.2 室内空间尺寸、护栏和扶手、玻璃安装、橱柜工程、防水工程验收记录表 序号 单位工程名称 苏纶场住宅项目 1#楼 验收部位 (户号) 6 房间编号 净高推算值(mm) 长度推算值(m m ) 实测值 计算值(m m ) 净高 净开间 净进深 H L1 L2 H1 H2 H3 H4 H5 L1-1 L1-2 12-1 L2-2 最大偏差 极差 最大偏差 极差 最大偏差 极差 室内空间尺寸测量示意图 H4 L1-1 H1 L2-1 H5 L2-2 H3 L1-2 H2 现场检查项目 质量要求 质量验收记录 7 护栏和扶手 护栏和扶手的造型、尺寸、高度、栏杆间距和安装位置 第7.2.1条 护栏高度、栏杆间距、安装位置符合设计要求,护栏安装牢固。 ...

1、当您付费下载文档后,您只拥有了使用权限,并不意味着购买了版权,文档只能用于自身使用,不得用于其他商业用途(如 [转卖]进行直接盈利或[编辑后售卖]进行间接盈利)。
2、本站所有内容均由合作方或网友上传,本站不对文档的完整性、权威性及其观点立场正确性做任何保证或承诺!文档内容仅供研究参考,付费前请自行鉴别。
3、如文档内容存在违规,或者侵犯商业秘密、侵犯著作权等,请点击“违规举报”。

碎片内容

住宅分户验收表格

您可能关注的文档

小辰3+ 关注
实名认证
内容提供者

出售各种资料和文档

相关文档

确认删除?
VIP
微信客服
  • 扫码咨询
会员Q群
  • 会员专属群点击这里加入QQ群
客服邮箱
回到顶部