电脑桌面
添加小米粒文库到电脑桌面
安装后可以在桌面快捷访问

住宅分户验收规范标准

住宅分户验收规范标准_第1页
1/28
住宅分户验收规范标准_第2页
2/28
住宅分户验收规范标准_第3页
3/28
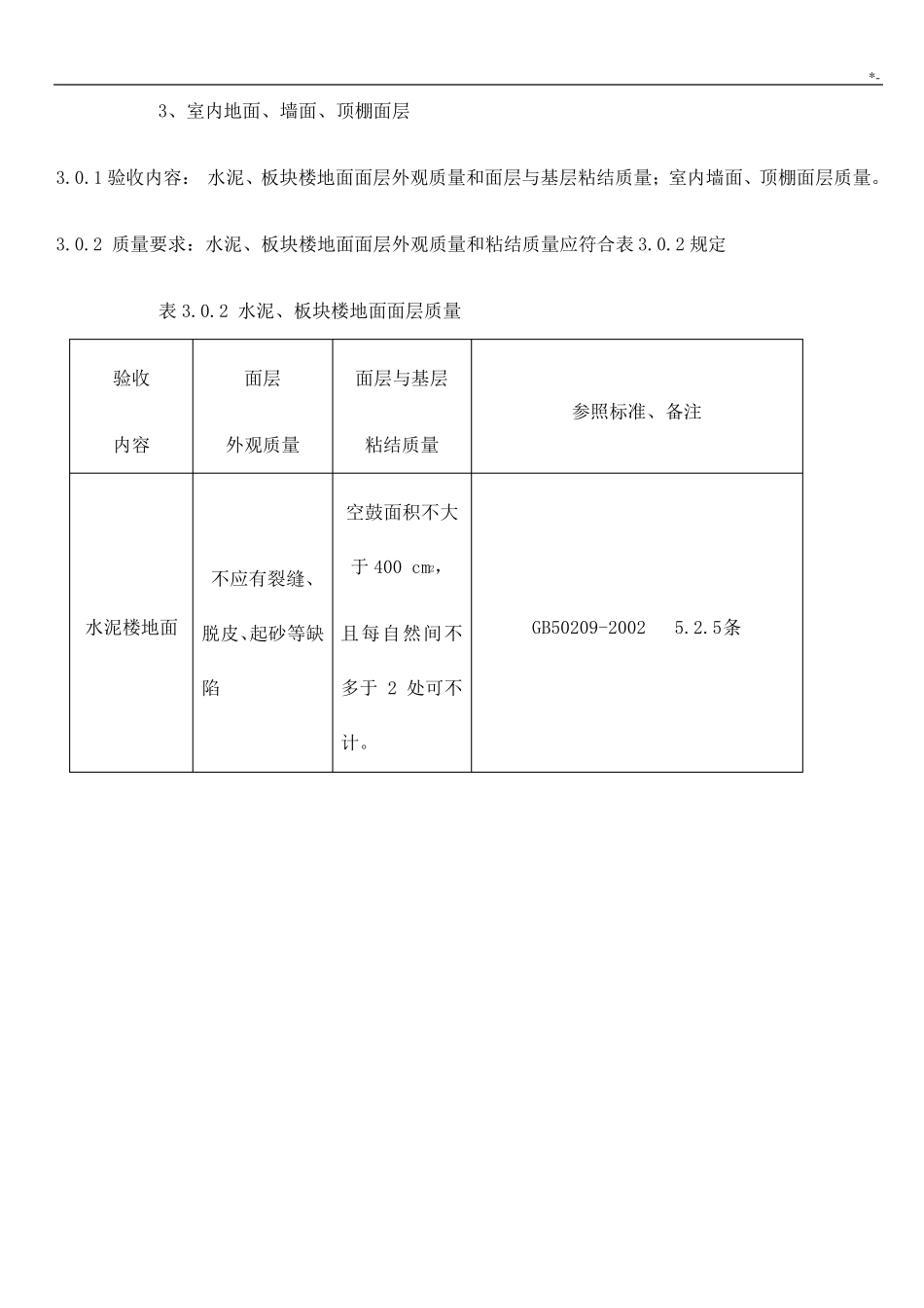
*- 住宅提高交房成功率分户验收标准 2、室内空间、构件尺寸 2.0.1 验收内容:室内净高、净开间、进深的测量; 室内楼梯踏步尺寸。 2.0.2 质量要求:空间尺寸的允许偏差值和允许极差值应符合表2.0.2 规定 表2.0.2 空间尺寸的允许偏差值和允许极差值 验收 内容 允许偏差值(mm) 允许极差值(mm) 参照标准、备注 室内净高度 -20 20 GB50203-2002, GB50204-2002 GB50209-2002 偏差为实测值与设计值之差;极差 为实测值中最大值与最小值之差 室内净开间、进深 ±15 20 GB50203-2002, GB50204-2002 GB50210-2001 *- 室内楼梯踏 步相邻高差、宽度差 10 GB50209-2002 5.3.8 室内楼梯 梯段净高 室内楼梯梯段净高 不宜小于 2.20m GB50352-2005 6.7.5 2.0.3 检查方法及数量: 1、空间尺寸等检查前应根据户型特点确定测量方法,并按照设计要求和施工情况确定空间尺寸、室内楼梯踏步尺寸等的推算值。 2、室内净高,采用激光测距仪或其它测量工具。每个房间抽测量不少于 5 处,测量部位宜为房间四角距纵横墙 500 mm 处及房间几何中心处。建议距墙、柱四角 300-500mm 处各测 1 点,中间测 1 点。 3、室内净开间、净进深,采用激光测距仪或其它测量工具。每个房间抽测量不少于 2 处,测量部位宜在距墙角 500 mm(纵横墙交界处),无墙体则测柱间净距(距柱边处各测 1 处)。 4、室内楼梯,采用卷尺测量工具。每户应全数测量,每一踏步不少于三处,测量部位宜在楼梯踏步的两端及踏步几何中心处。 *- 3、室内地面、墙面、顶棚面层 3.0.1 验收内容: 水泥、板块楼地面面层外观质量和面层与基层粘结质量;室内墙面、顶棚面层质量。 3.0.2 质量要求:水泥、板块楼地面面层外观质量和粘结质量应符合表 3.0.2 规定 表 3.0.2 水泥、板块楼地面面层质量 验收 内容 面层 外观质量 面层与基层 粘结质量 参照标准、备注 水泥楼地面 不应有裂缝、脱皮、起砂等缺陷 空鼓面积不大于 400 cm2, 且每自然间不多于 2 处可不计。 GB50209-2002 5.2.5条 *- 板块楼地面 面层应洁净、平整、无明显色差,接缝均匀,板块无裂缝、掉角、缺 棱等缺陷 单块板块局部空鼓面积不大于单块板材面积的 20%,且每自然间不多于总数的 5%可 不计 GB50209-2002(6) 室内墙面 不应有爆灰、裂缝、阴阳角应顺直,表面应光滑、洁净 空鼓面积不大于 400 cm2, 且每自然间不多于 2 处可...

1、当您付费下载文档后,您只拥有了使用权限,并不意味着购买了版权,文档只能用于自身使用,不得用于其他商业用途(如 [转卖]进行直接盈利或[编辑后售卖]进行间接盈利)。
2、本站所有内容均由合作方或网友上传,本站不对文档的完整性、权威性及其观点立场正确性做任何保证或承诺!文档内容仅供研究参考,付费前请自行鉴别。
3、如文档内容存在违规,或者侵犯商业秘密、侵犯著作权等,请点击“违规举报”。

碎片内容

住宅分户验收规范标准

您可能关注的文档

确认删除?
VIP
微信客服
  • 扫码咨询
会员Q群
  • 会员专属群点击这里加入QQ群
客服邮箱
回到顶部