电脑桌面
添加小米粒文库到电脑桌面
安装后可以在桌面快捷访问

脚手架搭设高度要求VIP专享

脚手架搭设高度要求_第1页
1/27
脚手架搭设高度要求_第2页
2/27
脚手架搭设高度要求_第3页
3/27
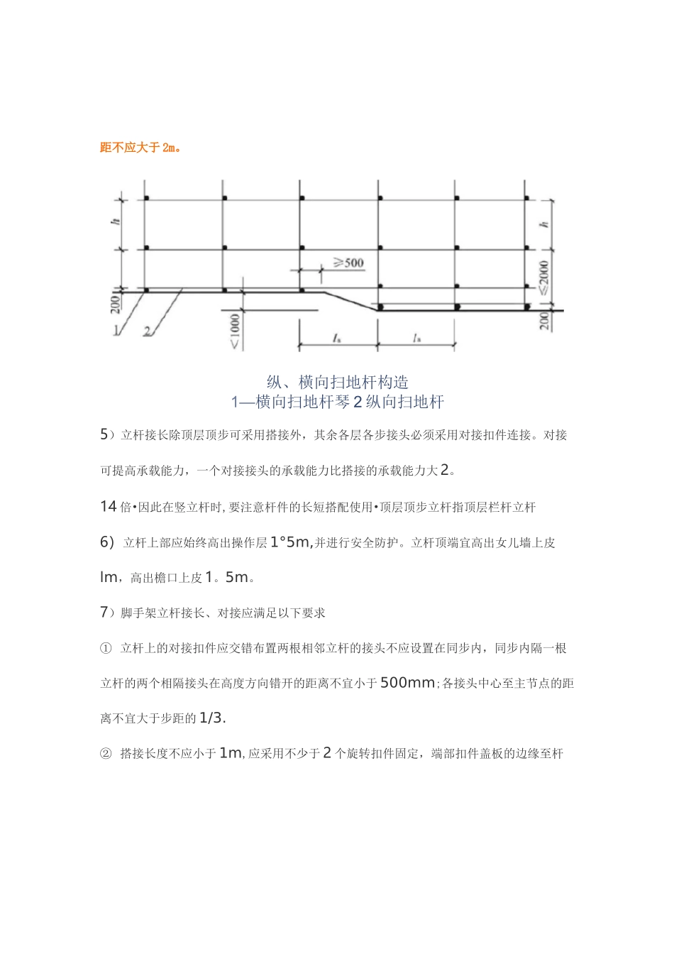
脚手架搭设高度要求规范中脚手架搭设高度要求单排脚手架搭设高度不应超过 24m双排脚手架搭设高度不宜超过 50m悬挑脚手架的搭设高度不宜超过 20m满堂脚手架的搭设高度不宜超过 36m满堂支撑架搭设高度不宜超过 30m当满堂支撑架小于 4 跨时,不宜超过 5.2m盘扣式模板支架搭设高度不宜超过 24m脚手架杆件构造要求1 立杆搭设要求是脚手架的关键部件,主要受力杆件,负责传递和承受力的部件。立杆间足距应均匀设置,不能大于设计间距,否则降低立杆承载能力。立杆的搭设应符合以下要求:1)每根立杆底部宜设置底座或垫板(当脚手架搭设在永久性建筑结构混凝土基面时,立杆下底座或垫板可根据情况不设置)。2)脚手架必须设置纵横向扫地杆•纵向扫地杆宜采用直角扣件固定在距钢管底端不大于200mm 处的立杆上•横向扫地杆亦应采用直角扣件固定在紧靠纵向扫地杆下方的立杆上。3)立杆必须用连墙件与建筑物可靠连接。横向扫地杆应该措在下面4)当立杆基础不在同一高度上时,必须将高处的纵向扫地杆向低处延长两跨与立杆固定,高低差不应大于 Im。靠边坡上方的立杆轴线到边坡的距离不应小于 500mm,脚手架底层步距不应大于 2m。纵、橫向扫地杆构造1—横向扫地杆琴 2 纵向扫地杆5)立杆接长除顶层顶步可采用搭接外,其余各层各步接头必须采用对接扣件连接。对接可提高承载能力,一个对接接头的承载能力比搭接的承载能力大 2。14 倍•因此在竖立杆时,要注意杆件的长短搭配使用•顶层顶步立杆指顶层栏杆立杆6)立杆上部应始终高出操作层 1°5m,并进行安全防护。立杆顶端宜高出女儿墙上皮lm,高出檐口上皮 1。5m。7)脚手架立杆接长、对接应满足以下要求① 立杆上的对接扣件应交错布置两根相邻立杆的接头不应设置在同步内,同步内隔一根立杆的两个相隔接头在高度方向错开的距离不宜小于 500mm;各接头中心至主节点的距离不宜大于步距的 1/3.② 搭接长度不应小于 1m,应采用不少于 2 个旋转扣件固定,端部扣件盖板的边缘至杆端距离不应小于 100mm。SBQ°A\立杆搭接接头构造要求2 纵向水平杆搭设要求1)纵向水平杆步距不大于 1。8m;2)应设置在立杆内侧,其长度不应小于 3 跨;3)纵向水平杆接长应采用对接扣件连接或搭接。① 对接时纵向水平杆的对接扣件应交错布置两根相邻纵向水平杆的接头不宜设置在同步或同跨内不同步或不同跨两个相邻接头在水平方向错开的距离不应小于 500mm;各接头中心至最近主节点的距离不宜大于纵距的 1/3。同...

1、当您付费下载文档后,您只拥有了使用权限,并不意味着购买了版权,文档只能用于自身使用,不得用于其他商业用途(如 [转卖]进行直接盈利或[编辑后售卖]进行间接盈利)。
2、本站所有内容均由合作方或网友上传,本站不对文档的完整性、权威性及其观点立场正确性做任何保证或承诺!文档内容仅供研究参考,付费前请自行鉴别。
3、如文档内容存在违规,或者侵犯商业秘密、侵犯著作权等,请点击“违规举报”。

碎片内容

脚手架搭设高度要求

确认删除?
VIP
微信客服
  • 扫码咨询
会员Q群
  • 会员专属群点击这里加入QQ群
客服邮箱
回到顶部