电脑桌面
添加小米粒文库到电脑桌面
安装后可以在桌面快捷访问

保温材料热工性能指标

保温材料热工性能指标_第1页
1/14
保温材料热工性能指标_第2页
2/14
保温材料热工性能指标_第3页
3/14
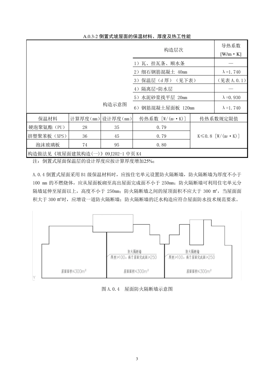
1 附录 围护结构保温材料选用及热工性能指标 附录A 屋面保温材料选用及热工性能参数 A .0.1 屋面保温材料主要性能指标应符合表A.0.1 的要求 表A.0.1 屋面保温材料的主要性能指标 材料名称 表观密度或干密度 (kg/m3) 体积吸水率 (v/v,%) 导热系数标准值 λ[W/(m·K)] 修正系数 а 导热系数计算值 λc [W/(m·K)] 真空保温板 ≤450 ≤3.0 0.008 1.4 0.011 硬泡聚氨酯(PU) ≥35 ≤3.0 0.024 1.1 0.026 挤塑聚苯板(XPS) ≥32 ≤1.5 0.030 1.2 0.036 模塑聚苯板(EPS) ≥20 ≤4.0 0.041 1.3 0.053 泡沫玻璃板 ≥150 ≤0.5 0.062 1.2 0.074 发泡水泥板 ≤250 ≤10.0 0.065 1.2 0.078 注:本表中挤塑聚苯板、模塑聚苯板等性能参数取自国家标准《屋面工程技术规范》GB50345-2012 附录B 表B.2.1 A .0.2 正置式屋面的保温材料、厚度及热工性能按表A.0.2-1、表A.0.2-2 确定 表A.0.2-1 正置式平屋面的保温材料、厚度及热工性能 构造示意图 构造层次 导热系数[W/m·K] 1)细石钢筋混凝土 40mm λ=1.740 2)隔离层+防水层 — 3)水泥砂浆找平层 20mm λ=0.930 4)保温层(d 厚)(见下表) (见表A.0.1) 5)水泥砂浆找平层 20mm λ=0.930 6)轻骨料混凝土找坡层最薄处 30mm λ=0.300 7)钢筋混凝土屋面板 120mm λ=1.740 保温材料 设计厚度(mm) 传热系数 [W/(m2·K)] 传热系数规定限值 真空保温板 13 0.66 K≤0.8 [W/(m2·K)] 硬泡聚氨酯(PU) 25 0.77 挤塑聚苯板(XPS) 35 0.76 模塑聚苯板(EPS) 50 0.78 泡沫玻璃板 70 0.77 发泡水泥板 75 0.76 构造做法见《屋面工程技术规程》GB50345-2012 表3.0.2 2 A.0.2-2 正置式坡屋面的保温材料、厚度及热工性能 构造示意图 构造层次 导热系数[W/m ·K] 1)瓦、挂瓦条、顺水条 — 2)细石钢筋混凝土 40mm λ=1.740 3)隔离层+防水层 — 4)水泥砂浆找平层 20mm λ=0.930 5)保温层(d 厚)(见下表) (见表 A.0.1) 6)水泥砂浆找平层 20mm λ=0.930 7)钢筋混凝土屋面板 120mm λ=1.740 保温材料 设计厚度(mm) 传热系数 [W/(m2·K)] 传热系数规定限值 真空保温板 13 0.69 K≤0.8 [W/(m2·K)] 硬泡聚氨酯(PU) 30 0.70 挤塑聚苯板(XPS) 35 0.80 模塑聚苯板(EPS) 55 0.76 泡沫玻璃板 75 0.77 发泡水泥板 80 0.76 构造做...

1、当您付费下载文档后,您只拥有了使用权限,并不意味着购买了版权,文档只能用于自身使用,不得用于其他商业用途(如 [转卖]进行直接盈利或[编辑后售卖]进行间接盈利)。
2、本站所有内容均由合作方或网友上传,本站不对文档的完整性、权威性及其观点立场正确性做任何保证或承诺!文档内容仅供研究参考,付费前请自行鉴别。
3、如文档内容存在违规,或者侵犯商业秘密、侵犯著作权等,请点击“违规举报”。

碎片内容

保温材料热工性能指标

您可能关注的文档

确认删除?
VIP
微信客服
  • 扫码咨询
会员Q群
  • 会员专属群点击这里加入QQ群
客服邮箱
回到顶部