电脑桌面
添加小米粒文库到电脑桌面
安装后可以在桌面快捷访问

停车场(库)设计车型外廓尺寸和换算系数

停车场(库)设计车型外廓尺寸和换算系数_第1页
1/6
停车场(库)设计车型外廓尺寸和换算系数_第2页
2/6
停车场(库)设计车型外廓尺寸和换算系数_第3页
3/6
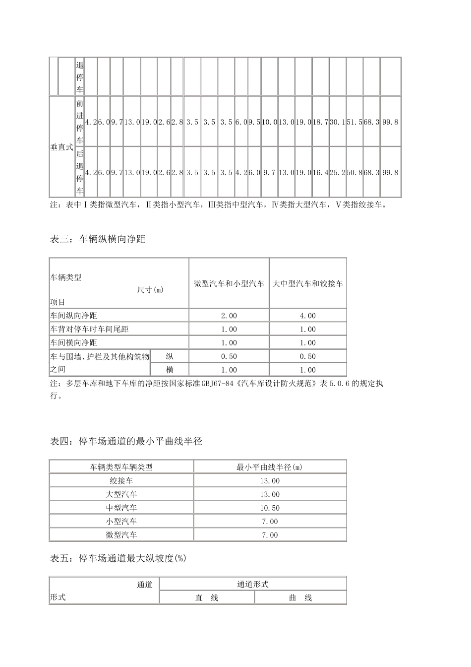
表一:停车场(库)设计车型外廓尺寸和换算系数 项目 尺寸(m) 车辆类型 各类车型外廓尺寸(m) 车辆换算系数 总 长 总 宽 总 高 机 动 车 微型汽车 3.20 1.60 1.80 0.70 小型汽车 5.00 2.00 2.20 1.00 中型汽车 8.70 2.50 4.00 2.00 大型汽车 12.00 2.50 4.00 2.50 铰接车 18.00 2.50 4.00 3.50 自行车 1.93 0.60 1.15 注: 1、三轮摩托车可按微型汽车尺寸计算。 2、二轮摩托车可按自行车尺寸计算。 3、车辆换算系数是按面积换算。 表二:机动车停车场设计参数 项目 车型分类 停车方式 垂直通道方向的停车带宽(m) 平行通道方向的停车带长(m) 通道宽(m) 单位停车面积(平方米) Ⅰ Ⅱ Ⅲ Ⅳ Ⅴ Ⅰ Ⅱ Ⅲ Ⅳ Ⅴ Ⅰ Ⅱ Ⅲ Ⅳ Ⅴ Ⅰ Ⅱ Ⅲ Ⅳ Ⅴ 平行式 前进停车 2.6 2.8 3.5 3.5 3.5 5.2 7.0 12.7 16.0 22.0 3.0 4.0 4.5 4.5 5.0 21.3 33.6 73.0 92.0 132.0 斜 列 式 30° 前进停车 3.2 4.2 6.4 8.0 11.0 5.2 5.6 7.0 7.0 7.0 3.0 4.0 5.0 5.8 6.0 24.4 34.7 62.3 76.1 78.0 45° 前进停车 3.9 5.2 8.1 10.4 14.7 3.7 4.0 4.9 4.9 4.9 3.0 4.0 6.0 6.8 7.0 20.0 28.8 54.4 67.5 89.2 60° 前进停车 4.3 5.9 9.3 12.1 17.3 3.0 3.2 4.0 4.0 4.0 4.0 5.0 8.0 9.5 10.0 18.9 26.9 53.2 67.4 89.2 60° 后 4.3 5.9 9.3 12.1 17.3 3.0 3.2 4.0 4.0 4.0 3.5 4.5 6.5 7.3 8.0 18.2 26.1 50.2 62.9 85.2 退停车 垂直式 前进停车 4.2 6.0 9.7 13.0 19.0 2.6 2.8 3.5 3.5 3.5 6.0 9.5 10.0 13.0 19.0 18.7 30.1 51.5 68.3 99.8 后退停车 4.2 6.0 9.7 13.0 19.0 2.6 2.8 3.5 3.5 3.5 4.2 6.0 9.7 13.0 19.0 16.4 25.2 50.8 68.3 99.8 注:表中Ⅰ类指微型汽车,Ⅱ类指小型汽车,Ⅲ类指中型汽车,Ⅳ类指大型汽车,Ⅴ类指绞接车。 表三:车辆纵横向净距 车辆类型 尺寸(m) 项目 微型汽车和小型汽车 大中型汽车和铰接车 车间纵向净距 2.00 4.00 车背对停车时车间尾距 1.00 1.00 车间横向净距 1.00 1.00 车与围墙、护栏及其他构筑物之间 纵 0.50 0.50 横 1.00 1.00 注:多层车库和地下车库的净距按国家标准 GBJ67-84《汽车库设计防火规范》表5.0.6 的规定执行。 表四:停车场通道的最小平曲线...

1、当您付费下载文档后,您只拥有了使用权限,并不意味着购买了版权,文档只能用于自身使用,不得用于其他商业用途(如 [转卖]进行直接盈利或[编辑后售卖]进行间接盈利)。
2、本站所有内容均由合作方或网友上传,本站不对文档的完整性、权威性及其观点立场正确性做任何保证或承诺!文档内容仅供研究参考,付费前请自行鉴别。
3、如文档内容存在违规,或者侵犯商业秘密、侵犯著作权等,请点击“违规举报”。

碎片内容

停车场(库)设计车型外廓尺寸和换算系数

您可能关注的文档

确认删除?
VIP
微信客服
  • 扫码咨询
会员Q群
  • 会员专属群点击这里加入QQ群
客服邮箱
回到顶部