电脑桌面
添加小米粒文库到电脑桌面
安装后可以在桌面快捷访问

储罐防雷接地工程施工方案

储罐防雷接地工程施工方案_第1页
1/7
储罐防雷接地工程施工方案_第2页
2/7
储罐防雷接地工程施工方案_第3页
3/7
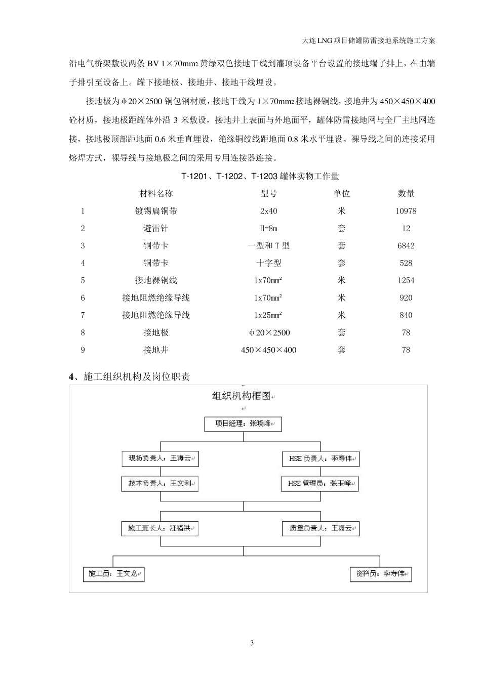
大连LNG 项目储罐防雷接地系统施工方案 1 目 录 1、工程概况 .............................................................................................................................. 2 2、编制依据 .............................................................................................................................. 2 3、工程内容及说明 .................................................................................................................. 2 4、施工组织机构及岗位职责 .................................................................................................. 4 5、主要施工程序及施工方法 .................................................................................................. 5 6、技术管理措施 ...................................................................................................................... 6 7、施工用电措施 ...................................................................................................................... 6 8、环保健康与安全技术措施 .................................................................................................. 7 9、施工机具设备配备一览表 .................................................................................................. 7 10、劳动力资源配置 ............................................................................................................................... 8 11、施工进度计划 .................................................................................................................... 8 大连LNG 项目储罐防雷接地系统施工方案 2 大连LNG 项目 罐体防雷接地系统施工方案 1、工程概况 1.1 概述 本工程地点在大连保税区国家原油储存基地东面,位于30万吨原油码头和30吨矿石码头之间的临海地区。 大连LNG接收站项目储罐工程一期工程设计3具有效容积为16×104m3的全容式低温储罐,本次施工3具。LNG储罐外罐设计高度达55m,外罐壁为800mm厚钢筋混凝土结构。 施工范围为 T-1201、T-1202、T-1203 储罐防雷与接地系统安装。 工程名称:大连LNG...

1、当您付费下载文档后,您只拥有了使用权限,并不意味着购买了版权,文档只能用于自身使用,不得用于其他商业用途(如 [转卖]进行直接盈利或[编辑后售卖]进行间接盈利)。
2、本站所有内容均由合作方或网友上传,本站不对文档的完整性、权威性及其观点立场正确性做任何保证或承诺!文档内容仅供研究参考,付费前请自行鉴别。
3、如文档内容存在违规,或者侵犯商业秘密、侵犯著作权等,请点击“违规举报”。

碎片内容

储罐防雷接地工程施工方案

您可能关注的文档

确认删除?
VIP
微信客服
  • 扫码咨询
会员Q群
  • 会员专属群点击这里加入QQ群
客服邮箱
回到顶部