电脑桌面
添加小米粒文库到电脑桌面
安装后可以在桌面快捷访问

全国CAD等级考试(CATIA_)

全国CAD等级考试(CATIA_)_第1页
1/7
全国CAD等级考试(CATIA_)_第2页
2/7
全国CAD等级考试(CATIA_)_第3页
3/7
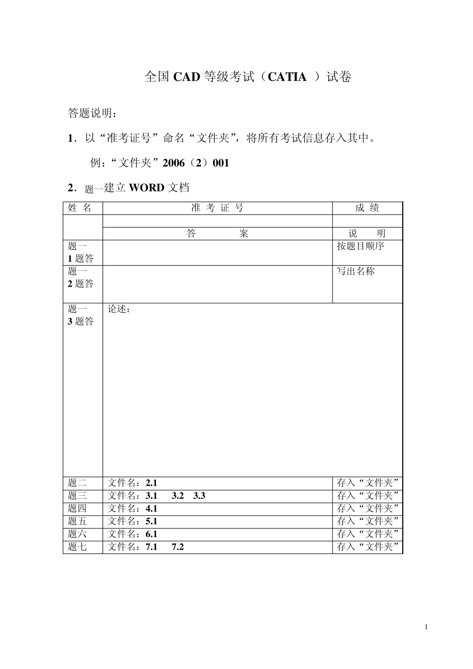
1 全国CAD 等级考试(CATIA )试卷 答题说明: 1.以“准考证号”命名“文件夹”,将所有考试信息存入其中。 例:“文件夹”2006(2)001 2.题一建立 W ORD 文档 姓 名 准 考 证 号 成 绩 答 案 说 明 题一 1 题答 按题目顺序 题一 2 题答 写出名称 题一 3 题答 论述: 题二 文件名:2.1 存入“文件夹” 题三 文件名:3.1 3.2 3.3 存入“文件夹” 题四 文件名:4.1 存入“文件夹” 题五 文件名:5.1 存入“文件夹” 题六 文件名:6.1 存入“文件夹” 题七 文件名:7.1 7.2 存入“文件夹” 2 一. 基础知识题(共15 分) 注:此题在上页空白处答题。 1.基本操作(每空0.5 分,共5 分) ( ) ( ) ( ) ( ) ( ) ( ) ( ) ( ) ( ) ( ) (1)实体放样 (2)辅助元素 (3)同轴约束 (4)加强筋 (5)移动副 (6)刚性联接 (7)接触约束 (8)尺寸约束 (9)旋转副 (10)点线副 2.指出 CAD/CAM 技术中常用的软件(至少 5 种)?(5 分) 3.阐述你对 CATIA 软件的理解及在CAD/CAM 技术中的应用?(5 分) 3 二.绘制草图(1 2 分)注:以“2 .1 ”命名文件,并存入“文件夹”。 图2 .1 草图 4 三.实体建模(2 8 分) 1 .短轴 (8 分)注:以“3 .1 ”命名文件,并存入“文件夹”。 图 3 .1 短轴 2 .轮盘 (1 2 分)注:以“3 .2 ”命名文件,并存入“文件夹”。 图 3 .2 轮盘 5 3 .花键套 (8 分)注:以“3 .3 ”命名文件,并存入“文件夹”。 图 3 .3 花键套 四.装配设计(1 5 分) 完成文件夹“装配源文件”中各零件的装配,各零件见图 4 .1 ;4 .2 ;4 .3 ;4 .4 ;4 .5 。装配关系见图 4 .6 。注:以“4 .1 ”命名文件,并存入“文件夹”。 图 4 .1 底座 图 4 .2 轴 6 图4.3 凸轮 图4.4 手柄 图4.5 从动件 图4.6 凸轮机构 五.工程图设计(15 分) 将题三“轮盘”(图3.2)由实体模型生成工程图。 注:以“6.1”命名文件,并存入“文件夹”。 六.曲面设计(图7.1,5 分;图7.2,10 分。共 15 分) 完成以下图片图7.1,图7.2 所示零件的设计。 图7.1,零件尺寸自行定义。注:以“7.1”命名文件,并存入“文件夹”。 图7.2,星形尺寸如图7.3 所示,簧丝直径 0.5m m ; 螺旋线螺距 6 m m ,长度 50 m m 。星簧长度 50 m m 。 注:以“7.2”命名文件,并存入“文件夹”。 7 图 7 .1 异形环 图 7 .2 星形簧 图 7 .3 星形簧

1、当您付费下载文档后,您只拥有了使用权限,并不意味着购买了版权,文档只能用于自身使用,不得用于其他商业用途(如 [转卖]进行直接盈利或[编辑后售卖]进行间接盈利)。
2、本站所有内容均由合作方或网友上传,本站不对文档的完整性、权威性及其观点立场正确性做任何保证或承诺!文档内容仅供研究参考,付费前请自行鉴别。
3、如文档内容存在违规,或者侵犯商业秘密、侵犯著作权等,请点击“违规举报”。

碎片内容

全国CAD等级考试(CATIA_)

小辰7+ 关注
实名认证
内容提供者

出售各种资料和文档

确认删除?
VIP
微信客服
  • 扫码咨询
会员Q群
  • 会员专属群点击这里加入QQ群
客服邮箱
回到顶部