电脑桌面
添加小米粒文库到电脑桌面
安装后可以在桌面快捷访问

升压站安装技术措施

升压站安装技术措施_第1页
1/10
升压站安装技术措施_第2页
2/10
升压站安装技术措施_第3页
3/10
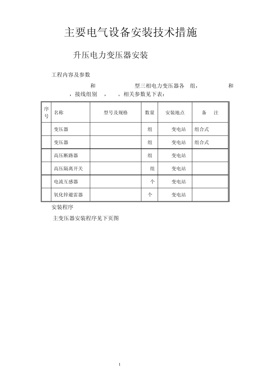
1 主要电气设备安装技术措施 1 35KV升压电力变压器安装 1.1工程内容及参数 S11-6300/31.5和S11-3150/31.5型三相电力变压器各1组,Sn=6300KVA和Sn=3150KVA,接线组别YN,d11。相关参数见下表: 序号 名称 型号及规格 数量 安装地点 备 注 1 变压器1B S11-6300/31.5 1组 35KV变电站 组合式 2 变压器2B S11-3150/31.5 1组 35KV变电站 组合式 2 高压断路器 LW34-40.5 3组 35KV变电站 3 高压隔离开关 GW4-35ID 11组 35KV变电站 4 电流互感器 LGB-35 6个 35KV变电站 5 氧化锌避雷器 YH10WX-57/170 9个 35KV变电站 1.2安装程序 主变压器安装程序见下页图 1.2-1: 2 1.2-1主变压器安装程序框图 1.3主要施工技术方案与措施 施工准备(含基础检查、安全措施) 外观检查 开箱检查、验收 放油(或放气) 松钟罩螺栓 器身检查、试验 扣钟罩 抽真空注油 其它附件安装 运输就位 取下分接开关 钟内检查、清扫 装升高座 吊钟罩 装高压套管 装低压套管 紧固钟罩螺栓 装储油柜 装安全气道 补油及静压试验 电气试验 热油循环 投入试运行 中性点接地 竣工资料整理 阶段验收 竣工验收 控制箱、端子箱安装 仪表安装 二次配线 附件清扫、试验 油处理(含油样分析化验) 中性点设备安装 3 (1)施工准备 1) 按厂家技术文件、设计要求及规程规范编写主变安装施工方案报工程师审批,并向参与施工的全体人员进行技术交底。 2)进行材料、工器具以及倒运、吊装设备和检查、试验设备的准备。 3)确定施工责任人、技术负责人以及具体施工人员,统一指挥协调。 4)土建施工已完成,运输轨道安装完成并验收合格,场地清理干净、道路畅通。 (2)外观检查 按厂家、设计及规程规范要求,对主变及其它到货设备进行外观及其它方面检查,做好检查记录。 (3)开箱检查、验收 开箱检查、验收包括设备(本体和附件)及备品备件、随设备到货的技术资料、出厂试验报告等厂家技术文件是否齐全、完好无损并作好详细记录。清点完毕,各种附件分类存放在库房内。 主变压器在 35KV变电站卸车,用 25t汽车吊进行卸车,并将变压器 1B和2B放置在基础上。 (4)油处理 1)油处理准备 绝缘油到工地前必须做好以下几项准备工作: A.清扫绝缘油罐,阀门管路配制齐全,做到干净、清洁、不渗漏,并对油罐进行干燥,干燥后密封保存,油罐上部呼吸器内硅胶应是新更换的干燥硅胶; B.准备1台真空滤油...

1、当您付费下载文档后,您只拥有了使用权限,并不意味着购买了版权,文档只能用于自身使用,不得用于其他商业用途(如 [转卖]进行直接盈利或[编辑后售卖]进行间接盈利)。
2、本站所有内容均由合作方或网友上传,本站不对文档的完整性、权威性及其观点立场正确性做任何保证或承诺!文档内容仅供研究参考,付费前请自行鉴别。
3、如文档内容存在违规,或者侵犯商业秘密、侵犯著作权等,请点击“违规举报”。

碎片内容

升压站安装技术措施

您可能关注的文档

小辰5+ 关注
实名认证
内容提供者

出售各种资料和文档

确认删除?
VIP
微信客服
  • 扫码咨询
会员Q群
  • 会员专属群点击这里加入QQ群
客服邮箱
回到顶部