电脑桌面
添加小米粒文库到电脑桌面
安装后可以在桌面快捷访问

华为审核问题整改依赖

华为审核问题整改依赖_第1页
1/10
华为审核问题整改依赖_第2页
2/10
华为审核问题整改依赖_第3页
3/10
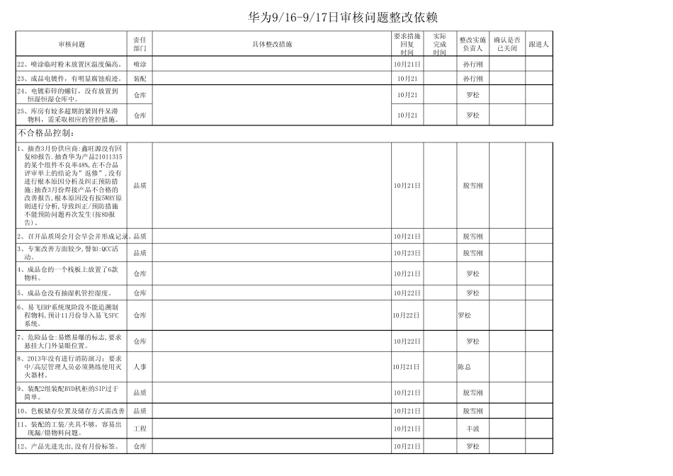
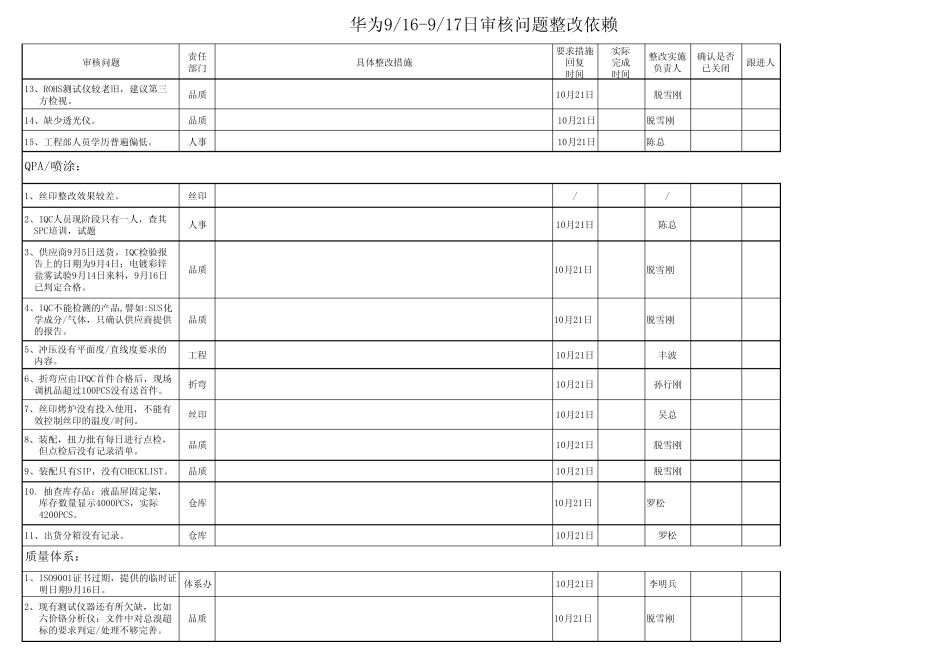
审核问题责任部门具体整改措施要求措施回复时间实际完成时间整改实施负责人确认是否已关闭跟进人4、线上存在滴油现象,导致喷涂 后的产品附着力不合格。生产10月23日孙行刚 5、前处理槽液检测结果不一致。生产10月23日李明兵 6、停线管理规定没有包含华为标准 要求。工程10月23日杨杰 7、电解板主脱脂超声波数量不够。生产10月23日孙行刚 8、前处理线时间装置刻度设置有问 题。生产10月21日孙行刚 9、酸洗的测试方法有问题。生产10月23日李明兵 10、前处理槽液专管专用的标识模 糊/不清晰时,没有更换标识。生产10月21日孙行刚12、药水的来料检验记录,应检测 浓度。品质10月21日脱雪刚13、粉末耐化学溶剂、抗冲击测 试、盐雾试验报告无编号。品质10月21日脱雪刚14、工程制作的SOP与华为要求有一 定出入。工程10月21日丰波15、焊 接 工段 的产品较 少 ,工装、 夹 具较 少 。工程10月21日丰波16、压 铆 件 检验规范 的扭 力要求与 华为要求相 比 偏 小 。品质10月23日脱雪刚17、现场 无专用的丝 印 烤 炉丝 印10月23日吴 总18、针 对 电镀 件 、氧 化件 类 的丝 印 ,不允 许 经 过 高 温 烘 烤 。丝 印10月21日孙行刚19、喷涂参 数没有细 化。工程10月21日丰波20、喷枪 没有维 护 保 养 记录。喷涂10月21日孙行刚21、炉 温 烘 烤 曲 线,在出口 区 域 温 度超过 5度。喷涂10月21日孙行刚10月21日孙行刚10月21日孙行刚10月21日孙行刚3、前处理线上的全 检要求执 行不彻 底 ,有带 锈 上线喷涂现象生产11、粉末库 房 窗 户 有漏 雨 现象,有 温 湿 度记录,但 温 湿 度超标后 没有调 控 措施。仓 库10月21日罗 松华为9/16-9/17日审核问题整改依 赖1、前处理完毕 的产品,上挂 区 域 发 现部分 产品表 面 有一定水锈 、挂 灰 。生产2、前处理后的产品,要求24H上 挂 ,实际超过 时间未 上线。生产审 核 问 题责 任部 门具 体 整 改 措 施要 求 措 施回 复时 间实 际完 成时 间整 改 实 施负 责 人确 认 是 否已 关 闭跟 进 人华 为 9/16-9/17日 审 核 问 题 整 改 依 赖22、 喷 涂 临 时 粉 末 放 置 区 温 度 偏 高 。喷 涂10月 21日孙 行 刚23、 成 品 电 镀 件 , 有 明 显 腐 蚀 痕 迹 。装 配10月 21孙 行 刚24、 电 镀 彩 锌 的 螺 钉...

1、当您付费下载文档后,您只拥有了使用权限,并不意味着购买了版权,文档只能用于自身使用,不得用于其他商业用途(如 [转卖]进行直接盈利或[编辑后售卖]进行间接盈利)。
2、本站所有内容均由合作方或网友上传,本站不对文档的完整性、权威性及其观点立场正确性做任何保证或承诺!文档内容仅供研究参考,付费前请自行鉴别。
3、如文档内容存在违规,或者侵犯商业秘密、侵犯著作权等,请点击“违规举报”。

碎片内容

华为审核问题整改依赖

您可能关注的文档

小辰9+ 关注
实名认证
内容提供者

出售各种资料和文档

确认删除?
VIP
微信客服
  • 扫码咨询
会员Q群
  • 会员专属群点击这里加入QQ群
客服邮箱
回到顶部