电脑桌面
添加小米粒文库到电脑桌面
安装后可以在桌面快捷访问

单片机实现USB

单片机实现USB_第1页
1/12
单片机实现USB_第2页
2/12
单片机实现USB_第3页
3/12
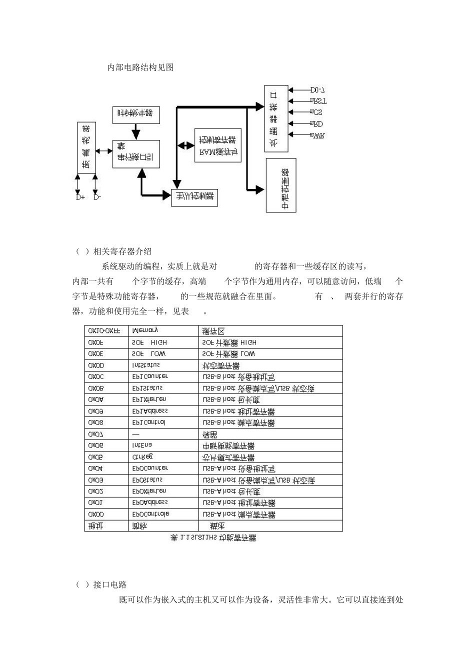
第1章主要硬件芯片介绍1.1系统总体设计USB主机系统设计是一个软、硬件结合的整体,宏观上主要包括三个层次的设计:USB总线物理层接口设计、USB核心系统设计和 USB客户系统设计。总线接口主要处理主机与设备之间的电气及协议层的互连,是信息包进出的物理桥梁;USB核心系统主要管理和协调主机与从机间的逻辑数据传输,解析双方联系的握手协议,是验证信息包的逻辑关卡;客户系统是最终用户直接和 USB设备功能交互的逻辑平台,不同的 USB设备归属于不同的类,是利用相关的类协议来实现的,所以客户系统驱动程序具有多变性,需要为专门的类定制专门的驱动程序。在单片机上实现 USB移动存储功能,具体包括 USB主机接口的硬件设计和整机USB驱动固件的设计。其中驱动固件的设计具体又包含几个协议的实现:USB1.1控制传输协议、USBBULK传输协议、USB海量存储类协议、UFI磁盘操作命令和 FAT文件系统标准等。1.2硬件设计1.2.1USB主控制器USB主控制器主要是完成底层物理接口设计,是USB系统架构的必要部分,是USB数据包进出的必经通道。本系统采用的 USB主机芯片是Cypress公司的 SL811HS。Cypress公司是最早从事 USB芯片开发的公司之一,其 EZ-USB系列芯片在业界有非常好的口碑。SL811HS是当经第一个支持 USB主从机的接口芯片,性能稳定,数据全面。(1)芯片特性SL811HS是自动兼容 USB全速或者低速的嵌入式 USB主从机的接口芯片,它支持微处理器、微控制器或者 DSP的 USB接口设计,同时也可以直接连到 ISA、PCMICA等其它总线[8],芯片使用标准的 USB1.1协议。SL811HS通过内部集成的全/低速传输引擎产生 USB串行接口功能,在全速时带宽为 12Mbps,低速时为 1.5Mbps。芯片支持 8位并行数据端口或者 I/O口的设计,同时也支持 DMA,自动中断检测连接口,可以非常容易地在 MCS-51系列微处理器、摩托罗拉微控制器或者其它控制芯片上完成设计。总的来说具有如下特性:1.可在软件控制下,单一地实现主机或者从机功能,28脚 PLCC,48脚 TQFP封装。2.低速 1.5Mbps,高速 12Mbps,主从模式下都一样。3.自动检测连接设备是否为高速或者低速。4.支持 8位双向并口传输,或者 I/O口,DMA传输。5.片上集成 SIE和 USB传输器。6.片上集成了一个USB根集线器。7.256字节内部 SRAM,支持乒乓传输。8.工作频率在 12M或者 48M,3.3伏供电,最高 5伏耐压接口。9.支持总线挂起、唤醒和掉电模式。10.自动产生 SOF和循环冗余校验,自动地址增长模式...

1、当您付费下载文档后,您只拥有了使用权限,并不意味着购买了版权,文档只能用于自身使用,不得用于其他商业用途(如 [转卖]进行直接盈利或[编辑后售卖]进行间接盈利)。
2、本站所有内容均由合作方或网友上传,本站不对文档的完整性、权威性及其观点立场正确性做任何保证或承诺!文档内容仅供研究参考,付费前请自行鉴别。
3、如文档内容存在违规,或者侵犯商业秘密、侵犯著作权等,请点击“违规举报”。

碎片内容

单片机实现USB

确认删除?
VIP
微信客服
  • 扫码咨询
会员Q群
  • 会员专属群点击这里加入QQ群
客服邮箱
回到顶部